100Base-TX/FX●支持自动协商" />
特征
●完全符合IEEE 802.3u 10Base-T/100Base-tx-ic/" title="100Base-TX">100Base-TX/FX
●支持自动协商功能,符合IEEE 802.3u
●完全集成的物理层单芯片,直接接口到磁性
●集成10Base-T和100Base-tx-ic/" title="100Base-TX">100Base-TX收发器
●可选中继器或节点模式
●FX模式下的远端故障信号选项
●可选MII或RMII(减少MII)接口,位于100Base-tx-ic/" title="100Base-TX">100Base-TX
●10Base-T可选择GPSI(7线)或MII模式。
●可选双绞线或光纤模式输出
●可选择全双工或半双工操作
●具有屏蔽中断输出能力的MII管理接口
●提供环回模式,便于系统诊断
●LED状态输出指示链路/活动、Speed10/100和全双工/碰撞。
●采用0.35μm CMOS工艺的3.3V单电源低功耗
●极低功耗模式:
—降功率模式(电缆检测)
—断电模式
—1:1或1.25:1变压器的可选TX驱动器,用于额外的功率降低。
●兼容3.3V和5.0V兼容I/O
●48针LQFP小包装(1x1 cm)
一般说明
DM9161是用于100Base-tx-ic/" title="100Base-TX">100Base-TX 100Base-fx-ic/" title="100Base-FX">100Base-FX和10Base-T操作的物理层、单芯片和低功耗收发器。在介质方面,它提供了一个直接接口,用于100Base-tx-ic/" title="100Base-TX">100Base-TX快速以太网的非屏蔽双绞线5类电缆(UTP5),或10Base-T以太网的UTP5/UTP3电缆。通过媒体独立接口(MII),DM9161连接到媒体访问控制(MAC)层,确保不同供应商的高互操作性。
DM9161采用低功耗、高性能的CMOS工艺。它包含整个物理层IEEE802.3u定义的100Base-tx-ic/" title="100Base-TX">100Base-TX功能,包括物理编码子层(PCS)、物理介质连接(PMA)、双绞线物理介质相关子层(TP-PMD)、10Base-TX编解码器(ENC/DEC)和双绞线媒体访问单元(TPMAU)。DM9161利用自动媒体速度和协议选择,为自动协商功能提供了强大的支持。此外,由于内置波形滤波器,DM9161无需外部滤波器即可在100Base-tx-ic/" title="100Base-TX">100Base-TX或10Base-T以太网操作中将信号传输到介质。
方块图

LED配置
通电复位或软件复位后,通过写入PHY寄存器,LED每200ms闪烁一次。所有LED管脚都是双功能管脚,通过相应地将其拉低或高,可以将其配置为高电平或低电平。如果引脚被拉高,LED在复位后处于低激活状态。同样,如果引脚被拉低,发光二极管激活高电平。

功能描述
DM9161快速以太网单片收发器提供IEEE 802.3u中规定的功能,集成了一个完整的100Base-tx-ic/" title="100Base-TX">100Base-TX模块和一个完整的10Base-T模块。DM9161提供了IEEE 802.3u标准(第22条)中定义的媒体独立接口(MII)。
DM9161执行所有PCS(物理编码子层)、PMA(物理媒体访问)、TP-PMD(双绞线物理介质相关)子层、10Base-T编码器/解码器和双绞线媒体访问单元(TPMAU)函数。图1显示了DM9161中实现的主要功能块。

MII接口
DM 9161提供了IEEE 802.3u标准中定义的媒体独立接口(MII)。MII接口的目的是在MAC调节层和PHY之间提供一个简单、易于实现的连接。MII旨在使各种媒体之间的差异对MAC子层透明。
MII由半字节宽的接收数据总线、半字节宽的传输数据总线和控制信号组成,以便于PHY和协调层之间的数据传输。
•TXD(传输数据)是由调节子层相对于TXCLK同步驱动的半字节(4位)数据。对于断言TXEN的每个TXCLK周期,PHY接受TXD(3:0)进行传输。
•输出到MAC调节子层的TXCLK(传输时钟)是一个连续时钟,为TXEN、TXD和TXER信号的传输提供定时参考。
•来自MAC调节子层的TXEN(传输启用)输入表明MII上正在呈现半字节,以便在物理介质上传输。
•TXER(传输编码错误)转换与TXCLK同步。如果对一个或多个时钟周期断言TXER,并且断言TXEN,则PHY将发出一个或多个符号,这些符号不是正在传输的帧中某处设置的有效数据分隔符的一部分。
•RXD(接收数据)是调节子层相对于RXCLK同步采样的半字节(4位)数据。对于RXDV被断言的每个RXCLK周期,RXD(3:0)从PHY传输到MAC调节子层。
•RXCLK(接收时钟)输出到MAC调节•子层是一个连续时钟,为RXDV、RXD和RXER信号的传输提供定时参考。
•从PHY输入的RXDV(接收数据有效)表示PHY正在向MAC调节子层呈现恢复和解码的半字节。为了通过协调子层正确地解释接收帧,RXDV必须包含帧,不迟于帧分隔符的开始,并排除任何结束流分隔符。
•RXER(接收错误)转换与RXCLK同步。RXER将被断言一个或多个时钟周期,以向调节子层指示在从PHY传输到调节子层的帧中的某个地方检测到错误。
•当发送或接收介质非空闲时,由PHY断言CRS(载波检测),当发送和接收介质空闲时,由PHY取消断言。图7-2描述了CRS在10Base-T和100Base-tx-ic/" title="100Base-TX">100Base-TX传输期间的行为。

100Base-tx-ic/" title="100Base-TX">100Base-TX操作
100Base-tx-ic/" title="100Base-TX">100Base-TX发射机在MII接收以25MHz时钟记录的4位半字节数据,并以100Mbps的速度向媒体输出加扰的5位编码MLT-3信号。片上时钟电路将25MHz时钟转换为125MHz时钟供内部使用。
ieee802.3u规范定义了与媒体无关的接口。接口规范定义了专用接收数据总线和专用传输数据总线。
这两个总线包括各种控制和信号指示,以便于在DM9161和调节层之间进行数据传输。
100Base-tx-ic/" title="100Base-TX">100Base-TX传输
100Base-tx-ic/" title="100Base-TX">100Base-TX发射机由图7-3所示的功能块组成。100Base-tx-ic/" title="100Base-TX">100Base-TX发送部分将MII提供的4位同步数据转换为加扰MLT-3125,每秒一百万个符号的串行数据流。

图7-3中的方框图提供了传输部分包含的功能块的概述。变送器部分包含以下功能块:
- 4B5B编码器
- 扰频器
- 并串转换器
- NRZ到NRZI编码器
- NRZI至MLT-3
- MLT-3驾驶员
4B5B编码器
4B5B编码器将MAC调节层生成的4位(4B)半字节数据转换成5位(5B)码组进行传输,见参考表7-1。这种转换是将控制和分组数据组合在代码组中所必需的。4B5B编码器在发送时用J/K码组对(11000 10001)替换MAC前导码的前8位。4B5B编码器继续用相应的5B码组替换随后的4B前导码和数据半字节。在发送分组的末尾,当来自MAC调节层的发送使能信号解除断言时,4B5B编码器注入表示帧结束的T/R码组对(0110100111)。在T/R码组对之后,4B5B编码器不断地向发送数据流注入空闲数据,直到发送启用被断言并且检测到下一个发送分组。
DM9161在100Base-tx-ic/" title="100Base-TX">100Base-TX发射机中包括一个旁路4B5B转换选项,用于支持100Mbps中继器等不需要4B5B转换的应用。
扰频器
在100Base-tx-ic/" title="100Base-TX">100Base-TX操作中,扰频器需要通过在媒体连接器和双绞线电缆上的频谱分布发射能量来控制辐射发射(EMI)。
通过对数据进行置乱,呈现给电缆的总能量在较宽的频率范围内随机分布。如果没有加扰器,在与重复5B序列相关的频率(如空闲符号的连续传输)下,电缆上的能量峰值可能超过FCC的限制。扰频器输出通过异或逻辑函数与来自码组编码器的nrz5b数据组合。结果是一个加扰的数据流,具有足够的随机性,以减少临界频率下的辐射发射。
并串转换器
并行到串行转换器从扰码器接收并行5B加扰数据并将其序列化(将其从并行数据流转换为串行数据流)。然后将序列化的数据流呈现给NRZ到NRZI编码器块
NRZ至NRZI编码器
由于传输数据流已被置乱和序列化,因此必须对数据进行NRZI编码,以与通过5类非屏蔽双绞线电缆进行100Base-tx-ic/" title="100Base-TX">100Base-TX传输的TP-PMD标准兼容。
MLT-3转换器
MLT-3转换是通过将NRZI编码器输出的数据流转换成两个具有交替相位逻辑1事件的二进制数据流来实现的。
MLT-3驱动器
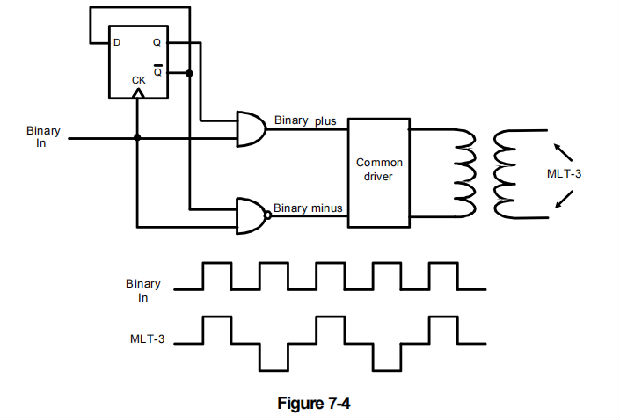
在MLT-3转换器处创建的两个二进制数据流被馈送到双绞线输出驱动器,该驱动器将这些流转换为电流源,并交替驱动传输变压器初级绕组的任一侧,从而产生最小电流的MLT-3信号。MLT-3转换器的方框图见图7-4。
4B5B代码组


100Base-tx-ic/" title="100Base-TX">100Base-TX接收器
100Base TX接收器包含多个功能块,这些功能块将加扰的125Mb/s串行数据转换为同步4位半字节数据,然后将其提供给MII。
接收部分包含以下功能块:
- 自适应均衡器
- MLT-3到NRZI解码器
- 时钟恢复模块
- NRZI到NRZ解码器
- 串并联
- 解扰器
- 代码组对齐
- 4B5B解码器
信号检测
信号检测功能符合ANSI XT12 TP-PMD 100Base-tx-ic/" title="100Base-TX">100Base-TX标准规定的电压阈值和定时参数。
自适应均衡器
当通过铜双绞线电缆高速传输数据时,基于频率的衰减成为一个问题。在高速双绞线信令中,由于加扰数据流的随机性,在正常工作时传输信号的频率含量会有很大的变化。必须补偿由频率变化引起的信号衰减的这种变化,以确保接收数据的完整性。为了确保采用MLT-3编码时的传输质量,补偿必须能够根据安装环境适应不同的电缆长度和电缆类型。为给定的实施方案选择长电缆长度需要大量补偿,在包括较短、衰减较少的电缆长度的情况下,这将是过度杀伤。相反,选择需要较少补偿的短或中间电缆长度会导致较长电缆的严重补偿不足。因此,补偿或均衡必须是自适应的,以确保接收信号的适当调节与电缆长度无关。
MLT-3至NRZI解码器
DM9161将来自数字自适应均衡器的MLT-3信息解码为NRZI数据。NRZI和MLT-3数据之间的关系如图7-4所示。
时钟恢复模块
时钟恢复模块接收来自MLT-3到NRZI解码器的NRZI数据。时钟恢复模块锁定数据流并提取125MHz参考时钟。提取并同步的时钟和数据被提供给NRZI-to-NRZ解码器。
NRZI至NRZ
传输数据流需要进行NRZI编码,以便与通过5类非屏蔽双绞线电缆进行100Base-tx-ic/" title="100Base-TX">100Base-TX传输的TP-PMD标准兼容。此转换过程必须在接收端反转。NRZI到NRZ解码器从时钟恢复模块接收NRZI数据流,并将其转换为NRZ数据流以呈现给串行到并行转换块。
串并联
串并转换器从NRZI-NRZ转换器接收串行数据流,并将数据流转换为并行数据以呈现给解扰器。
解扰器
由于加扰过程需要控制发射数据流的辐射发射,所以接收机必须对接收数据流进行解扰。解扰器接收来自串并转换器的加扰并行数据流,解扰数据流,并将数据流呈现给代码组对齐块。
代码组对齐
代码组对齐块从解扰器接收未对齐的5B数据并将其转换为5B代码组数据。代码组对齐发生在检测到J/K之后,后续数据在固定边界上对齐。
4B5B解码器
4B5B译码器的功能是作为一个查找表,将传入的5B代码组转换为4B(半字节)数据。当接收帧时,接收到的前2个5位代码组是开始帧分隔符(J/K符号)。对J/K符号对进行了剥离,并替换了前序模式的两个半字节。最后两个代码组是帧结束分隔符(T/R符号)。
T/R符号对也从呈现给调节层的半字节中剥离。
10Base-T操作
10Base-T收发器符合IEEE 802.3u标准。当DM9161以10Base-T模式工作时,编码方案为曼彻斯特。为传输而处理的数据以半字节格式提供给MII接口,转换成串行比特流,然后进行曼彻斯特编码。接收时,曼彻斯特编码的比特流被解码并转换成半字节格式,以呈现给MII接口。
碰撞检测
对于半双工操作,当发送和接收信道同时激活时,会检测到冲突。当检测到碰撞时,MII接口上的COL信号将报告它。在全双工操作中禁用碰撞检测。
载波感应
在传输或接收数据期间,在半双工操作中断言载波检测(CRS)。在全双工模式下,仅在接收操作期间断言CRS。
自动协商
自动协商的目标是提供一种在段连接设备之间交换信息的方法,并自动配置两个设备以最大限度地利用它们的能力。需要注意的是,自动协商不会测试链路段特性。自动协商功能为设备提供了一种方法,用于向远程链路伙伴通告支持的操作模式,确认接收和理解通用操作模式,并拒绝不共享的操作模式。这允许段两端的设备以最佳的公共操作模式建立链路。如果两个设备之间存在不止一个公共模式,则提供一种机制,以允许设备使用预定优先级解析功能解析为单一操作模式。
自动协商
自动协商还为不支持自动协商功能的设备提供并行检测功能。在并行检测期间,不交换配置信息,而是检查接收信号。如果发现信号与接收设备支持的技术相匹配,将使用该技术自动建立连接。一个不支持自动协商模式的设备,但不支持此模式。
MII串行管理
MII串行管理接口由数据接口、基本寄存器集和寄存器集的串行管理接口组成。通过该接口,可以控制和配置多个PHY设备,获取状态和错误信息,并确定所连接的PHY设备的类型和功能。
DM9161管理功能对应于IEEE 802.3u-1995(第22条)的MII规范,适用于寄存器0至6以及供应商专用寄存器16、17、18、21、22、23和24。
在读/写操作中,管理数据帧的长度为64位,从MDC上的32个连续逻辑1位(前导码)同步时钟周期开始。帧分隔符(SFD)的开始由一个<01>模式表示,后跟操作代码(OP):<10>表示读取操作,<01>表示写入操作。对于读操作,为MDIO提供寄存器地址字段和数据字段之间的2位周转(TA)文件,以避免争用。在周转时间之后,从管理寄存器读取或写入16位数据。
串行管理接口
串行控制接口使用简单的两线串行接口,通过MII接口获取和控制物理层的状态。串行控制接口由MDC(管理数据时钟)和MDI/O(管理数据输入/输出)信号组成。
MDIO引脚是双向的,最多可由32个设备共享。
管理接口-读取帧结构

管理接口-写入帧结构

功率降低模式
信号检测电路始终打开,以监视媒体上是否有信号。当电缆断开时,DM9161将自动关闭电源并进入降功率模式,无论其运行模式是N路自动协商还是强制模式。在功率降低模式下,发射电路将以最小的功耗继续发送快速链路脉冲。如果从介质检测到有效信号,可能是N路快速链路脉冲、10Base-T正常链路脉冲或100Base-tx-ic/" title="100Base-TX">100Base-TX MLT3信号,则设备将唤醒并恢复正常工作模式。
自动降功率模式可以通过将0写入寄存器16.4来禁用。
断电模式
通过将Reg.0.11设置为1或将PWRDWN引脚拉高,进入断电模式,这将禁用除MDC/MDIO管理接口之外的所有发送和接收功能以及MII接口功能。
降低发射功率模式
通过在TX侧设计1.25:1匝比磁电阻,在BGRES和BGRESG引脚上使用8.5KΩ电阻,并将TX+/TX拉高电阻从50Ω改为78Ω,可获得额外的发射功率降低。这种配置可以减少大约20%的发射功率。
申请须知
网络接口信号路由
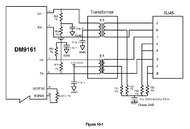
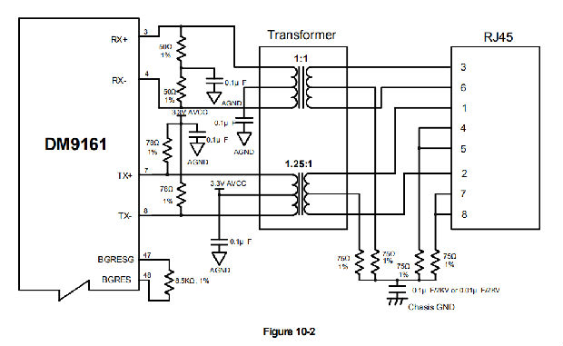
将变压器尽可能靠近RJ-45连接器。将所有50Ω电阻器尽可能靠近DM9161 RX±和TX±引脚。从RX±和TX±到变压器的线路应紧密成对地直接连接到变压器。设计者应该注意不要交叉发送和接收对。一如既往,应尽量避免过孔。除了RJ-45到变压器和变压器到DM9161之间的TX±和RX±对之外,网络接口应没有任何信号。不应该有电力或变压器网络侧下方区域的接地层,包括RJ-45连接器下的区域(参考图10-1和10-2)。保持底盘接地远离所有激活信号。RJ-45连接器和任何未使用的引脚应通过电阻分压器网络和2KV旁路电容器与底盘接地连接。
带隙电阻器应尽可能靠近引脚47和48(参考图10-1和10-2)。设计人员不应在带隙电阻位置附近运行任何高速信号。
10Base-T/100Base-tx-ic/" title="100Base-TX">100Base-TX应用

10Base-T/100Base-tx-ic/" title="100Base-TX">100Base-TX(功率降低应用)

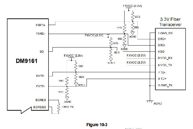
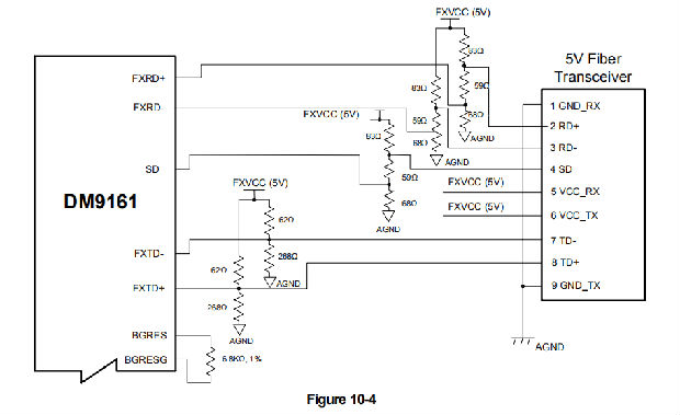
100Base-fx-ic/" title="100Base-FX">100Base-FX应用程序


功率去耦电容器
Davicom Semiconductor建议所有与位置的最佳距离小于3毫米)。所有电源引脚的去耦电容器按建议放置去耦电容器为0.1μF或0.01μF,尽可能靠近DM9161的电源板(根据设计布局要求)。

地平面布置
对于不符合特定FCC法规(第15部分)的卡,建议采用单接地平面方法。最小化电磁干扰。不良的接地平面划分可能导致图10-6和图10-7所示为建议的接地布局更多的EMI发射,这可能会使网络接口方案。


电源平面划分
电源平面应在图10-8和10-9中大致说明。使用的铁氧体磁珠在100MHz时的阻抗至少应为75Ω。一个合适的珠子是松下表面丘珠,零件号。
EXCL4532U或同等产品。10μF、0.1μF和0.01μF电解旁路电容器应连接在铁氧体磁珠每侧的DVDD和DGND之间。


磁学选择指南
变压器要求见表10-2。满足这些要求的变压器有各种各样的磁性制造商。设计师在应用中使用前,应测试和鉴定所有磁性材料。表10-2中列出的变压器是电气等效的,但可能不是针对脚等效。

安芯科创是一家国内芯片代理和国外品牌分销的综合服务商,公司提供芯片ic选型、蓝牙WIFI模组、进口芯片替换国产降成本等解决方案,可承接项目开发,以及元器件一站式采购服务,类型有运放芯片、电源芯片、MO芯片、蓝牙芯片、MCU芯片、二极管、三极管、电阻、电容、连接器、电感、继电器、晶振、蓝牙模组、WI模组及各类模组等电子元器件销售。(关于元器件价格请咨询在线客服黄经理:15382911663)
代理分销品牌有:ADI_亚德诺半导体/ALTBRA_阿尔特拉/BARROT_百瑞互联/BORN_伯恩半导体/BROADCHIP_广芯电子/COREBAI_芯佰微/DK_东科半导体/HDSC_华大半导体/holychip_芯圣/HUATECH_华泰/INFINEON_英飞凌/INTEL_英特尔/ISSI/LATTICE_莱迪思/maplesemi_美浦森/MICROCHIP_微芯/MS_瑞盟/NATION_国民技术/NEXPERIA_安世半导体/NXP_恩智浦/Panasonic_松下电器/RENESAS_瑞莎/SAMSUNG_三星/ST_意法半导体/TD_TECHCODE美国泰德半导体/TI_德州仪器/VISHAY_威世/XILINX_赛灵思/芯唐微电子等等
免责声明:部分图文来源网络,文章内容仅供参考,不构成投资建议,若内容有误或涉及侵权可联系删除。
Copyright © 2002-2023 深圳市安芯科创科技有限公司 版权所有 备案号:粤ICP备2023092210号-1