功能描述
LM7221是一个微功耗CMOS比较器微型5针SOT-23封装节省空间提供节省空间的5针SOT-23封装。包装厚度小于1.43 mm,这使得该比较仪成为空间和确保2.7V、5V、15V的规格提供重量关键型设计。LMC7221也是8针SOIC封装中,5V时的典型电源电流为7μA。LMC7221提供两个偏移电压等级,5 mV和155V mV时的响应时间为4μs。LMC7221漏极开路输出开路漏极输出可通过超过V−和V的输入共模范围向上拉+电阻的电压可以更高或更低输入电流比电源电压低,这使得零件有用对于混合电压系统。请申请一个带有推挽输出的微型比较器
混合电压电池供电产品见LMC7211数据表。
笔记本电脑和PDA
PCMCIA卡
移动通信
警报和安全电路
驱动低电流LED
直接传感器接口

(1) 绝对最大额定值表示设备可能发生损坏的极限值。工作额定值表示设备的预期功能,但具体性能无法保证。确保规范和测试条件,见电气特性。
(2) 人体模型,适用标准MIL-std-883,方法3015.7。机器型号,适用标准JESD22-A115-A(ESD MM标准场致电荷器件模型,适用标准JESD22-C101-C(JEDEC的ESD FICDM标准)。
(3) 所有限值均由试验或统计分析规定。
(4) 适用于单电源和分供操作。环境温度升高时持续短路操作可能导致超过最大允许结温150°C。超过±30 mA的输出电流可能对可靠性产生不利影响。
(5) 仅当输入电压超过绝对最大输入电压额定值时,才需要限制输入引脚电流。
(6) 最大功耗是TJ(MAX),θJA的函数。任何环境温度下的最大允许功耗为PD=(TJ(MAX)–TA)/θJA。所有数字适用于直接焊接到PC板上的封装。
2.7V电气特性
除非另有规定,否则应确保TJ=25°C,V+=2.7V,V−=0V,VCM=VO=V的所有限值+/2。粗体限制适用于极端温度

(1) 典型值表示表征时确定的最有可能的参数规范。实际典型值可能会有所不同随着时间的推移,也将取决于应用程序和配置。典型值未经测试,装运时也无法保证生产材料。
(2) 所有限值均由试验或统计分析规定。
(3) CL包括探头和测试夹具电容。
2.7V电气特性(续)
除非另有规定,否则应确保TJ=25°C,V+=2.7V,V−=0V,VCM=VO=V的所有限值+/2。粗体限制适用于极端温度。

5.0V和15.0V电气特性
除非另有规定,否则应确保TJ=25°C,V+=5.0V和15V,V−=0V,VCM=VO=V的所有限值+/2。粗体限制在极端温度下使用

(1) 典型值表示表征时确定的最有可能的参数规范。实际典型值可能会有所不同随着时间的推移,也将取决于应用程序和配置。典型值未经测试,装运时也无法保证生产材料。
(2) 所有限值均由试验或统计分析规定。
(3) CL包括探头和测试夹具电容
交流电气特性
除非另有规定,否则应确保TJ=25°C,V+=5V,V−=0V,VCM=VO=V的所有限值+/2。粗体限制适用于极端温度。

(1) 典型值表示表征时确定的最有可能的参数规范。实际典型值可能会有所不同随着时间的推移,也将取决于应用程序和配置。典型值未经测试,装运时也无法保证生产材料。
(2) 所有限值均由试验或统计分析规定。
(3) 当电压为V时,不要将输出短路到V++大于12V或可靠性将受到不利影响。
(4) 输入偏移电压平均漂移是用加速工作寿命VOS漂移除以等效工作时间来计算的。这个表示最坏情况下的输入条件,包括前30天的漂移。
典型性能特征


LMC7221微型比较器的优点大小5针SOT-23封装微型比较器的体积小(0.120 x 0.118英寸,3.05 x 3.00毫米)节省印刷电路板的空间,并使小型电子产品的设计成为可能。因为他们是便于携带,许多客户更喜欢体积更小、重量更轻的产品。
高度
微型比较器的高度(0.056英寸,1.43毫米)使它能够用于PCMCIAⅢ型卡。简化板布局这种微型比较器可以通过多种方式简化电路板布局。首先,把比较器放在需要比较器,而不是将信号路由到双或四路设备,可以避免长pc轨迹。通过使用多个微型比较器代替双或四元组,复杂的信号路由和可能的串扰可以减少。
低供电电流
LMC7221的典型7μA电源电流延长了便携式应用中的电池寿命,并允许在某些应用中减小电池的尺寸。
宽电压范围
LMC7221的特点是15V,5V和2.7V。在这些流行的电压下提供了性能数据。这种宽电压范围使得LMC7221是一个很好的选择,在设备的电压可能会随着寿命的变化电池。
代表信号电平的数字输出
比较器根据(+)和(−)输入的电压水平提供高或低数字输出。这个使比较器用于将模拟信号连接到微处理器和其他数字电路。这个LMC7221可以看作是一个位a/d转换器。
开漏输出
开路漏极输出类似于逻辑门的集电极开路输出。这使得LMC7221对于混合电压系统。
驱动LED(发光二极管)
在一个5伏的电源,LMC7221的输出下沉电流可以驱动小型,高效率的LED指示器和测试点电路。小包装的小尺寸使它很容易找到空间添加这个功能甚至紧凑的设计。
输入范围到超过轨到轨
LMC7221的输入共模范围略大于实际电源范围。这么宽输入范围意味着比较器可用于检测靠近电源轨的信号。这么宽输入范围可以通过消除分压器、放大器和其他前端电路使设计更容易以前用于将信号与早期比较器的有限输入范围相匹配。这对供电很有用监测电路需要感应自己的电源,并将其与参考电压进行比较接近电源电压。宽输入范围也可用于检测电池充电器的电流感应电阻器。
过零检测器
因为LMC7221的共模输入范围延伸到地面以下,即使是由一个正极供电电源,它可以使用大输入电阻作为过零检测器。低输入电流和高输入阻抗这些特性使得LMC7221可以用来检测来自传感器的高阻抗信号。他们也使使用LMC7221在带有大值电阻的定时电路中成为可能。这样可以降低功率定时电路的损耗。对于非常长的定时电路,使用高值电阻可以减小尺寸和成本在相同的R-C时间常数下的大值电容器。
直接传感器接口
LMC7221的宽输入电压范围和高阻抗使得直接与不使用放大器或偏置电路的传感器。在带有传感器的电路中,可以在几十到几百毫伏,LMC7221可以将传感器信号与适当小的参考信号进行比较电压。这可以在靠近地面或正极供电轨的地方进行。直接传感器接口可消除需要一个传感器信号放大器。消除放大器可以节省成本、空间和设计时间。
低压运行
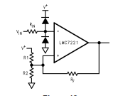
比较器是模拟信号与数字电路接口的常用器件。LMC7221有设计为在2.7V的电源电压下工作而不牺牲性能,以满足3V的要求数字系统。当电源电压为2.7V时,共模电压范围扩展到负电压以下200 mV(确保)供应。这个特性,除了比较器能够感应到正轨附近的信号外,是极其重要的适用于低压应用

图16。即使在2.7V的低电源电压下,也会出现超过电源电压的输入信号在输出端不产生相位反转
在V+=2.7V时,传输延迟为tPLH=4μs,tPHL=4μs,过电压为100mv。请参考性能曲线以了解更广泛的特性。

推挽输出将具有传统的高或低数字输出,与逻辑门相同。低将是负极供电轨(通常接地)和高压将是正极供电轨。这是有用的,如果你是接口芯片运行在同一电源电压比较器。一个例子将是一个全+5V系统。开路漏极输出仅对依赖于外部上拉电阻器的高输出拉低。这个罐子向上拉至高于或低于比较器电源电压的电压。这个电压可以高达15伏使开路漏极部件在混合电压系统中很有用。例如,比较器的运行位置5V,逻辑电路为3.3V。上拉电阻器将接入3.3V电源。开路漏极输出与开路集电极输出等效。
输出短路电流
LMC7221具有40毫安的短路保护。但是,它的设计不能承受连续短路电路、瞬态电压或电流峰值,或对电源以外的任何电压短路。与…串联的电阻器输出应能减少短路的影响。对于从PC板发送信号的输出,附加保护可以使用设备,如电源轨上的二极管和压敏电阻。
输入保护
如果输入信号很可能超过LMC7221的共模范围,或者很可能是当电源关闭时,可能会损坏LMC7221。大值(100 kΩ到MΩ)输入电阻可能通过限制输入电流来降低损坏的可能性。因为LMC7221具有非常低的输入泄漏电流,对精度的影响会很小。附加保护可能需要使用二极管,如中所示图18。注意二极管泄漏电流可能会影响正常运行期间的精度。RIN的R-C时间常数和二极管电容也会减慢响应时间。

布局注意事项
LMC7221不是一个特别快的比较器,所以不需要高速设计实践。这个LMC7221能够在非常高的阻抗输入下工作,因此应采取预防措施降低具有高阻抗(~100kΩ及以上)设计和电噪声环境中的噪声拾音器。保持高值电阻接近LMC7221,并尽量减小输入节点的大小是一个很好的做法。对于多层设计,尽量避免长回路,因为它可能充当电感器(线圈)。不靠近的传感器为了降低噪声,比较器可能需要双绞线或屏蔽连接。推挽输出,双版本LMC7211是一个类似于LMC7221的比较器,但具有推挽输出,可以产生电流。LMC7221的性能在双设备中可用。请参阅LMC6772产品介绍。为了双重身份具有推拉输出的设备,请参阅LMC6762产品介绍。轨间输入低功耗比较器-推挽输出
LMC7221 5针SOT-23,8针SOIC单芯
LMC6762 8针SOIC双
开漏输出
LMC7221 5针SOT-23,8针SOIC单芯
LMC6772 8针SOIC双
附加5针SOT-23微型设备
TI在节省空间的SOT-23微型封装中有额外的部件,包括放大器、电压
参考文献和电压调节器,包括:1MHz增益带宽轨对轨输入和输出放大器高输入阻抗和高增益700μA典型LMC7101电流2.7V,3V,5V和15V规格。低功率50 kHz增益带宽轨对轨输入和输出放大器,典型电流为25μA,规定电流为2.7V、LMC7111、3.0V、3.3V、5V和10V。LM7131微型视频放大器,70MHz增益带宽3V,5V和±5V规格。LP2980微功率SOT 50毫安超低压差调节器。LM4040精密微功率并联电压基准。固定电压为2.500V、4.096V、5.000V、8.192V和10.000V。LM4041精密微功率关断电压基准1.225V,可调。LM385低电流电压基准。1.2V和2.5V的固定电压。
安芯科创是一家国内芯片代理和国外品牌分销的综合服务商,公司提供芯片ic选型、蓝牙WIFI模组、进口芯片替换国产降成本等解决方案,可承接项目开发,以及元器件一站式采购服务,类型有运放芯片、电源芯片、MO芯片、蓝牙芯片、MCU芯片、二极管、三极管、电阻、电容、连接器、电感、继电器、晶振、蓝牙模组、WI模组及各类模组等电子元器件销售。(关于元器件价格请咨询在线客服黄经理:15382911663)
代理分销品牌有:ADI_亚德诺半导体/ALTBRA_阿尔特拉/BARROT_百瑞互联/BORN_伯恩半导体/BROADCHIP_广芯电子/COREBAI_芯佰微/DK_东科半导体/HDSC_华大半导体/holychip_芯圣/HUATECH_华泰/INFINEON_英飞凌/INTEL_英特尔/ISSI/LATTICE_莱迪思/maplesemi_美浦森/MICROCHIP_微芯/MS_瑞盟/NATION_国民技术/NEXPERIA_安世半导体/NXP_恩智浦/Panasonic_松下电器/RENESAS_瑞莎/SAMSUNG_三星/ST_意法半导体/TD_TECHCODE美国泰德半导体/TI_德州仪器/VISHAY_威世/XILINX_赛灵思/芯唐微电子等等
免责声明:部分图文来源网络,文章内容仅供参考,不构成投资建议,若内容有误或涉及侵权可联系删除。
Copyright © 2002-2023 深圳市安芯科创科技有限公司 版权所有 备案号:粤ICP备2023092210号-1