特点
•8通道保护低侧驱动器
–8个NMOS FET,带过电流保护
–集成感应捕捉二极管
–串行接口
–开路/短路负载检测(仅限DRV8860)
–可配置100%输出定时
–可配置PWM占空比
•连续电流驱动能力
–560mA(单通道开启)PW和PWP
–200mA(8个通道打开)PW
–330mA(8个通道开启)PWP
–支持并行配置
•8 V至38 V电源电压范围
•用于抗扰度的输入数字噪声滤波器
•内部数据回读功能,实现可靠控制
•保护和诊断功能
–过电流保护(OCP)
–开路负载检测(OL)
–超温停机(OTS)
–欠压锁定(UVLO)
–个别频道状态报告
–故障状态警报
应用
•继电器,单极步进电机
•电磁阀、电磁驱动器
•一般低压侧开关应用
•带调光功能的LED驱动器(DRV8860A)
说明
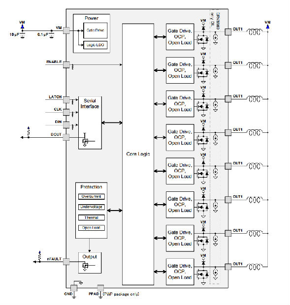
DRV8860提供8通道低侧驱动器,具有过电流保护和开路/短路负载检测。它有内置二极管来钳制感应负载产生的关断瞬态,并可用于驱动单极步进电机、直流电机、继电器、螺线管或其他负载。
PWP封装可提供高达330毫安×8通道,而PW封装可提供高达200毫安×8通道的连续输出电流。单通道可提供高达560毫安的连续输出电流。
提供一个串行接口来控制DRV8860输出驱动器,配置内部设置寄存器,读取每个通道的故障状态。DRV8860设备可以菊花链连接在一起,以使用单个串行接口。通电时间和保持PWM输出周期也可通过串行接口配置。这些功能允许运行比一直运行的解决方案更冷。
提供过流保护、短路保护、欠压闭锁和超温的内部停机功能。DRV8860A不包括开路负载检测。每个通道的故障信息可通过串行接口读出,并由外部故障引脚指示。
设备信息

(1)、有关所有可用的软件包,请参阅数据表末尾的医嘱内容附录。
简图


典型特征

详细说明
概述
DRV8860是一个集成的8通道低压侧驱动器,具有过电流保护和开路/短路检测功能。它有内置二极管来钳制感应负载产生的关断瞬态,并可用于驱动单极步进电机、直流电机、继电器、螺线管或其他负载。
DRV8860可提供高达200毫安x 8通道连续输出电流。电流驱动能力随脉宽调制占空比的降低而增加。单通道可提供高达560毫安的连续输出电流。有关详细信息,请参阅当前功能表。
提供一个串行接口来控制DRV8860输出驱动器,配置内部寄存器设置,并读取每个通道的故障状态。多个DRV8860设备可以菊花链连接在一起,以使用单个串行接口。通电时间和保持PWM占空比也可通过串行接口进行配置。这些功能允许运行比传统的始终在线解决方案更酷的运行。
提供过流保护、短路保护、欠压闭锁、过温等内部关断功能。DRV8860可以诊断开路负载状况。DRV8860A不包括开路负载检测。每个通道的故障信息可通过串行接口读出,并由外部故障引脚指示。
功能框图

特性描述
建议输出电流
DRV8860电流能力将取决于几个系统应用参数,如系统环境温度、最高外壳温度和总输出占空比。PWP封装通过PowerPAD提供了更好的散热能力™因此,是驱动更高输出电流的电缆,还是比PW封装中的器件工作温度稍低的电缆。



菊花链连接
两个或多个DRV8860设备可以连接在一起以使用单个串行接口。链中第一个设备的SDATOUT引脚连接到下一个设备的SDATOUT引脚。SCLK、LATCH、RESET和nFAULT引脚连接在一起。
图7和图8显示了单个设备以及菊花链连接中两个设备的配置时序图。


保护电路
DRV8860具有充分的保护,可防止欠压、过电流和过热事件。
过流保护(OCP)
当输出电流超过OCP触发电平时,相应通道自动关闭。nFault引脚将设置为低,故障寄存器中相应的OCP标志将设置为1。
通过将数据寄存器位设置为“0”,只要相应的输出关闭,过电流故障就会自动清除。或者,故障复位特殊命令也将清除该值。在这两种情况下,一旦故障寄存器中的所有位都被清除,nFAULT就会被释放。
开放式负载检测(OL)-仅限DRV8860
当任何输出处于关闭状态(相应的数据寄存器位设置为“0”)时,电流汇会以约30μa的电压拉低节点。如果检测到管脚上的电压小于1.2 V,则报告开路负载情况。nFAULT被驱动为低电平,对应于特定信道的故障寄存器(F8:F1)的OL位被设置。
通过将数据寄存器位设置为“1”,只要打开相应的输出,就会自动清除开路负载故障。或者,故障复位特殊命令也将清除该值。在这两种情况下,一旦故障寄存器中的所有位都被清除,nFAULT就会被释放。
热关机(TSD)
如果模具温度超过安全限值,所有输出将被禁用,并且nFAULT引脚将被驱动低。一旦模具温度降至安全水平,操作将自动恢复。恢复操作后,nFAULT引脚将被释放。
欠压锁定(UVLO)
如果在任何时候VM引脚上的电压低于欠压锁定阈值电压,设备中的所有电路将被禁用,内部逻辑将被重置。当VM高于UVLO阈值时,操作将恢复。在这种情况下,不会断言nFAULT。
数字噪声滤波器
DRV8860在所有数字输入上都有一个内部噪声滤波器。在噪声系统中,噪声可能干扰串行菊花链接口。如果没有输入滤波器,这种噪声可能会导致意外的行为或输出状态。数字输入滤波器能够消除不必要的噪声频率,同时允许通过串行接口进行快速通信。
设备功能模式
内部寄存器
DRV8860由一个简单的串行接口控制。在操作过程中使用三个寄存器组:数据寄存器、控制寄存器和故障寄存器。
寄存器数据的移动流和方向会受到特殊命令的影响。

在默认情况下,8位移位寄存器数据移到输出控制寄存器data-REG。

编程
串行控制接口
DRV8860使用菊花链串行接口。数据被锁存到闩锁引脚上升沿的寄存器中。数据在写入时在CLK的上升沿上时钟,在读取时在CLK的下降沿上时钟。
数据写入波形


故障寄存器读取波形


专项指挥
除了输出开/关控制和故障状态回读外,DRV8860还具有特殊功能,使系统更健壮或更省电。这些功能需要特殊命令来启动设备或配置内部寄存器。
有5个特殊命令:
1.写入控制寄存器命令
2.读取控制寄存器命令
3.读取数据寄存器命令
4.故障寄存器复位命令
5.PWM启动命令
CLK和插销上的特殊波形图案将发出特殊命令,如下所示:


写入控制寄存器
当发出写入控制寄存器命令时,以下串行数据将被锁存到定时和占空比控制寄存器中。


读取控制寄存器
当发出读取控制寄存器命令时,控制寄存器的内容将被复制到内部移位寄存器,随后的CLK将从DOUT pin移出该内容。这为系统提供了一种验证控制寄存器是否正确编程的机制。


读取数据寄存器
当发出Read Data Register命令时,内部输出数据寄存器的内容将被复制到内部移位寄存器,随后的CLK将从DOUT引脚移出该内容。这为系统验证输出数据是否正确编程提供了一种机制。它使系统在噪声环境下具有更强的鲁棒性。


故障寄存器复位
当发出故障寄存器复位命令时,内部16位故障寄存器将被清除。利用该方法,系统可以一次清除所有连锁设备中的故障。

特殊指令:PWM启动
当发出故障寄存器复位指令时,输出通道将忽略通电时间,并根据控制寄存器中的设置直接进入PWM模式。

输出通电和PWM控制
器件的输出分为两个阶段:通电阶段和PWM阶段。
在通电阶段,通道以100%占空比开启,持续时间由控制寄存器位C4:C1设置。
在PWM斩波阶段,PWM占空比由控制寄存器位C7:C5定义。
表4描述了控制寄存器中每个位的行为。

如图29至图33所示,共有五个操作案例。
输出以100%占空比接通。

输出在PWM斩波模式下开启,占空比由控制寄存器位C7:C5定义。

在由控制寄存器位C4:C1设置的持续时间内,以100%占空比的通电模式打开输出。定时器过期后,输出切换到PWM斩波模式,PWM占空比由控制寄存器位C7:C5定义。

在由控制寄存器位C4:C1设置的持续时间内,以100%占空比的通电模式打开输出。定时器过期后,输出关闭。
使用的PWM启动特殊命令
输出在100%占空比的通电模式下开启,定时器启用,持续时间由控制寄存器位C4:C1设置。如果在定时器到期前收到PWM启动特殊指令,则输出切换到PWM斩波模式,PWM占空比由控制寄存器位C7:C5定义。如果计时器过期且未收到PWM启动,则无论其他PWM启动命令如何,设备都将保持通电模式。

应用与实施
注意
以下应用章节中的信息不是TI组件规范的一部分,TI不保证其准确性或完整性。TI的客户负责确定组件的适用性。客户应验证和测试其设计实现,以确认系统功能。
申请信息
DRV8860是一款具有保护功能的八通道低端驱动器。以下设计是DRV8860的一个常见应用。
典型应用

设计要求

详细设计程序
驱动电流
电流路径是从虚拟机,通过负载,进入低侧下沉驱动器。用公式1计算了一个水槽中的功耗I2R损耗。

应用曲线

电源建议
DRV8860设计用于在8至38 V的输入电压(VM)范围内工作。额定用于VM的0.1-μF陶瓷电容器必须尽可能靠近VM引脚。除了局部去耦电容,还需要额外的大容量电容,并且必须根据应用要求调整大小。
体积电容大小是电机驱动系统设计中的一个重要因素。它取决于多种因素,包括:
•电源类型
•可接受的电源电压纹波
•电源线中的寄生电感
•荷载类型
•负载启动电流
电源和电机驱动系统之间的电感会限制电源电流的变化率。如果局部大容量电容太小,系统将对过大的电流需求作出响应,或者随着电压的变化而从电机中卸载。用户应调整大容量电容以满足可接受的电压纹波水平。
数据表通常提供建议值,但需要进行系统级测试以确定适当尺寸的大容量电容器。

电源和逻辑排序
DRV8860没有特定的通电顺序。在应用虚拟机之前,数字输入信号是可以存在的。在VM被应用到DRV8860之后,它根据控制引脚的状态开始运行。
布局
布局指南
•对于额定值为1μF的陶瓷电容器,建议使用额定值为0的陶瓷电容器。
•该电容器应尽可能靠近设备上的VM引脚,并与设备GND引脚有一个粗的迹线或接地平面连接。
•VM引脚必须使用适当的大容量电容器旁路接地。该部件必须位于DRV8860附近。
布局示例
其中,上拉电压(V3P3)是数字开漏输出建议工作条件范围内的外部电源。

热考虑
DRV8860设备具有热关机(TSD)部分所述的热关机(TSD)。如果模具温度超过约150°C,设备将被禁用,直到温度降至安全水平。
设备进入TSD的任何趋势都表明功率消耗过大、散热不足或环境温度过高。
功耗
DRV8860器件的功耗主要由输出FET电阻RDS(on)消耗的功率决定。使用下面的公式来计算运行负载时每个输出的估计平均功耗。

式中:
•PD是一个通道的功耗
•RDS(on)是每个FET的电阻
•IO是施加到每个通道的RMS输出电流
IO等于进入通道的平均电流。注意,在启动时,该电流远高于正常运行电流;还必须考虑这些峰值电流及其持续时间。
总的器件损耗是每个通道中消耗的功率加在一起。
装置中可消耗的最大功率取决于环境温度和散热量。
注意
RDS(on)随着温度的升高而增加,因此随着器件的加热,功耗也随之增加。在确定散热器尺寸时必须考虑到这一点。
散热
PowerPAD包使用暴露的焊盘来去除设备中的热量。为了正确操作,该焊盘必须与PCB上的铜热连接以散热。在具有接地板的多层PCB上,这种连接可以通过添加多个通孔来完成,以将热垫连接到接地层。
在没有内部平面的PCB上,可以在PCB的任一侧添加一个铜区域来散热。如果铜区在PCB的另一侧,热通孔用于在顶层和底层之间传递热量。
安芯科创是一家国内芯片代理和国外品牌分销的综合服务商,公司提供芯片ic选型、蓝牙WIFI模组、进口芯片替换国产降成本等解决方案,可承接项目开发,以及元器件一站式采购服务,类型有运放芯片、电源芯片、MO芯片、蓝牙芯片、MCU芯片、二极管、三极管、电阻、电容、连接器、电感、继电器、晶振、蓝牙模组、WI模组及各类模组等电子元器件销售。(关于元器件价格请咨询在线客服黄经理:15382911663)
代理分销品牌有:ADI_亚德诺半导体/ALTBRA_阿尔特拉/BARROT_百瑞互联/BORN_伯恩半导体/BROADCHIP_广芯电子/COREBAI_芯佰微/DK_东科半导体/HDSC_华大半导体/holychip_芯圣/HUATECH_华泰/INFINEON_英飞凌/INTEL_英特尔/ISSI/LATTICE_莱迪思/maplesemi_美浦森/MICROCHIP_微芯/MS_瑞盟/NATION_国民技术/NEXPERIA_安世半导体/NXP_恩智浦/Panasonic_松下电器/RENESAS_瑞莎/SAMSUNG_三星/ST_意法半导体/TD_TECHCODE美国泰德半导体/TI_德州仪器/VISHAY_威世/XILINX_赛灵思/芯唐微电子等等
免责声明:部分图文来源网络,文章内容仅供参考,不构成投资建议,若内容有误或涉及侵权可联系删除。
Copyright © 2002-2023 深圳市安芯科创科技有限公司 版权所有 备案号:粤ICP备2023092210号-1