1、特征
额定温度范围为−55°C至130°C
在−55°C到130°C的温度范围内提供SC70和DSBGA封装。电源工作
可预测曲率误差
适用于远程应用
30°C±1.5至±4°C时的精度(最大值)
130°C和−55°C±2.5至±5°C时的精度(最大值)
电源电压范围2.4 V至5.5 V
电流消耗10μA(最大)
非线性±0.4%(典型)
输出阻抗160Ω(最大)
负荷调节0毫安<IL<16毫安-2.5毫伏(最大)
2、应用
移动电话
计算机
电源模块
电池管理
传真机
打印机
暖通空调
磁盘驱动器
器具
3、说明
LM20是一种精密模拟输出CMOS集成温度传感器高于−55°C至130°C。电源工作量程为2.4v~5.5v。LM20的传递函数主要是线性的,但有一点可预测性抛物线曲率。当抛物线传递函数的规定值为±1.5°C环境温度为30°C误差线性增加,达到最大值在极端温度范围下为±2.5°C。这个温度范围受电源影响电压。在2.7 V至5.5 V的电源电压下,极端温度范围为130°C−55°C。将电源电压降至2.4 V将负极端更改为−30°C,而正极端温度保持在130°CLM20的静态电流小于10μA因此,在静止空气中,自加热温度低于0.02°C。LM20的关闭能力是固有的,因为其固有的低功耗使其直接由许多逻辑门的输出供电或无需关闭
绝对最大额定值
超出工作自由空气温度范围(除非另有说明)(1)(2)

(1) 超过绝对最大额定值的应力可能会对设备造成永久性损坏。这些是压力等级仅适用于以下情况,不意味着设备在这些条件下或在推荐条件以外的任何其他条件下运行操作条件。长时间暴露在绝对最大额定条件下可能会影响设备的可靠性。
(2) 焊接工艺必须符合TI的回流焊温度曲线规范。参考http://www.ti.com/packaging。
(3) 当任何引脚的输入电压(VI)超过电源(VI<GND或VI>V+),该引脚的电流应限制在5毫安。
电气特性:LM20B
除非另有说明,否则这些规范适用于V+=2.7 VDC。所有限值TA=TJ=TMIN至TMAX,除非另有说明。

(1) 确保TI的AOQL(平均出货质量水平)有限制。
(2) 典型值为TJ=TA=25°C,代表最有可能的参数规范。
(3) 精度是指在规定的电压、电流和温度(用°C表示)。
电气特性:LM20B(续)
除非另有说明,否则这些规范适用于V+=2.7 VDC。所有限值TA=TJ=TMIN至TMAX,除非另有说明。
(4) 非线性是指计算出的输出电压与温度曲线与最佳拟合直线的偏差规定的温度范围。
(5) LM20最多可吸收1μA源16μA。
(6) 负载调节或输出阻抗规格适用于2.4 V至5.5 V的电源电压范围。
(7) 调节是在恒定的结温下,使用低占空比的脉冲测试来测量的。加热引起的输出变化效应可以通过内部耗散乘以热阻来计算。
(8) 通过从最低的输出电压减去最高电源输入电压下的输出电压来计算线路调节电源输入电压。
电气特性:LM20C
除非另有说明,否则这些规范适用于V+=2.7 VDC。所有限值TA=TJ=TMIN至TMAX,除非另有说明。

(1) 确保TI的AOQL(平均出货质量水平)有限制。
(2) 典型值为TJ=TA=25°C,代表最有可能的参数规范。
(3) 精度是指在规定的电压、电流和温度(用°C表示)。
(4) 非线性是指计算出的输出电压与温度曲线与最佳拟合直线的偏差规定的温度范围。
(5) LM20最多可吸收1μA源16μA。
(6) 负载调节或输出阻抗规格适用于2.4 V至5.5 V的电源电压范围
电气特性:LM20C(续)
除非另有说明,否则这些规范适用于V+=2.7 VDC。所有限值TA=TJ=TMIN至TMAX,除非另有说明。

(7) 调节是在恒定的结温下,使用低占空比的脉冲测试来测量的。加热引起的输出变化效应可以通过内部耗散乘以热阻来计算。
(8) 通过从最低的输出电压减去最高电源输入电压下的输出电压来计算线路调节电源输入电压。
详细说明
概述
LM20器件是一种精密模拟输出CMOS集成电路温度传感器,它在温度范围为−55°C至130°C。电源工作范围为2.4 V至5.5 V。传输函数LM20主要是线性的,但有轻微的可预测的抛物线曲率。当在环境温度为30°C时,抛物线传递函数的规定值通常为±1.5°C误差线性增加,在LM20的极端温度范围内达到最大±2.5°C。这个温度范围受电源电压的影响。在2.7 V至5.5 V的电源电压下极端温度范围为130°C和−55°C。将电源电压降低到2.4 V会改变负极端至−30°C,而正极端保持在130°C。LM20的静态电流小于10μA。因此,在静止空气中,自加热温度低于0.02°C。关闭LM20的性能是固有的,因为它固有的低功耗允许它直接供电从许多逻辑门的输出或,根本不需要关闭。该温度传感元件由一个简单的基极发射极结组成,该基极发射极结由电流源。然后,温度传感元件由放大器缓冲并提供给输出引脚。该放大器具有简单的a类输出级,因此可提供可源于16μa的低阻抗输出下沉1μA。

功能描述
LM20传递函数
LM20传递函数可以用不同的方法描述,精度也不同。简单的线性25°C附近具有良好精度的传递函数为:VO=−11.69毫伏/°C×T+1.8663伏(1)在−55°C到130°C的整个工作温度范围内,使用抛物线传递函数。
VO=(−3.88×10−6×T2)+(−1.15×10−2×T)+1.8639(2)使用方程式2,可以生成以下温度-电压输出特性表。


申请信息
LM20的特性使其适用于许多一般的温度传感应用。多个程序包选项扩展其灵活性。
电容性负载
LM20能够很好地处理电容性负载。在没有任何预防措施的情况下,LM20可以驱动任何电容性负载大于300 pF,如图2所示。在规定的温度范围内,LM20具有最大输出阻抗160Ω。在非常嘈杂的环境中,可能需要添加一些滤波来最小化噪音传感器。建议从V添加0.1μF+接地以绕过电源电压,如如图4所示。在嘈杂的环境中,甚至可能需要在输出端添加一个电容器用串联电阻器接地,如图4所示。最大输出为160Ω的1μF输出电容器阻抗和一个200Ω串联电阻将形成一个442赫兹的低通滤波器。因为热时间常数LM20的速度慢得多,LM20的整体响应时间不会受到明显影响。在电路输出上施加瞬态负载电流的情况下,串联电阻值可能为增加以补偿可能观察到的任何响声。

LM20 DSBGA感光度
将LM20 DSBGA封装暴露在明亮的阳光下可能会导致LM20的输出读数下降1.5 V.在荧光灯照明的正常办公环境中,输出电压受影响最小(小于a毫伏降)。无论哪种情况,TI建议将LM20 DSBGA放置在某种类型的外壳内这样可以减少光照。大多数底盘提供了足够的保护。LM20无法维持光照造成永久性损伤。移除光源将导致LM20的输出电压恢复到适当的值。
典型应用
单节锂离子电池组工作的全量程摄氏度(摄氏)温度传感器(−55°C至130°C)LM20的供电电流很低,供电范围很广;因此,它可以很容易地由电池驱动如图5所示。

设计要求
因为LM20是一个简单的温度传感器,提供模拟输出,所以设计要求相关布局比电气要求更重要。有关详细说明,请参阅布局部分。
详细设计程序
LM20传递函数可以用不同的方法描述,精度也不同。简单的线性25°C附近具有良好精度的传递函数为:VO=−11.69毫伏/°C×T+1.8663伏(4)在−55°C到130°C的整个工作温度范围内,使用抛物线传递函数。VO=(−3.88×10−6×T2)+(−1.15×10−2×T)+1.8639(5)

二次方程的另一种选择是使用最小二乘法确定二阶传递函数:T=(−2.3654×vo2)+(−78.154×VO)+153.857
T为温度,单位为°C,VO为输出电压,单位为伏特。(七)通过计算一个线性的温度传递函数,可以得到一个有限的温度变化范围在这个范围内的最佳结果。线性传递函数可由LM20。线性传递函数的斜率可使用方程式8计算:m=−7.76×10−6×T−0.0115,
T是感兴趣温度范围的中间值,m以V/°C为单位。(8)例如,对于温度范围TMIN=−30至TMAX=100°C:温度=35°C(9)和m=−11.77毫伏/摄氏度(10)线性传递函数的偏移量可使用方程式11方程计算:b=(VOP(TMAX)+VOP(T)−m×(TMAX+T))/2
VOP(TMAX)是使用VO的抛物线传递函数在TMAX处计算的输出电压•VOP(T)是使用VO的抛物线传递函数在T处计算的输出电压。(十一)表3计算了许多常用温度范围的最佳拟合线性传递函数。如所示表3,线性传递函数引入的误差随温度范围的增大而增大。


设计要求
使用基准(LM4040)和比较器(LM7211)可以创建一个简单的恒温器,如中所示图7。
详细设计程序
可以使用方程式12和方程式13计算阈值。

系统示例
停机时保持功耗
LM20消耗的电力非常少;因此,它可以简单地关闭,通过驱动其电源引脚的输出一个逻辑门,如图9所示。

模数转换器输入级
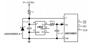
ASIC中发现的大多数CMOS ADC都有采样数据比较器输入结构,这是臭名昭著的悲伤到模拟输出设备,如LM20和许多运算放大器。造成这种悲痛的原因是ADC中输入采样电容的瞬时充电要求。这个要求很容易通过增加一个电容器来容纳。因为并非所有的ADC图10都有相同的输入级,所以充电要求会有所不同,因此需要不同的补偿电容值。此ADC显示为仅供参考。如果需要数字输出温度,请参阅LM74等设备。

电源建议
LM20具有非常宽的2.4-V到5.5-V的电源电压范围,这是许多应用的理想选择。在在嘈杂的环境中,TI建议从V+到GND至少增加0.1μF以绕过电源电压。可能需要更大的电容,这取决于电源噪声。
布局
布局指南
与其他集成电路温度传感器一样,LM20可以轻松应用。可以用胶水粘起来或者粘在表面上。LM20感测的温度在LM20引线所连接的表面温度。实现集成电路温度传感器假定环境空气温度几乎为与表面温度相同;如果空气温度远高于或低于表面温度,实际测量的温度应处于表面温度和空气温度。为了确保良好的导热性,LM20模具的背面直接连接到销2 GND上。这个地面温度和LM20其他引线的痕迹也会影响温度感觉到了。或者,LM20可以安装在密封端金属管内,然后可以浸入槽中或拧进油箱的螺纹孔里。与任何集成电路一样,LM20及其附带的线路和电路必须保持绝缘干燥,防止泄漏和腐蚀。如果电路可能在低温下工作,这一点尤其正确可能发生冷凝的温度。印刷电路涂层和清漆,如保形涂层环氧漆或浸渍剂通常用于确保湿气不会腐蚀LM20或其连接件。

热因素
热阻结对环境温度(RθJA)是用来计算器件结温升的参数因其功耗而产生的温度。对于LM20,用于计算模具上升的方程式温度如下:TJ=TA+RθJA[(V+IQ)+(V+-VO)IL]
IQ是静态电流和IL
是输出端的负载电流。因为LM20的结温是测量实际温度时,注意尽量减小LM20所需的负载电流开车。
安芯科创是一家国内芯片代理和国外品牌分销的综合服务商,公司提供芯片ic选型、蓝牙WIFI模组、进口芯片替换国产降成本等解决方案,可承接项目开发,以及元器件一站式采购服务,类型有运放芯片、电源芯片、MO芯片、蓝牙芯片、MCU芯片、二极管、三极管、电阻、电容、连接器、电感、继电器、晶振、蓝牙模组、WI模组及各类模组等电子元器件销售。(关于元器件价格请咨询在线客服黄经理:15382911663)
代理分销品牌有:ADI_亚德诺半导体/ALTBRA_阿尔特拉/BARROT_百瑞互联/BORN_伯恩半导体/BROADCHIP_广芯电子/COREBAI_芯佰微/DK_东科半导体/HDSC_华大半导体/holychip_芯圣/HUATECH_华泰/INFINEON_英飞凌/INTEL_英特尔/ISSI/LATTICE_莱迪思/maplesemi_美浦森/MICROCHIP_微芯/MS_瑞盟/NATION_国民技术/NEXPERIA_安世半导体/NXP_恩智浦/Panasonic_松下电器/RENESAS_瑞莎/SAMSUNG_三星/ST_意法半导体/TD_TECHCODE美国泰德半导体/TI_德州仪器/VISHAY_威世/XILINX_赛灵思/芯唐微电子等等
免责声明:部分图文来源网络,文章内容仅供参考,不构成投资建议,若内容有误或涉及侵权可联系删除。
Copyright © 2002-2023 深圳市安芯科创科技有限公司 版权所有 备案号:粤ICP备2023092210号-1