一般说明
LM95221是中的双远程二极管温度传感器一个8导联的MSOP软件包。的2线串行接口LM95221与SMBus 2.0兼容。LM95221罐感应三个温度区,它可以测量自己的模具和两个二极管连接的晶体管的温度。二极管连接的晶体管可以是热二极管如在奔腾和AMD处理器中发现的,或者可以简单地二极管连接的MMBT3904晶体管。远程温度读数的LM95221解析格式可编程为10位加号或11位无符号。在无符号模式LM95221远程二极管读数可以解析温度高于127°C。本地温度读数的分辨率为9位加号。任何一个ASIC的温度都可以精确地确定只要目标芯片上有专用二极管(半导体结),就可以使用LM95221。LM95221遥感器精度为±1˚C的工厂调整为串联电阻为2.7欧姆,非理想系数为1.008。
特征
准确地感知远程IC的模具温度或二极管结
远程二极管故障检测
车载局部温度传感
远程温度读数:-0.125摄氏度LSb-可编程分辨率11位加10位符号-11位解析高于127°C的温度
局部温度读数:-0.25摄氏度-9位加号
状态寄存器支持
可编程转换率允许用户优化
耗电量
停机模式一次转换控制
SMBus 2.0兼容接口,支持超时
8针MSOP封装
主要规格
局部温度精度
TA=0˚C至85˚C±3.0˚C(最大值)
远程二极管温度精度
TA=30摄氏度至50摄氏度,TD=45摄氏度至85摄氏度±1.0摄氏度(最高)
TA=0˚C至85˚C,TD=25˚C至140˚C±3.0˚C(最大)
电源电压3.0 V至3.6 V
电源电流2 mA(典型值)
应用
处理器/计算机系统热管理(例如笔记本电脑、台式机、工作站、服务器)
电子测试设备
办公电子设备

绝对最大额定值(注1)
电源电压−0.3 V至6.0 V
SMBDAT处的电压,SMBCLK−0.5V至6.0V
其他针脚处的电压−0.3 V至(VDD+0.3 V)
D−输入电流±1 mA
所有其他引脚的输入电流(注2)±5 mA
机组输入电流(注2)30 mA
SMBDAT输出漏电流10毫安
储存温度−65˚C至+150˚C
焊接信息,铅温度
MSOP-8包(注3)
气相(60秒)215˚C
红外线(15秒)220˚C
静电放电敏感性(注4)
人体模型2000V
机器型号200 V
运行额定值(注1、5)
工作温度范围0˚C至+115˚C
电气特性
温度范围TMIN≤TA≤TMAX
LM95221cmm 0˚C≤TA≤+85˚C
电源电压范围(VDD)+3.0V至+3.6V
温度-数字转换器特性
除非另有说明,否则这些规范适用于VDD=+3.0Vdc至3.6Vdc。黑体限值适用于TA=TJ=TMIN≤TA≤TMAX;所有其他限值TA=TJ=+25˚C,除非另有说明。TJ是LM95221的结温。TD是远端热二极管的结温。

逻辑电气特性
数字直流特性除非另有说明,否则这些规范适用于VDD=+3.0至3.6 Vdc。黑体lim 其适用于TA=TJ=TMIN到TMAX;所有其他限值TA=TJ=+25˚C,除非另有说明。

除非另有说明,否则这些规范适用于VDD=+3.0 Vdc至+3.6 Vdc,CL(负载电容),输出线=80 pF。黑体字限值适用于TA=TJ=TMIN至TMAX;所有其他限值TA=TJ=+25˚C,除非另有说明。LM95221的交换特性完全满足或超过SMBus 2.0版的已发布规范。以下参数是与LM95221相关的SMBCLK和SMBDAT sig之间的时序关系。它们遵循但不一定是SMBus总线规范。


注1:绝对最大额定值表示设备可能发生损坏的极限值。操作时,直流和交流电气规格不适用装置超出其额定工作条件。
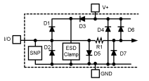
注2:当任何引脚的输入电压(VI)超过电源(VI<GND或VI>VDD)时,该引脚的电流应限制在5 mA。LM95221引脚的寄生元件和/或ESD保护电路如下图所示。D4的标称击穿电压为6.5 V。小心不应使引脚D1+上的寄生二极管D1正向偏压:D1+、D2+、D1-、D2-。如果超过50 mV,可能会损坏温度测量。

注:“x”表示指定管脚存在元件。SNP指的是一种回接设备。

注3:请参阅URL“http://www.national.com/packaging/其他建议和方法焊接表面贴装设备。
注4:人体模型,100pF通过1.5kΩ电阻放电。机器型号,200pF直接放电到每个引脚。
注5:当用2盎司箔纸连接到印刷电路板上时,与环境的热阻连接:–MSOP-8=210˚C/W
注6:典型值为TA=25°C,代表最有可能的参数标准。
注7:限值保证为国家AOQL(平均出厂质量水平)。
注8:局部温度精度不包括自热效应。自热引起的温度上升是内部动力的产物LM95221的损耗和热阻。热电阻计算见注(5)。
注9:当使用非理想度为1.008且系列R=2.7Ω的热二极管时,LM95221CIMM的精度得到保证。当使用MMBT3904型晶体管作为热二极管,误差带将偏移-3.25˚C
注10:使用SMBU时,静态电流不会显著增加。
注11:本规范仅用于说明温度数据的更新频率。LM95221可以在任何时候读取而不考虑转换状态(并将产生最后的转换结果)。
注12:输出上升时间从(VIN(0)最大值+0.15V)到(VIN(1)最小值−0.15V)。
注13:输出下降时间从(VIN(1)min-0.15V)测量到(VIN(1)min+0.15V)。
注14:将SMBDAT和/或SMBCLK线保持在低位的时间间隔大于tTIMEOUT将重置LM95221的SMBus状态机,因此设置SMBDAT和SMBCLK引脚处于高阻抗状态。
典型性能特征

功能描述
LM95221是一种数字传感器,可以使用sigma-delta模数转换器检测3个热区的温度转换器。它可以测量其局部模具温度和两个二极管连接的MMBT3904晶体管的温度使用∆Vbe温度传感方法。2线串行LM95221的接口与SMBus 2.0和I2C。有关详细信息,请参阅SMBus 2.0规范I2C总线与SMBus。温度转换率可编程用户优化LM95221的电流消耗符合系统要求。LM95221可以放置在当不需要温度数据时,停机以最大限度地降低功耗。在关机状态下,单次转换模式允许系统控制转换率为终极灵活性。远程二极管温度分辨率为11位可编程为11位无符号或10位加号。两种分辨率的最低有效位(LSb)权重为0.125℃。无符号分辨率允许远程二极管感测温度高于127℃。当地温度分辨率不可编程,始终为9位加号最低温度为0.25摄氏度。LM95221远程二极管温度精度为普雷斯科特处理器的热二极管和只有使用此二极管时,才能保证精度。LM95221中的二极管故障检测电路可以检测是否存在远程二极管:D+是否对VDD短路,D-或地面,或D+是否浮动。LM95221寄存器集具有8位数据结构和
包括:
1.最高有效字节(MSB)本地温度寄存器
2.最低有效字节(LSB)本地温度寄存器
3.MSB远程温度1寄存器
4.LSB远程温度1寄存器
5.MSB远程温度2寄存器
6.LSB远程温度2寄存器
功能描述(续)
7.状态寄存器:忙,二极管故障
8.配置寄存器:分辨率控制、转换速率控制,备用控制
9.单发寄存器
10.制造商ID
11.修订ID
转换顺序
LM95221转换本地温度、远程温度1和2,以及更新它的所有寄存器。只有在转换过程中,状态寄存器(02h)中的忙位(D7)才是高电平。这些转换以循环顺序进行处理。转换率可由配置寄存器(03h)中的转换率位修改。当转换率被修改时,会插入一个延迟在转换之间,实际转换时间保持为66ms(每个远程26 ms,本地14 ms)。不同的转换率将导致LM95221绘制不同电流供应量如图2所示。

开机默认状态
LM95221总是通电到这些已知的默认状态。LM95221在这些州直到第一次转换。
1.命令寄存器设置为00h
2.当地温度设置为0˚C
3.远程二极管温度设置为0˚C,直到第一次转换
4.状态寄存器取决于热二极管输入的状态
5.配置寄存器设置为00h;连续转换,时间=66ms
SMBus接口
SMB221在LMU上操作,所以SMBCLK行是一个输入,SMBDAT行是双向的。LM95221从不驱动SMBCLK系列和它不支持时钟拉伸。据SMBus说规格,LM95221有一个7位从机地址。全部位A6到A0是内部编程的,不能被软件或硬件改变的。LM95221有以下SMBus从属地址:
温度数据格式
温度数据只能从本地和远程温度寄存器。远程温度数据由一个11位2的带LSb的补码字或无符号二进制字(最低有效位)等于0.125℃。数据格式为左对齐16位字在两个8位寄存器中可用。未使用的位将始终报告“0”。

本地温度数据用10位2表示
LSb(最低有效位)等于的补码字0.25°C。数据格式为左对齐16位字,可在两个8位寄存器中使用。未使用的位将始终报告“0”。高于+127.875˚C的局部温度读数夹持到+127.875˚C时,温度读数将为负值。


SMBDAT开漏输出
SMBDAT输出是开路漏极输出,而不是有内部引体。在上不会观察到“高”水平这个引脚直到上拉电流是由外部提供的电源,通常为上拉电阻器。电阻值的选择取决于许多系统因素,但一般来说,上拉电阻器应尽可能大而不影响SMBus所需的数据速率。这将最小化任何内部内部加热导致的温度读数错误LM95221。上拉的最大阻力2.1V高电平,基于LM95221规格电源电压为3.0V时的电平输出电流为
82kΩ(5%)或88.7kΩ(1%)。
二极管故障检测
LM95221配备了设计的操作电路检测有关遥控二极管的故障情况。在检测到D+触针对地短路的事件,D−,VDD或D+浮动,远程温度读数为–128.000˚C,如果选择签名格式,则+255.875已选择无符号格式。此外,适当的设置状态寄存器位RD1M或RD2M(D1或D0)。
与LM95221通信
LM95221中的数据寄存器由命令寄存器。通电时,命令寄存器设置为“00”,读取本地温度的位置注册。命令寄存器锁存它的最后一个位置设置为。LM95221中的每个数据寄存器归为一个四种类型的用户可访问性:
1.只读
2.只写
3.读/写同一地址
4.写/读不同的地址
写入地址221总是包含LMA地址以及命令字节。对任何寄存器的写入都需要一个数据字节。
读取LM95221可以通过两种方式之一进行:
1.如果锁定在命令寄存器中的位置是正确的(大多数情况下,命令寄存器中最常被读取的温度点是从LM95221),那么读取可以简单地包括地址字节,后跟检索数据字节。
2.如果需要设置命令寄存器,则地址字节,命令字节,重复启动,等等地址字节将完成读取。数据字节首先具有最高有效位。在结束时一读,LM95221可以接受确认或否来自主机的确认(通常不确认作为从设备的信号,主设备已读取其最后一个字节)。它需要LM95221 66毫秒来测量远程二极管和内部二极管的温度。从先前的远程二极管温度测量中检索所有11位,主机必须确保所有11位从相同的温度转换而来。这可能是通过先读取MSB寄存器来实现。LSB将是读取MSB后锁定。LSB将在正在阅读。如果用户连续读取MSB,则每次读取MSB,LSB与该温度关联将被锁定并覆盖以前的LSB值锁定。

功能描述(续)
串行接口复位
如果SMBus主服务器在LM95221正在SMBDAT线路上传输,即LM95221必须返回到通信中的已知状态协议。这可以通过以下两种方式之一进行:
1.当SMBDAT低时,LM95221 SMBus状态如果SMB DAT或SMBCLK保持低位超过35ms,则计算机重置为SMBus空闲状态(t超时)。注意,根据SMBus规范
当SMBCLK
或SMBDAT线路保持低25-35ms。因此,到确保总线上所有设备的超时SMBCLK或者SMBDAT线路必须保持在低位至少35ms。
2.当SMBDAT为高时,让主机启动SMBus启动。LM95221将正确响应通信过程中任何点的SMBus启动条件。启动后,LM95221将需要一个SMBU地址地址字节。
一次性转换
一次性寄存器用于启动单个转换以及设备处于待机状态时的比较周期,之后设备将返回待机状态。这不是数据寄存器,它是导致单次触发的写入操作转换。写入此地址的数据与未存储。将始终从该寄存器中读取0
LM95221寄存器
命令寄存器选择从哪个寄存器读取或写入哪个寄存器。此寄存器的数据应在SMBus写入通信的命令字节。


温度数据:LSb=0.125˚C。
出于数据同步的目的,如果用户希望同时读取MSB和LSB寄存器,则应首先读取MSB寄存器。
读取MSB后,LSB将被锁定。LSB被读取后将被解锁。如果用户连续读取msb,在LSB中覆盖前一个LSB值,并且每个LSB都将被锁定锁定。
应用程序提示
LM95221的使用方法与其他集成电路温度传感器及其遥控器二极管感应能力允许它以新的方式使用好。它可以焊接到印刷电路板上,因为最佳热导率路径在模具和销,其温度将有效地印刷电路板焊接到LM95221的别针。这假设环境空气温度几乎等于印刷电路板;如果空气温度高得多或低于表面温度,LM95221模具的实际温度将处于表面温度和空气温度之间的中间温度。再说一次主要的热传导路径是通过引线,所以电路板温度对模具温度的影响比空气温度大得多。要测量LM95221模具外部的温度,请使用一个遥控二极管。此二极管可位于目标IC,允许测量IC的温度,与LM95221的温度无关。LM95221已优化用于测量远程热二极管非理想值为1.008,串联电阻为2.7Ω。90纳米奔腾4处理器上的热敏二极管流程的典型非理想性为1.011串联电阻为3.33Ω。因此,当测量这个值时带有LM95221典型偏置+1.5˚C的热敏二极管将被观察。这种偏移可以通过以下方式轻松补偿从LM95221的读数中减去1.5摄氏度。离散的二极管也可以用来感测外部的温度物体或环境空气。记住离散二极管的温度会受到导线的温度。大多数硅二极管并不适合于此应用程序。建议2N3904晶体管基极发射极结与基地。当测量连接2N3904的二极管时LM95221,将观察到-3.25˚C的偏移。这个偏移量可以简单地添加到LM95221的读数:T2N3904=TLM95221+3.25˚C
二极管非理想性
二极管非理想因素对精度的影响
当晶体管作为二极管连接时变量VBE、T和If的关系成立

q=1.6x10−19库仑(电子电荷)
T=绝对温度(开氏度)
k=1.38x10−23焦耳/k(玻尔兹曼常数)
η是二极管过程的非理想因素
制造日期:IS=饱和电流,与工艺有关
如果=通过基极发射极结的正向电流
VBE=基极发射极电压降
在活跃区,-1项可以忽略不计,可能是消除,得到以下方程式

在上述方程中,η和IS取决于用于制造特殊材料的工艺二极管。通过以非常可控的比率(N)施加两个电流并且测量产生的电压差,这是可能的以消除IS术语。求解正向电压差异产生关系:
LM95221的电压也包括IFRS
串联电阻的电压降。非理想因素,η、 是唯一一个未考虑的参数,取决于用于测量的二极管。因为∆VBE与η和T成比例,η的变化无法与温度变化区分开来。由于非理想因素不受温度传感器的控制,它将直接增加传感器。对于奔腾4和移动奔腾处理器-M英特尔指定η在各部件之间的变化为±0.1%。作为一个例如,假设温度传感器具有精确性在25℃室温下的±1˚C和用于制造二极管的工艺具有非理想性变化±0.1%。室温下温度传感器的最终精度为:TACC=±1˚C+(±0.1%的298˚K)=±1.4˚C温度测量中的附加误差如果每个温度传感器用与之配对的遥控二极管进行校准。

应用提示(续)
二极管非理想性补偿
为了补偿非理想性带来的误差,对温度传感器进行了特殊的标定处理器。国家半导体温度传感器始终校准到给定处理器类型的典型非理想状态。LM95221校准为非理想1.008和2.7Ω的串联电阻。当温度针对特定处理器类型校准的传感器与不同的处理器类型或给定的处理器类型具有介绍了偏离典型的非理想性错误。与非理想性相关的温度误差可通过使用通过软件完成的偏移校准。
在嘈杂的环境中,例如处理器主板,布局考虑非常关键。噪声感应开启在远程温度二极管传感器和LM95221之间运行的轨迹会导致温度转换错误。记住LM95221的信号电平是尝试测量微伏。以下指南应遵循:
1.VDD应使用一个0.1μF电容器(100 pF)并联。应放置100pF电容器尽可能靠近电源插脚。大量电容约为10μF靠近LM95221。
2.需要一个2.2nF二极管旁路电容器来过滤高电平频率噪声。将2.2nF电容器尽可能靠近可用于LM95221的D+和D-引脚。确保2.2nF电容器的记录道是匹配的。
3.理想情况下,LM95221应放置在处理器二极管引脚的轨迹为直,短,尽可能相同。1Ω的迹线电阻可导致高达1˚C的误差。这个误差可以用简单的软件进行补偿补偿补偿。
4.二极管轨迹应被接地保护环包围可能的话,在上面和下面。这个GND防护罩不应位于D+和D-线之间。在如果噪声确实耦合到二极管线路上如果它是耦合共模,则是理想的。那是同样的D+和D-线。
5.避免在靠近电源的地方布线二极管提供开关或滤波电感器。
6.避免运行接近或平行于高的二极管轨迹高速数字和公交线路。应保留二极管痕迹距离高速数字记录道至少2厘米。
7.如果需要跨越高速数字记录道,则二极管轨迹和高速数字轨迹应该以90度角交叉。
8.连接LM95221 GND引脚的理想位置是尽可能靠近相关的处理器GND用感应二极管。
9.D+和GND之间以及D之间的泄漏电流+D−应保持在最小值。13毫安的泄漏可导致高达0.2摄氏度的二极管温度读数错误。保持印刷电路板尽可能的干净将最小化泄漏电流。噪声耦合到大于400mVp-p的数字线路中(典型滞后)和低于500mV的欠冲GND,可能会阻止SMBus与LM95221。SMBus无应答是最常见的症状,导致公共汽车上不必要的交通。尽管SMBus的最大通信频率是低(最大100kHz),仍需小心确保系统内有多个部件的正确终端总线和长印制电路板痕迹。RC低通包括3db转角频率约为40MHz的滤波器在LM95221的SMBCLK输入上。附加阻力罐与SMBDAT和SMBCLK行串联添加到进一步帮助过滤噪音和铃声。最小化噪声耦合把数字线路排除在开关电源区之外以及确保数字线路包含高速数据通信与SMBDAT成直角交叉和SMBCLK线。
安芯科创是一家国内芯片代理和国外品牌分销的综合服务商,公司提供芯片ic选型、蓝牙WIFI模组、进口芯片替换国产降成本等解决方案,可承接项目开发,以及元器件一站式采购服务,类型有运放芯片、电源芯片、MO芯片、蓝牙芯片、MCU芯片、二极管、三极管、电阻、电容、连接器、电感、继电器、晶振、蓝牙模组、WI模组及各类模组等电子元器件销售。(关于元器件价格请咨询在线客服黄经理:15382911663)
代理分销品牌有:ADI_亚德诺半导体/ALTBRA_阿尔特拉/BARROT_百瑞互联/BORN_伯恩半导体/BROADCHIP_广芯电子/COREBAI_芯佰微/DK_东科半导体/HDSC_华大半导体/holychip_芯圣/HUATECH_华泰/INFINEON_英飞凌/INTEL_英特尔/ISSI/LATTICE_莱迪思/maplesemi_美浦森/MICROCHIP_微芯/MS_瑞盟/NATION_国民技术/NEXPERIA_安世半导体/NXP_恩智浦/Panasonic_松下电器/RENESAS_瑞莎/SAMSUNG_三星/ST_意法半导体/TD_TECHCODE美国泰德半导体/TI_德州仪器/VISHAY_威世/XILINX_赛灵思/芯唐微电子等等
免责声明:部分图文来源网络,文章内容仅供参考,不构成投资建议,若内容有误或涉及侵权可联系删除。
Copyright © 2002-2023 深圳市安芯科创科技有限公司 版权所有 备案号:粤ICP备2023092210号-1