说明
Microsemi的LX1691是一个成本简化、增强的功能集,直接驱动CCFL(冷阴极荧光灯灯)控制器。它的架构是基于非常流行的LX1689。通过将VDDP限制为5.5V并使用先进加工,模具尺寸和当提高调光精度。基于LX1691的逆变器模块can几乎可用于任何CCFL数码相机和PDA到大屏幕监视器和驾驶员可观看的汽车显示屏。新型多功能调光电路接受数字和模拟控制输入并提供六种不同的调光功能控制两个灯电流的模式振幅和占空比,同时或单独。设计师可以选择正常或反向极性调光和精确编程最小和最大灯电流电阻器。LX1691故障停机功能得到增强,包括过压调节和关闭以及过电流情况。Microsemi经验证并获得专利直接驱动体系结构适用于系统电压从3伏到更高50伏以上,仅受外部功率场效应晶体管驱动高电压互感器。
LX1691包括Microsemi经验证和专利的打击方法允许显著提高效率,同时保证强大的打击力工作温度。我们的方法扫描打击频率平滑到无载谐振频率灯具和高压变压器。再加上LX1691的高输出电压调节,产生足够的冲击电压产生不可预测的高压引起电弧和组件的尖峰失败。具有竞争力的设备只需切换到更高频率罢工没有这个“实时性”控制输出电压,并要求更关注变压器设计。
主要特点
同时振幅和
占空比调光模式
电阻器可编程最小和
最大灯电流
数字调光可以同步到
外部或内部时钟
100 ms通电延迟
灯开路或短路
调节和关闭
“片上”全波灯
电流和电压整流器
16针TSSOP封装
非常稳定的振荡器,带片上定时电容器
软启动冲击
增强型数字调光
分辨率
福利
ƒ组件数量/模块低
成本/规模
高“Nits/Watt”效率
直接从单个
锂离子电池
行业最安全、最高
执行冲击电压
代(专利)
紧凑的工作频率
对更简单系统的容忍度
液位RFI控制
绝对最大额定值
电源电压(VDDP)6伏
数字输入(启用)0.3V至VDDP+0.5V
模拟输入(输入、输出、输出)箝位到+/-10V。最大峰值电流为+/-100mA
模拟输入(BRITE_-IN)-0.3V至VDDP+0.5V
调光模式输入-0.3V至VDDP+0.5V
数字输入0.3V至VDDP+0.5V
数字输出(AOUT,约)-0.3V至VDDP+0.5V
模拟输出(BRITE\u R、I\u R、EA_OUT、BRITE_OUT)0.3V至VDDP+0.5V
工作温度范围-55至125°C
最高结温150°C
焊料回流焊的封装峰值温度(最大曝光40秒)255摄氏度(+5-0)
注意:超过这些额定值可能会损坏设备。所有电压与接地。电流为正输入,负输出指定端子。
热数据
PW塑料TSSOP 16针
环境热阻结,θJA 99°C/W
结温计算:TJ=TA+(PD xθJA)。
θJA数是设备/pc板热性能的指南系统。以上都假设没有环境气流。
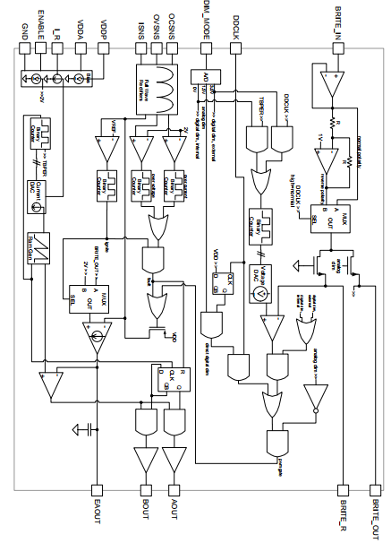
功能引脚说明
管脚名称说明
接地
电压输入,3.0至5.5V输入范围。切换VDDP(请参阅启用)以切断芯片电源。一个LDO调节器跟随开关产生VDDA(见VDDA)。输出驱动级直接由VDDP输入。在配电设计中必须小心,以尽量减少瞬态和噪声耦合VDDP到VDDA输出。
VDDA
模拟VDDA电源输出。此输出引脚用于连接外部电容器,以稳定和过滤on芯片VDDA LDO调节器。LDO的输入是开关式VDDP电源。LDO输出通常为3.0V用于驱动除输出缓冲器以外的所有电路。跌落电压通常为50mV(@25°C),5mA时,平均内部负载。该输出可提供高达5毫安的外部负载。输出建议的电容器应小于1000nF的陶瓷介质类型。输出缓冲区N-FET驱动器输出。10K内部下拉,±100毫安峰值电流,3伏直流电应用于VDDP引脚。关于B缓冲区N-FET驱动器输出。10K内部下拉,±100毫安峰值电流,3伏直流电应用于VDDP引脚。
数字调光时钟/调光极性。一种输入引脚,可以选择它来控制数字信号的突发频率调暗。此输入可强制至VDDA或VSS或任何高达1MHz的时钟信号。这个别针也用来在内部时钟数字调光模式下工作时,控制调光极性*。如果DIM_模式处于打开条件(模拟调光模式)DD_CLK输入连接到VDDA或打开(内部上拉)进行选择传统调光极性。接地极性相反。传统的极性意味着灯亮度随着BRITE_IN引脚上电压的增加而增加。相反的极性意味着亮度随电压升高而降低。如果调光模式打开,并且低频脉冲被应用到DD_CLK,灯电流幅值与BRITE_IN处的电压成正比,其占空比遵循DD_CLK波形,例如当DD_CLK较高时电流流动。在此模式下,脉冲计数应大于故障
功能管脚说明(续)管脚名称说明
调光模式*
调光模式输入。此三态输入引脚将IC置于模拟调光模式,即内部数字调光模式模式,或外部数字调光模式。如果输入保持打开或强制至VDDA/2,则选择模拟模式。如果连接到VDDA,数字调光模式和来自DD时钟输入的外部时钟控制突发定时发电机。突发频率是外部时钟频率除以512。如果连接了DIM_模式接地,选择带内部时钟的数字调光。内部时钟模式下的突发频率为lamp电流频率除以512,脉冲占空比与BRITEđIN处的电压成正比。
欧共体
过电流检测输入。以地面为中心的全波交流电压输入,与总高成比例电压互感器二次绕组电流。OC_SNS输入经过全波整流,然后应用于具有2V参考电压的数字比较器,使峰值电压大于2V,以建立另一种调节ISNS调节回路之外的回路。如果异常情况持续(>2V),则发生过电流关断。输入信号的频率范围为10 KHz至500 KHz。正常工作电压小于±2V,且在负载故障情况下,异常电压可以持续高达±7V峰值。瞬变故障条件可达到±10VPK。输入电压大于±3V峰值但小于±10V峰值可能导致饱和,但不会引起故障、相位反转或IC的可靠性问题。
奥文思
过电压检测输入。以地面为中心的全波交流电压输入,与灯成比例电压。OV_SNS输入将进行全波整流,然后应用到一个数字比较器,参考电压为2V使峰值电压大于2V,以逐个脉冲数字重置PWM逻辑。输入信号的频率范围为10Khz至500KHz。正常工作电压小于±2V,且在负载故障情况下,异常电压可以持续高达±7V峰值。瞬变故障条件可达到±10VPK。输入电压大于±3V峰值但小于±10V峰值可能导致饱和,但不会引起故障、相位反转或IC的可靠性问题。输入有20K±12K(最高超温)下拉电阻器,用作外部电容器的直流恢复器分配筒灯电压。
I\u SNS
电流感应输入。以地为中心的全波交流电压输入,与灯电流成比例。输入端经全波整流放大后,呈现给电流误差的逆变输入端放大器。在打击模式下,电流感应输入将调节到2V,而不考虑BRITE_的设置。输入信号的频率范围为10 KHz至500 KHz。正常工作电压小于±2V,且在负载故障情况下,异常电压可以持续高达±7V峰值。瞬态下故障条件可达到±10VPK。输入电压高达±3V峰值线性整流。输入电压高于±3V峰值但小于±10V峰值可能导致饱和,但不会导致故障、相位反转,或IC的可靠性问题。输出错误放大器输出。一个外部电容器从这个引脚连接到GND来调整逆变器模块。在各种应用中,该电容值可从10pF到5000pF不等。亮度控制输入。输入信号应为直流电压或滤波高频脉冲宽度调制数字信号。有源直流电压范围是0.0到2.0伏。芯片信号调节放大器剪辑输入电压高于2V。
启用
芯片启用输入。如果逻辑高,则启用所有功能。如果逻辑低,则内部电源与VDDP引脚,禁用所有功能。当ENABLE<0.3V,VDDP<5V时,进入VDDP的最大电流为10μA。启用如果不使用禁用功能,可以直接连接到VDDP。电流参考电阻输入。连接到一个决定内部电阻大小的外部电阻器偏置电流。通过在40K到40K范围内改变电阻值,可以调整灯的标称频率100K欧姆。

电气特性(续)
除非另有规定,以下规范适用于工作环境温度-40°C≤TA≤85°C,除非另有说明。测试条件:VDDP=3.3至5.5 V,I_R=80.6KΩ,BRITE_R=BRITE_OUT=20KΩ,OVSNS=OCSNS=0V,DD_CLK=DIM_MODE=浮动





图2–带单电池锂离子电池的PDA用LX1691逆变器,数字调光最大电流为3.5毫安@100KHz,通过R2/R3设置为1.33mA。
Brite输入控制范围(线性DCV)
最小Brite‘Lo’=150mV
最大Brite‘Hi’=2.0V
突发频率=200 Hz
启用输入
关闭逻辑“Lo”<=0.80V
逻辑“Hi”>=1.7V
详细说明
片上LDO稳压器特性综述LDO调节器保持关键的模拟控制电路在整个输入电压范围内以最佳方式工作。亮度控制电压和工作频率非常稳定。
欠压闭锁
如果电池输入电压过低,控制器无法功能正常,它会自动关闭,防止虚假操作。如果电池电压降至1V以下,其中UVLO不再保证,AOUT和关于引脚确保外部功率场效应晶体管不能偏压。上电延时一个加电重置,延迟AOUT和BOUT的开启大约100毫秒后通电。这个礼物电源电压稳定的额外时间灯不会无意中在高亮度下通电,然后突然降低,产生一个不受欢迎的闪光。增强型BRITE调节电路BRITE_IN引脚提供了一个高阻抗的线性输入控制范围为0至2.0V引脚的功能取决于控制器编程的六种调光模式中的哪一种。(参见调光表第4页)LX1691的新功能允许控制脉冲频率和占空比的DD\u CLK输入BRITE_-IN输入控制输出电流振幅(参见以下附加信息)。
数字或模拟调光模式
调光模式输入引脚选择模拟或数字模式。在模拟模式下,控制灯电流的BRITE_处的直流电压振幅。在数字模式下,它控制数字调光占空比。在数字模式下,调光突发频率可以通过选择内部时钟同步到灯电流,或外部时钟。使用外部时钟源,突发频率时钟频率除以512。当使用内部时钟源突发频率将是内部的振荡器除以1024等于灯电流频率除以512。亮度极性和双模调光控制在模拟调光模式下,IC可编程为增加或减少灯电流振幅只需将将时钟输入至VDDA或接地(见调光表)。如果需要同时进行振幅控制和数字调光,向DD时钟施加PWM信号。灯电流波形将完全跟随DD\u CLK(DD\u CLK不在此划分模式);例如,当DD\U CLK高且停止时,灯电流流动当它低的时候。
在数字调光模式下,灯电流占空比为与直流输入电压成正比或成反比BRITE_IN pin,取决于DD_CLK的状态。如果是外部的选择时钟后,占空比将与电压成正比在BRITE_IN和突发周期将是DD_ckperiod X 512。灯电流振幅可通过应用BRITE_OUT引脚处的独立直流电压。这个电压可以范围从0到2.0 VDC。零伏将产生零电流(因此是灯故障)。2.0V将产生最大电流由来自ISNS到GND。
冲击电压产生
改进的冲击电压产生电路斜坡冲击电压慢慢地设定最大电位并保持在那里工作频率约为35065MHz。这保证了最坏情况下的灯在任何温度下都会亮。打击潜力是当灯亮起或时间限制为达到。打击探测LX1691包括一个新的灯罢工检测方案,该方案保存一个程序包pin和三个外部组件。内部电路监控输入端的灯电流脉冲,以确定灯亮了,如果它在工作时保持点燃状态。故障超时如果灯未能在大约350毫秒内点火,或在点火后熄灭,或如果DD时钟引脚上的时钟信号当处于外部数字调光模式时终止,输出驱动器关闭。如果指示灯短路或保持打开超过350毫秒。
片上整流器
为三个灯输入集成全波整流器显著减少灯反馈部件数量。当前感测(I_-SNS)、过电流感测(OC-SNS)和过电压仅使用一个外部检测(OV_SNS)信号每个都有定标电阻或电容器。校正精度为改进的高性能片上整流器提供更好的灯电流和电压调节。完全故障保护除灯故障超时外,最大输出电压所有故障条件下的电流都是可调节的。开路电压永远不能超过预设的最大冲击电压电路中的电位和总电流用定标电阻。UL安全规范现在可以轻松满足任何应用程序。熟悉的磁学LX1691可以使用与所有其他直接驱动相同的磁力控制器。变压器设计参考应用注释13以及功率场效应晶体管的选择标准。
在数字调光模式下,灯电流占空比为与直流输入电压成正比或成反比BRITE_IN pin,取决于DD_CLK的状态。如果是外部的选择时钟后,占空比将与电压成正比在BRITE_IN和突发周期将是DD_ckperiod X 512。灯电流振幅可通过应用BRITE_OUT引脚处的独立直流电压。这个电压可以范围从0到2.0 VDC。零伏将产生零电流(因此是灯故障)。2.0V将产生最大电流由来自ISNS到GND。
冲击电压产生
改进的冲击电压产生电路斜坡冲击电压慢慢地设定最大电位并保持在那里工作频率约为35065MHz。这保证了最坏情况下的灯在任何温度下都会亮。打击潜力是当灯亮起或时间限制为达到。打击探测LX1691包括一个新的灯罢工检测方案,该方案保存一个程序包pin和三个外部组件。内部电路监控输入端的灯电流脉冲,以确定灯亮了,如果它在工作时保持点燃状态。故障超时如果灯未能在大约350毫秒内点火,或在点火后熄灭,或如果DD时钟引脚上的时钟信号当处于外部数字调光模式时终止,输出驱动器关闭。如果指示灯短路或保持打开超过350毫秒。片上整流器为三个灯输入集成全波整流器显著减少灯反馈部件数量。当前感测(I_-SNS)、过电流感测(OC-SNS)和过电压仅使用一个外部检测(OV_SNS)信号每个都有定标电阻或电容器。校正精度为改进的高性能片上整流器提供更好的灯电流和电压调节。完全故障保护除灯故障超时外,最大输出电压所有故障条件下的电流都是可调节的。开路电压永远不能超过预设的最大冲击电压电路中的电位和总电流用定标电阻。UL安全规范现在可以轻松满足任何应用程序。熟悉的磁学LX1691可以使用与所有其他直接驱动相同的磁力控制器。变压器设计参考应用注释13以及功率场效应晶体管的选择标准。
打击模式
从上电延迟或启用序列进入。斜坡发生器频率的控制切换到DAC输出。频率从正常运行值增加到如果打击频率为扫描时,检测到OV_SNS和/或OC_SNS处的设定点,罢工频率将冻结在当前值,直到任何一个灯罢工或超时。罢工模式终止于通过检测点火灯达到6个计数。如果罢工成功,进入运行模式。如果不成功,则故障模式为进入。
运行模式
只有在发现一次成功的袭击后才进入。频率控件立即切换到一个固定引用,该引用设置编程运行频率。灯电流循环计数器监控以确保在每个周期内至少接收到4个电流周期句号。如果小于4,则认为灯熄灭,且进入故障模式。
故障模式
故障模式可以从罢工或运行模式进入如上所述。在故障模式下,A&B输出缓冲器为被迫压低。故障模式可通过循环ENABLE off清除然后打开,或者移除并应用VDDP。
设计程序
选择输入电阻值这个电阻决定了几个内部基准的值控制时间的电流。它必须首先被选择,并且将在范围为40到120K欧姆。我们使用80.6K,1%低TCR在我们的设计中,将灯的额定电流频率设置为65千赫。输出频率近似如下公式:RI_R=5.24E9/FLAMPOUT/HZ。驱动BRITE_输入输入电路包括片上有源电压忽略大于2.0V输入电压的线夹阻抗非常高,所以它也可以从100K驱动无偏移误差的电位计。BRITE_-IN可以是直流电压,或一个更高频率的外部滤波器PWM输入具有0.0到2.0V之间的线性有效范围


安芯科创是一家国内芯片代理和国外品牌分销的综合服务商,公司提供芯片ic选型、蓝牙WIFI模组、进口芯片替换国产降成本等解决方案,可承接项目开发,以及元器件一站式采购服务,类型有运放芯片、电源芯片、MO芯片、蓝牙芯片、MCU芯片、二极管、三极管、电阻、电容、连接器、电感、继电器、晶振、蓝牙模组、WI模组及各类模组等电子元器件销售。(关于元器件价格请咨询在线客服黄经理:15382911663)
代理分销品牌有:ADI_亚德诺半导体/ALTBRA_阿尔特拉/BARROT_百瑞互联/BORN_伯恩半导体/BROADCHIP_广芯电子/COREBAI_芯佰微/DK_东科半导体/HDSC_华大半导体/holychip_芯圣/HUATECH_华泰/INFINEON_英飞凌/INTEL_英特尔/ISSI/LATTICE_莱迪思/maplesemi_美浦森/MICROCHIP_微芯/MS_瑞盟/NATION_国民技术/NEXPERIA_安世半导体/NXP_恩智浦/Panasonic_松下电器/RENESAS_瑞莎/SAMSUNG_三星/ST_意法半导体/TD_TECHCODE美国泰德半导体/TI_德州仪器/VISHAY_威世/XILINX_赛灵思/芯唐微电子等等
免责声明:部分图文来源网络,文章内容仅供参考,不构成投资建议,若内容有误或涉及侵权可联系删除。
Copyright © 2002-2023 深圳市安芯科创科技有限公司 版权所有 备案号:粤ICP备2023092210号-1