特征
•设计用于单电池锂离子电池的离线充电器设计
•向一次侧控制器提供控制反馈
•强大的电池插入和移除检测
•充电电流和电压调节反馈至一次侧,实现高精度充电
•按最小电流和时间终止充电
•带安全定时器的预充电调节器
• LED或主机处理器接口的充电状态输出指示充电进行中、充电完成和故障情况
•充电前和充电过程中的温度监测
•短路保护
•TS1;小包装
应用
•数码相机支架充电器
•桌面充电器
•手持设备
说明
bq24901锂离子充电管理设备专为离线充电器应用而设计。bq24901位于变压器的二次侧,向各种一次侧控制器提供控制反馈。bq24901提供电流或电压调节反馈、温度监控、充电状态和可调充电终端,在单个单片设备中。在没有电池或充电完成的情况下,bq24901持续调节二次侧电压,用作设备的Vcc电源。
细胞深度放电至24Bq阶段的特征。预调节阶段通过二次侧的线性调节来实现。在预处理之后,bq24901将充电电流调节到外部电流检测电阻器设置的值。一旦电池达到充电电压,电压调节回路接管并完成充电循环。调压精度优于±30mV。根据最小电流终止充电。最小电流电平通过TADJ引脚设置。内部5小时充电计时器为充电终止提供备用。
bq24901设计用于可靠地检测电池的插入和移除情况,包括带有开放式保护器的电池组。其他标准功能包括当电池电压低于VRCH阈值时激活的充电功能。
除了标准功能,bq24901提供电池温度监测和状态显示。温度感测电路使用外部热敏电阻连续测量蓄电池温度,并暂停充电,直到蓄电池温度在用户定义的阈值范围内。STAT引脚指示充电器的工作状态。这些输出可用于驱动LED或主机微控制器的接口。
功能框图

申请信息
bq24901支持适用于单电池的精确电流和电压调节的锂离子充电系统。图1显示了典型的应用程序图,图2显示了一个典型的收费概况,图3显示了一个操作流程图。



充电确认和预处理
bq24901在通电且有电池时开始充电循环。充电确认基于电池温度和电压。如果电池温度在VLTF到VHTF之外,设备将暂停充电,并等待电池温度在允许范围内。该设备还检查电池电压。如果电池电压低于低电压阈值VLOWV,则设备使用预调节电流IPRECHG给电池充电。
温度感应(TS)输入
bq24901通过测量TS引脚和Vss之间的电压来持续监测电池温度。负温度系数热敏电阻(NTC)和外部分压器通常会产生此电压。bq24901将此电压与其内部阈值进行比较,以确定充电是否允许。到启动充电循环时,电池温度必须在VLTF至VHTF阈值范围内。如果电池温度超出此范围,设备将暂停充电,并等待电池温度在VLTF至VHTF范围内。在充电周期(预充电和快速充电)期间,蓄电池温度必须在VLTF到VTCO的阈值范围内。如果电池温度超出该范围,bq24901将暂停充电并等待,直到电池温度在VLTF到VHTF的范围内。设备通过关闭CC引脚并保持定时器值(即在暂停状态下计时器不复位)来暂停充电。
图4总结了这个操作。

VCC法规
在以下条件下,bq24901调节VCC电源,设备保持激活状态。VCC调节回路补偿通过SCOMP引脚实现。
*无电池状态
*预充电
*充电暂停
*故障
*完成
电压监测与调节
电压调节反馈通过引脚BAT。该输入直接连接到电池组的正极。
电压调节回路补偿是通过VCOMP引脚实现的。
现行法规
bq24901在电池组电压低于调节电压VREG时提供电流调节。该装置通过与电池组串联的外部感测电阻RSNS的电压降来监控SNS输入端的充电电流。电荷电流反馈,通过引脚SNS应用,维持在VSNS阈值附近的调节。式(1)中的公式计算感测电阻的值。

其中:I(CHG)是所需的充电电路
电流调节回路补偿通过ICOMP引脚实现。
电流调节斜坡上升和下降
当从预充电过渡到快速充电时,以及进入和退出故障/暂停模式时,两个电流调节回路都会上升和下降,此时LDO需要硬开关。图5展示了典型的步进坡道。

电池插拔检测
bq24901在各种情况下可靠地检测电池组的插入和移除。这包括带开放式或封闭式保护器的电池组。图6显示了流程图。表1总结了各种电池的插入和拆卸条件。

充电终止和重新充电
bq24901在电压调节期间监控充电电流。当电流逐渐减小到充电终止电流检测阈值时,设备声明完成条件并终止充电。充电端接电平通过TADJ引脚设置,如表2和图7所示。


bq24901还具有两个用于检测终止阈值的内部数字滤波器。具有tTERMDET1和tTERMDET2响应时间的数字滤波器旨在减少因线路而提前终止的可能性或开关频率噪声。
当检测到以下情况之一时,将启动新的充电循环:
1、 电池电压低于VRCH阈值;
2、 新电池插入(一旦电池低于VRCH阈值);
3、 上电复位(POR)。
充电计时器
bq24901提供两个充电定时器,在预充电和充电阶段保护电池。第一个定时器T30min在新充电周期开始时复位,并在预充电阶段启动。在预充电过程中,如果定时器在电池上升到VLOWV阈值以上之前过期,则会通知故障情况。通电复位或更换电池清除故障。
第二个定时器T5hr在新充电周期开始时复位,并在充电阶段开始时启动。如果在充电过程中蓄电池电流未达到充电终止电流检测阈值ITERM,则会通知故障情况。通电复位或更换电池清除故障。
充电状态显示
开路漏极STAT1和STAT2输出指示各种充电器操作,如表3所示。

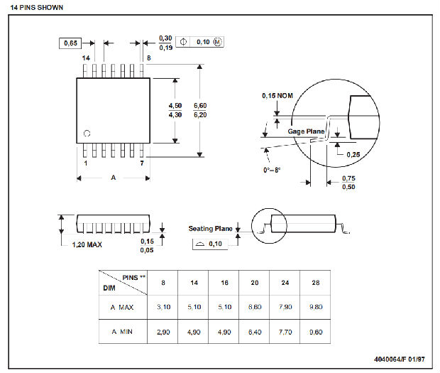
机械数据
PW(R-PDSO-G**)塑料小外形包装

注:A、所有线性尺寸单位均为毫米。
B、 本图纸如有更改,恕不另行通知。
C、 主体尺寸不包括不超过0.15的模具飞边或突出物。
D、 属于JEDEC MO-153。
安芯科创是一家国内芯片代理和国外品牌分销的综合服务商,公司提供芯片ic选型、蓝牙WIFI模组、进口芯片替换国产降成本等解决方案,可承接项目开发,以及元器件一站式采购服务,类型有运放芯片、电源芯片、MO芯片、蓝牙芯片、MCU芯片、二极管、三极管、电阻、电容、连接器、电感、继电器、晶振、蓝牙模组、WI模组及各类模组等电子元器件销售。(关于元器件价格请咨询在线客服黄经理:15382911663)
代理分销品牌有:ADI_亚德诺半导体/ALTBRA_阿尔特拉/BARROT_百瑞互联/BORN_伯恩半导体/BROADCHIP_广芯电子/COREBAI_芯佰微/DK_东科半导体/HDSC_华大半导体/holychip_芯圣/HUATECH_华泰/INFINEON_英飞凌/INTEL_英特尔/ISSI/LATTICE_莱迪思/maplesemi_美浦森/MICROCHIP_微芯/MS_瑞盟/NATION_国民技术/NEXPERIA_安世半导体/NXP_恩智浦/Panasonic_松下电器/RENESAS_瑞莎/SAMSUNG_三星/ST_意法半导体/TD_TECHCODE美国泰德半导体/TI_德州仪器/VISHAY_威世/XILINX_赛灵思/芯唐微电子等等
免责声明:部分图文来源网络,文章内容仅供参考,不构成投资建议,若内容有误或涉及侵权可联系删除。
Copyright © 2002-2023 深圳市安芯科创科技有限公司 版权所有 备案号:粤ICP备2023092210号-1