特征
•四个1/2 H桥直流电机驱动器
–可驱动四个电磁阀、两个直流电机、一个步进电机或其他负载
–全独立半桥控制
–低MOSFET导通电阻
•24 V,25°C时的最大驱动电流为2.5 A
•浮动输入缓冲器允许双(双极)电源(高达±30 V)
•内置3.3-V,10 mA LDO调节器
•工业标准IN/IN数字控制接口
•8-V至60-V工作电源电压范围
•输出可并联连接
•热增强表面贴装组件
应用
•纺织机械
•办公自动化机器
•游戏机
•工厂自动化
•机器人技术
说明
DRV8844提供四个可单独控制的1/2 H桥驱动器。它可以用来驱动两个直流电机,一个步进电机,四个螺线管,或其他负载。每个MOSH-1通道的功率由配置在MOSH-1通道中的MOSH-1通道驱动配置组成。
DRV8844可为每个H桥提供高达2.5 A峰值或1.75 A RMS输出电流(在24 V和25°C下适当的PCB散热)。
提供独立输入,以独立控制每个1/2 H 电桥。为了允许使用分离电源进行操作,逻辑输入和故障输出是参考一个单独的浮动接地引脚。
提供过电流保护、短路保护、欠压锁定和过热的内部关机功能。
DRV8844采用带PowerPAD的28针HTSSOP封装™ (环保:RoHS和no Sb/Br)。
设备信息

(1)、有关所有可用的软件包,请参阅数据表末尾的订购附录。
简化示意图

典型特征

详细说明
概述
DRV8844集成了四个独立的2.5半小时网桥、保护电路、休眠模式和故障报告。它的单电源支持宽8至60伏,使它非常适合电机驱动应用,包括刷直流,步进电机和螺线管。
功能框图

特性描述
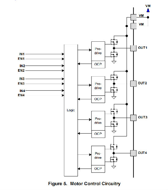
输出级
DRV8844包含四个使用N沟道MOSFET的1/2 H桥驱动器。输出电路的框图如图5所示。

输出引脚在VM和VNEG之间驱动。对于单电源应用,VNEG通常接地,对于双电源应用,VNEG通常为负电压。
请注意,有多个VM电机电源引脚。所有VM引脚必须连接到电机电源电压。
逻辑输入
逻辑输入和nFAULT输出参考LGND引脚。该引脚将连接到逻辑信号源的逻辑地(例如,微控制器)。这使得LGND的电压与VNEG不同;例如,设计者可以通过驱动VM和VNEG来驱动双极电源,从而驱动负载,并将LGND连接到0v(接地)。
桥梁控制
INx输入引脚直接控制OUTx输出的状态(高或低);ENx输入引脚启用或禁用OUTx驱动程序。表1显示了逻辑。

输入也可用于PWM控制,例如,直流电机的速度。当用PWM控制绕组时,当驱动电流中断时,电机的感应特性要求电流必须继续流动。这称为再循环电流。为了处理这种再循环电流,Hbridge可以在两种不同的状态下工作,快衰减或慢衰减。在快速衰减模式下,H桥被禁用,再循环电流流过车身二极管;在慢衰减模式下,电机绕组短路。
对于使用快速衰减的PWM,PWM信号应用于ENx引脚;对于使用慢速衰减,PWM信号应用于INx引脚。表2是使用OUT1和OUT2作为H桥驱动直流电机的示例:

图6显示了不同驱动和衰减模式下的电流路径:

充油泵
由于输出级使用N沟fet,因此需要一个比VM电源更高的栅极驱动电压来充分增强高侧fet。DRV8844集成了一个电荷泵电路,该电路可产生高于VM电源的电压。
电荷泵需要两个外部电容器才能工作。有关这些电容器(值、连接等)的详细信息,请参阅方框图和管脚说明。
当nSLEEP低时,充电泵关闭。

保护电路
DRV8844具有充分的保护,可防止欠压、过电流和过热事件。
过流保护(OCP)
每个FET上的模拟电流限制电路通过移除栅极驱动来限制通过FET的电流。如果该模拟电流限值持续时间超过OCP除锂时间,经历过电流的通道将被禁用,nFAULT引脚将被驱动至低电平。驱动程序将保持关闭状态,直到断言重置或关闭VM电源。
高压侧和低压侧装置上的过电流情况;即对地短路、电源短路或电机绕组短路,都将导致过电流停机。
热关机(TSD)
如果模具温度超过安全限值,H桥中的所有FET将被禁用,并且nFAULT引脚将被驱动到低电平。一旦模具温度下降到安全水平,操作将自动恢复。
欠压锁定(UVLO)
如果在任何时候VM引脚上的电压低于欠压锁定阈值电压,所有输出将被禁用,内部逻辑将复位,nFAULT引脚将被驱动至低电平。当VM高于UVLO阈值时,操作将恢复。
设备功能模式
复位和复位操作
当低电平驱动时,nRESET引脚复位内部逻辑。它还禁用H桥驱动程序。当nRESET处于活动状态时,将忽略所有输入。
驱动nSLEEP低将使设备进入低功耗睡眠状态。在这种状态下,H桥被禁用,栅极驱动电荷泵停止,所有内部时钟停止。在这种状态下,所有输入都被忽略,直到nSLEEP返回inactive high。从睡眠模式返回时,需要经过一段时间(大约1毫秒)后,电机驱动器才能完全工作。注意,nRESET和nSLEEP的内部下拉电阻约为100kΩ。这些信号需要被驱动到逻辑高电平以进行设备操作。
V3P3OUT LDO调节器保持在休眠模式下工作。
应用与实施
注意
以下应用章节中的信息不是TI组件规范的一部分,TI不保证其准确性或完整性。TI的客户负责确定组件的适用性。客户应验证和测试其设计实现,以确认系统功能。
申请信息
DRV8844可用于驱动一个步进电机、多个有刷直流电机或多个其他感应负载。
输出可以并联以增加驱动电流。如果像在全桥配置中那样连接输出,任何两个输出都可以并联连接。如果配置为两个独立的半桥,OUT1和OUT2必须成对,OUT3和OUT4必须成对。这种配对是因为引脚6(SRC12)是OUT1和OUT2的低端FET的源,引脚9(SRC34)是OUT3和OUT4的低端FET的源。
可选的感应电阻器可用于监测电流。如果使用感应电阻器,将电阻器置于SRC12或SRC34引脚和VNEG引脚之间。
典型应用


设计要求
下面的真值表描述了如何控制图8中的排列。

详细设计程序
电机电压
所选电机的额定值和所需的转速决定了设计者应该使用的电机电压。更高的电压使刷直流电机的旋转速度更快,同样的脉宽调制占空比应用于功率场效应晶体管。更高的电压也会增加通过感应电动机绕组的电流变化率。
应用曲线

电源建议
本体电容
在电机驱动系统设计中,具有合适的局部体积电容是一个重要因素。一般来说,有更多的体积电容是有益的,但缺点是成本和物理尺寸增加。
电容量取决于各种局部因素,包括:
•电机系统所需的最高电流
•电源的电容和提供电流的能力
•电源和电机系统之间的寄生电感量
•可接受的电压纹波
•使用的电机类型(有刷直流、无刷直流、步进电机)
•电机制动方法
电源和电机驱动系统之间的电感限制了电源的额定电流变化。如果局部大容量电容太小,系统会根据电压变化对电机的过大电流需求或转储做出响应。当使用足够的大容量电容时,电机电压保持稳定,并能快速提供大电流。
数据表通常提供建议值,但需要进行系统级测试以确定适当尺寸的大容量电容器。

大容量电容器的额定电压应高于工作电压,以便在电机向电源传输能量时提供裕度。
布局
布局指南
大容量电容器的放置应尽量减少通过电机驱动装置的大电流路径的距离。连接金属迹线宽度应尽可能宽,连接PCB层时应使用多个过孔。这些做法使电感最小化,并允许大容量电容器输送高电流。
小容量电容器应该是陶瓷的,并且放置在离器件引脚很近的地方。
高电流设备输出应使用宽金属迹线。
设备热垫应焊接到PCB顶层接地板上。应使用多个通孔连接到大型底层地平面。使用大金属平面和多个通孔有助于消散器件中产生的I2×RDS(on)热。
布局示例

热注意事项
DRV8844具有如上所述的热关机(TSD)。如果模具温度超过约150°C,设备将被禁用,直到温度降至安全水平。
设备进入TSD的任何趋势都表明功率消耗过大、散热不足或环境温度过高。
散热
电源板™ 包装使用一个暴露的垫子来去除设备的热量。为了正确操作,该焊盘必须与PCB上的铜热连接以散热。在具有接地板的多层PCB上,这可以通过添加多个通孔来实现,以将热垫连接到地平面。在没有内部平面的PCB上,可以在PCB的任一侧添加铜区域来散热。如果铜区在PCB的另一侧,热通孔用于在顶层和底层之间传递热量。
一般来说,提供的铜面积越多,消耗的功率就越大。
功耗
DRV8844的功耗主要由输出FET电阻或RDS(ON)消耗的功率控制。直流电动机运行时各H桥的平均功耗可由式1粗略估计。

其中:
•P是一个H桥的功耗
•RDS(ON)是每个FET的电阻
•IOUT是施加到每个绕组(1)的RMS输出电流
IOUT等于直流电机的平均电流。注意,在启动和故障条件下,该电流远高于正常运行电流;还需要考虑这些峰值电流及其持续时间。因数2来自于这样一个事实:在任何时刻,两个fet都在传导绕组电流(一个高压侧和一个低压侧)。
总的器件损耗是两个H桥中每一个的功耗加在一起。
装置中可消耗的最大功率取决于环境温度和散热量。
注意RDS(ON)随着温度的升高而增加,因此当设备加热时,功耗也会增加。在确定散热器尺寸时,必须考虑到这一点。
安芯科创是一家国内芯片代理和国外品牌分销的综合服务商,公司提供芯片ic选型、蓝牙WIFI模组、进口芯片替换国产降成本等解决方案,可承接项目开发,以及元器件一站式采购服务,类型有运放芯片、电源芯片、MO芯片、蓝牙芯片、MCU芯片、二极管、三极管、电阻、电容、连接器、电感、继电器、晶振、蓝牙模组、WI模组及各类模组等电子元器件销售。(关于元器件价格请咨询在线客服黄经理:15382911663)
代理分销品牌有:ADI_亚德诺半导体/ALTBRA_阿尔特拉/BARROT_百瑞互联/BORN_伯恩半导体/BROADCHIP_广芯电子/COREBAI_芯佰微/DK_东科半导体/HDSC_华大半导体/holychip_芯圣/HUATECH_华泰/INFINEON_英飞凌/INTEL_英特尔/ISSI/LATTICE_莱迪思/maplesemi_美浦森/MICROCHIP_微芯/MS_瑞盟/NATION_国民技术/NEXPERIA_安世半导体/NXP_恩智浦/Panasonic_松下电器/RENESAS_瑞莎/SAMSUNG_三星/ST_意法半导体/TD_TECHCODE美国泰德半导体/TI_德州仪器/VISHAY_威世/XILINX_赛灵思/芯唐微电子等等
免责声明:部分图文来源网络,文章内容仅供参考,不构成投资建议,若内容有误或涉及侵权可联系删除。
Copyright © 2002-2023 深圳市安芯科创科技有限公司 版权所有 备案号:粤ICP备2023092210号-1