特点
•H桥电机驱动器单独
–驱动直流电机或其他负载
–低RDS(on)MOSFET(0.4Ω典型值)
•低功耗睡眠模式
•支持100%PWM
•8-38-V工作电源电压范围
•热增强表面贴装组件
•可配置过电流限制
•保护功能
–VBB欠压锁定(UVLO)
–充电泵欠压(CPUV)
–过电流保护(OCP)
–电源短路保护(STS)
–接地短路保护(STG)
–过热警告(OTW)
–超温停机(OTS)
–故障状态指示引脚(nFAULT)
应用
•打印机
•工业自动化
•机器人技术
•电动杠杆
说明
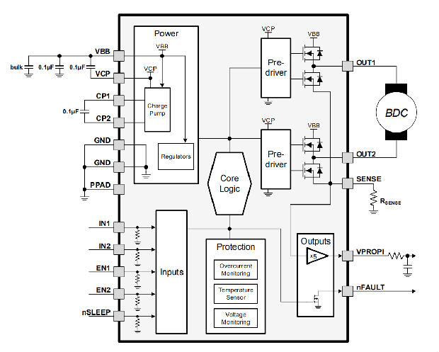
DRV8816提供了一个多功能的电源驱动解决方案,有两个独立的½-H桥式驱动器。该装置可以驱动一个有刷直流电机或步进电机的一个绕组,也可以驱动电磁阀等其他装置。一个简单的INx/ENx接口可以方便地连接到控制器电路。
输出级使用配置为½-H桥的N沟道功率mosfet。DRV8816的峰值输出电流可达±2.8A,工作电压高达38V。内部电荷泵产生所需的栅极驱动电压。
提供了一种低功耗休眠模式,该模式关闭内部电路以实现非常低的静态电流消耗。此睡眠模式可使用专用nSLEEP引脚设置。
内部保护功能可用于UVLO、电荷泵故障、OCP、对电源短路保护、对地短路保护、过热警告和超温停机。故障状态通过nFAULT引脚指示。
DRV8816封装在带有PowerPAD的16针HTSSOP封装中™ (环保:RoHS&noSb/Br)。
设备信息

(1)、有关所有可用的软件包,请参阅数据表末尾的订购附录。
简化示意图

典型特征


详细说明
概述
DRV8816使用4个CMOS输入控制2个高压大电流输出,同时集成保护功能、故障报告、休眠模式和电流感应。根据表2,EN1和IN1控制OUT1,EN2和IN2控制OUT2。该装置设计为驱动两个独立负载或一个有刷直流电动机,如图4和表3所示。
当使用RSENSE电阻器时,如果VSENSE超过500毫伏,DRV8816将自动禁用,这提供了用户可编程的过电流阈值。VPROPI输出等于放大5倍的感测电压,微控制器可以使用它来了解电机电流,从而对DRV8816输入进行脉冲宽度调制并调节电机电流。
功能框图

功能描述
桥梁控制
DRV8816通过每个½-H桥的单独启用和输入引脚进行控制。
表2显示了DRV8816的逻辑。

如果一个直流电机连接到DRV8816,则它连接在OUT1和OUT2引脚之间,如图4所示。两台直流电机也可连接至DRV8816。在这种模式下,不可能反转电机的方向;电机只能朝一个方向转动。连接如图4所示。

表3显示了如何控制单刷直流电机的电机运行。

(1)、半H桥是独立的,输出状态依赖于ENx和INx。
表4显示了如何控制双刷直流电机的电机运行。

充油泵
电荷泵用于产生高于VBB的电源,以驱动源端DMOS门。CP1和CP2之间应连接一个0.1-μF陶瓷单片电容器,以便于泵送。在VCP和VBB之间连接一个0.1μF的陶瓷单片电容器作为储能器来运行高端DMOS器件。VCP电压电平由内部监控,在故障情况下,设备的输出将被禁用。

VPROPI
VPROPI输出约等于检测引脚上的电压的5倍。VPROPI只有在有一个电阻器连接到SENSE引脚时才有意义;如果SENSE连接到地,VPROPI测量0 V。还要注意,在慢衰减(制动)期间,VPROPI测量0 V。VPROPI最多可输出2.5 V,因为在500 mV的SENSE时,H桥被禁用。
保护电路
DRV8816具有全面保护,可防止VBB欠压、电荷泵欠压、过电流和过热事件。
VBB UVLO
如果在任何时候VBB引脚上的电压低于UVLO阈值电压,H桥中的所有FET将被禁用,电荷泵将被禁用。当VBB高于UVLO阈值时,操作将恢复。注意,nFAULT并不表示UVLO,因为CPUV故障总是在VBB=12v以下断言。
VCP UVLO(CPUV)
在CPUV事件期间,VCP电压测量值低于VCP+10 V。如果VCP引脚上的电压在任何时候低于UVLO阈值电压,则nFAULT引脚被驱动为低电平。恢复操作后,nFAULT引脚将被释放。注意,该故障不会使输出FET失效,并允许设备继续运行。当VBB低于12 V时,此故障状态总是被断言,并且nFAULT被拉低。
OCP
监控流经高压侧和低压侧驱动器的电流,以确保电机导线没有对电源或接地短路。如果检测到短路,H桥中的所有FET将被禁用,nFAULT被驱动为低电平,并且tOCP故障计时器启动。在这段时间之后,tOCP,设备将被允许跟随输入命令,并尝试另一个开启(在此尝试期间,nFAULT再次变高)。如果仍有故障,则循环重复。如果在tOCP到期后,确定不存在短路情况,则恢复正常操作并释放故障。
OTW
如果模具温度升高超过热警告阈值,则nFAULT引脚驱动低。当模具温度降至滞后水平以下时,nFAULT引脚被释放。如果模具温度继续升高,设备将进入OTS中所述的过热关机状态。
OTS
如果模具温度超过安全限值,则H桥中的所有FET将被禁用,电荷泵将关闭。模具温度降至安全水平后,操作自动恢复。
设备功能模式
感官
低值电阻器可放置在感测引脚和接地之间,用于电流感应。印刷电路板的设计应在电阻器的每一侧都有宽的金属路径,以尽量减少会降低检测精度的IR降。同样,从感测电阻器到DRV8816和大容量电容器的距离也应最小化。
要设置手动过电流跳闸阈值,在检测引脚和GND之间放置一个电阻器。当感应引脚上升到500毫伏以上时,H桥输出被禁用(高Z)。设备将在tOCP期间自动重试。过电流跳闸阈值可使用ITRIP=500 mV/Ω计算。选择的过电流跳闸等级不能大于IOCP。
如果不使用感测电阻,则将感测引脚直接连接到GND上;在这种情况下,通过内部FET的电流IOCP检测仍然起作用。

应用与实施
注意
以下应用章节中的信息不是TI组件规范的一部分,TI不保证其准确性或完整性。TI的客户负责确定组件的适用性。客户应验证和测试其设计实现,以确认系统功能。
申请信息
DRV8816通常用于驱动有刷直流电机。
典型应用

设计要求
表5显示了设计时要考虑的参数。

详细设计程序
电机电压
使用的电机电压取决于所选电机的额定值和所需的转速。更高的电压使刷直流电机的旋转速度更快,同样的脉宽调制占空比应用于功率场效应晶体管。更高的电压也会增加通过感应电动机绕组的电流变化率。
功耗
DRV8816的功耗是RMS电机电流和每个输出的FET电阻的函数(RDS(打开))。

举例来说,环境温度是65摄氏度。在电机电流为0.8A的情况下,以热量形式耗散的功率将为0.8A2x 1Ω=0.64W。
DRV8816达到的温度将取决于对空气和PCB的热阻。重要的是要将设备PowerPAD焊接到PCB接地层上,并在顶部和底部板层上通孔,以便将热量散失到PCB中并降低设备温度。在这里使用的示例中,DRV8816的有效热阻RθJA为47°C/W,并且:

电机电流跳闸点
当引脚感应电压超过VTRIP(0.5V)时,检测到过电流。RSENSE电阻器的大小应能设置所需的ITRIP电平。

将ITRIP设置为2A,RSENSE=0.5V/2A=0.25Ω。
为防止误跳闸,ITRIP必须高于正常工作电流。启动过程中的电机电流通常比稳态旋转大得多,因为初始负载转矩更高,并且没有反电动势会导致电机绕组上产生更高的电压和额外的电流。
通过在DRV8816输出端使用串联电感器来限制启动电流是有益的,因为这样可以降低ITRIP,并可能降低系统所需的体积电容。启动电流也可以通过增加正向驱动占空比来限制。
感测电阻选择
为了获得最佳性能,感测电阻器必须:
•表面安装
•低电感
•额定功率足够高
•靠近电机驱动器
感测电阻器消耗的功率等于IRMS2x R。例如,如果峰值电机电流为3A,均方根电机电流为2A,并且使用0.05Ω感应电阻器,则电阻将消耗2A2x 0.05Ω=0.2W。随着电流水平的升高,功率迅速增加。
电阻器通常在某些环境温度范围内有一个额定功率,以及在高环境温度下的降额功率曲线。当一个PCB与其他发热元件共用时,应增加余量。最好是测量最终系统中的实际感测电阻温度,以及功率mosfet,因为它们通常是最热的元件。
由于功率电阻器比标准电阻器更大、更昂贵,因此通常在感测节点和接地之间并联使用多个标准电阻器。这样可以分配电流和散热。
应用曲线


电源建议
体积电容
具有合适的局部体积电容是电机驱动系统设计的一个重要因素。一般来说,有更多的体积电容是有益的,但缺点是成本和物理尺寸增加。
所需的本地电容量取决于多种因素,包括:
•电机系统所需的最高电流。
•电源的电容和提供电流的能力。
•电源和电机系统之间的寄生电感量。
•可接受的电压纹波。
•使用的电机类型(有刷直流、无刷直流、步进电机)。
•电机制动方法。
电源和电机驱动系统之间的电感会限制电源电流的变化率。如果局部大容量电容太小,系统将对过大的电流需求作出响应,或者随着电压的变化而从电机中卸载。当使用足够的大容量电容时,电机电压保持稳定,并能快速提供大电流。
数据表通常提供建议值,但需要进行系统级测试以确定适当尺寸的大容量电容器。

电力主管
控制输入nSLEEP用于在不使用DRV8816时将功耗降至最低。这使许多内部电路失效,包括内部电压轨和电荷泵。nSLEEP被断言为低。此输入引脚上的逻辑高导致正常操作。当从低切换到高时,用户应在应用PWM信号之前允许1毫秒的延迟。充油泵需要这段时间才能稳定下来。
布局
布局指南
印刷电路板(PCB)应使用重型接地板。为了获得最佳的电气和热性能,DRV8816必须直接焊接到电路板上。在DRV8816的下面是一个热垫,它提供了一个增强散热的路径。热焊盘应直接焊接到PCB的外露表面上。热通孔用于将热量传递到PCB的其他层。
负载电源引脚VBB应与电解电容器(通常为100μF)并联,并与尽可能靠近装置的陶瓷电容器并联。VCP和VBB之间、连接到VREG的陶瓷电容器以及CP1和CP2之间的陶瓷电容器应尽可能靠近器件的引脚,以减小引线电感。

式中
•PTOT是总功耗。
•RDS(ON)是HS加LS FET的电阻。
•IOUT(RMS)是施加到每个绕组的RMS输出电流。
大容量电容器的额定电压应高于工作电压,以便在电机向电源传输能量时提供裕度。
IOUT(RMS)约等于0.7×满标度输出电流设置。
装置中可消耗的最大功率取决于环境温度和散热量。
注意RDS(ON)随着温度的升高而增加,因此当设备加热时,功耗也会增加。
接地
地面电源飞机应尽可能靠近DRV8816。铜接地层直接在热垫下面,位置很好。然后可以将此衬垫连接到接地上。
布局示例

热保护
如果模具温度超过约150°C,设备将被禁用,直到温度降至安全水平。设备进入热停堆的任何趋势都表明功耗过大、散热不足或环境温度过高。
安芯科创是一家国内芯片代理和国外品牌分销的综合服务商,公司提供芯片ic选型、蓝牙WIFI模组、进口芯片替换国产降成本等解决方案,可承接项目开发,以及元器件一站式采购服务,类型有运放芯片、电源芯片、MO芯片、蓝牙芯片、MCU芯片、二极管、三极管、电阻、电容、连接器、电感、继电器、晶振、蓝牙模组、WI模组及各类模组等电子元器件销售。(关于元器件价格请咨询在线客服黄经理:15382911663)
代理分销品牌有:ADI_亚德诺半导体/ALTBRA_阿尔特拉/BARROT_百瑞互联/BORN_伯恩半导体/BROADCHIP_广芯电子/COREBAI_芯佰微/DK_东科半导体/HDSC_华大半导体/holychip_芯圣/HUATECH_华泰/INFINEON_英飞凌/INTEL_英特尔/ISSI/LATTICE_莱迪思/maplesemi_美浦森/MICROCHIP_微芯/MS_瑞盟/NATION_国民技术/NEXPERIA_安世半导体/NXP_恩智浦/Panasonic_松下电器/RENESAS_瑞莎/SAMSUNG_三星/ST_意法半导体/TD_TECHCODE美国泰德半导体/TI_德州仪器/VISHAY_威世/XILINX_赛灵思/芯唐微电子等等
免责声明:部分图文来源网络,文章内容仅供参考,不构成投资建议,若内容有误或涉及侵权可联系删除。
Copyright © 2002-2023 深圳市安芯科创科技有限公司 版权所有 备案号:粤ICP备2023092210号-1