特点
•直接路径™
–消除弹出/咔哒声
–消除输出直流阻塞电容器
–提供20Hz–20kHz的平坦频率响应
•低噪音和THD
–信噪比>102dB
–典型VN<15 mVms
–THD+N<0.05%20赫兹–20千赫
•2.5-kΩ负载的输出电压
–2 Vrms,3.3-V电源电压
–3 Vrms,5 V电源电压
•3Vrms输出电压为2.5 kΩ负载,电源电压为5V
•差分输入
应用
•机顶盒
•PDP/LCD电视
•蓝光光盘™,DVD播放器
•家庭影院
说明
DRV602PW是一个3Vrms无弹出立体声线路驱动器,设计允许移除输出直流阻塞电容器,以减少组件数量和成本。该器件非常适合于尺寸和成本是关键设计参数的单电源电子产品。
采用TI专利的DirectPath设计™ 技术上,DRV602能够驱动3Vrms进入5V电源电压的2.5kΩ负载中。该器件具有差分输入并使用外部增益设置电阻器,该电阻支持±1V/V至±10V/V的增益范围。使用外部增益电阻器还允许实现二阶低通滤波器,以补充DAC和SOC转换器。DRV602的线路输出具有±8kV IEC ESD保护DRV602(被称为'602)有内置的关闭控制,用于无弹出开关控制。
与生成3Vrms输出的传统方法相比,在音频产品中使用DRV602可以减少组件数量。DRV602不需要大于5V的电源来产生8.5VPP的输出,也不需要分轨供电。DRV602集成了自己的电荷泵,以产生一个负电源轨,提供一个干净,无弹出的地面偏置3Vrms输出。
DRV602采用14针TSSOP封装。
如果更高的信噪比、微调直流偏移和外部欠压静音功能在应用中是有益的,TI推荐使用与封装外形兼容的DRV603(SLOS617)。
有关立体声线路和立体声HP驱动程序,请参阅DRV604(SLOS659)。

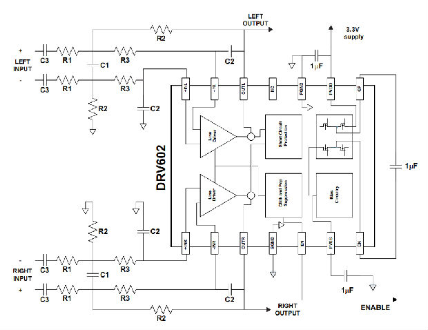
应用电路

R1=33kΩ,R2=68kΩ,R3=100kΩ,C1=150pF,C2=15pF,C3=1MF;差分输入,单端输出,二阶滤波器。40kHz–3dB频率,增益2.06。
典型特征
VDD=3.3V,TA=25°C,C(泵)=C(PVSS)=1μF,CIN=1μF,RIN=33 kΩ,Rfb=68 kΩ,RL=2.5 kΩ(除非另有说明)。


申请信息
线路驱动放大器
单电源线驱动放大器通常需要直流阻断电容器。图5中的上图说明了传统的线路驱动器放大器与负载和输出信号的连接。
直流闭锁电容器的值通常很大,在通电期间需要一个静音电路,以尽量减少咔嗒声。输出电容和静音电路消耗PCB面积,增加组装成本,降低音频输出信号的保真度。

直接路径™ 放大器的结构从单一电源运行,但利用内部电荷泵提供负电压轨道。
结合用户提供的正轨和IC产生的负轨,设备以有效的分供模式运行。
输出电压现在集中在零伏,能够摆动到正轨或负轨。直接通路放大器不需要输出直流阻塞电容器。
图5的底部方块图和波形说明了地面参考线驱动器的结构。这是DRV602的体系结构。
电荷泵飞行电容器和PVSS电容器
电荷泵飞行电容器,CPUMP,在产生负电源电压的过程中传递电荷。PVSS电容器必须至少等于电荷泵电容器,以允许最大电荷转移。低ESR电容器是理想的选择,典型值为1μF。可以使用小于1μF的电容值,但最大输出电压可能会降低,并且设备可能无法按照规范运行。
去藕电容
DRV602是一个直接路径线路驱动器放大器,需要足够的电源去耦,以确保噪声和总谐波失真(THD)是低的。一个良好的低等效串联电阻(ESR)陶瓷电容器,通常为1μF,放置在尽可能靠近器件PVDD引线的位置,效果最好。将这个去耦电容器放在DRV602附近对放大器的性能很重要。对于过滤低频噪声信号,放在音频功率放大器附近的10μF或更大的电容器也有帮助,但在大多数应用中不需要它,因为该设备的PSRR很高。
增益设定电阻范围
必须选择增益设置电阻器RIN和Rfb,以使DRV602的噪声、稳定性和输入电容器尺寸保持在可接受的范围内。电压增益定义为Rfb除以RIN。
选择太低的值需要一个大的输入交流耦合电容,CIN。选择过高的值会增加放大器的噪声。表1列出了不同增益设置的推荐电阻值。


输入闭锁电容器
直流输入闭锁电容器需要与音频信号串联添加到DRV602的输入引脚中。这些电容器阻断音频源的直流部分,并允许DRV602输入适当偏置,以提供最大的性能。输入阻断电容器还将直流增益限制为1,从而限制输出端的直流偏移电压。
这些电容器与输入电阻RIN形成高通滤波器。截止频率用方程式1计算。对于该计算,使用的电容是输入阻塞电容器,电阻是从表1中选择的输入电阻,那么当给出两个值中的一个时,就可以确定频率和/或电容。

使用DRV602作为二阶滤波器
目前使用的一些音频DAC需要一个外部低通滤波器来消除带外噪声。这是可能的与DRV602,因为它可以像一个标准的操作放大器使用。
几种滤波器拓扑可以实现单端和差分。在图9中,显示了具有差分输入和单端输入的多反馈MFB。
图中显示了一个交流耦合电容器,用于从源中去除直流分量,它用于阻止源中的任何直流分量,并将直流增益降低到1,有助于将输出直流偏移减小到最小。

电阻值应具有低噪声的低值,但也应具有足够高的值,以获得小尺寸的交流耦合帽。利用所提出的值,33k,68k,100k,用一个小的1mF输入交流耦合电容可以实现102dB的DNR。
弹出免费电源
在电源上升和下降过程中,通过保持EN(enable pin)处于低水平,确保无弹出电源。EN引脚应保持在较低水平,直到输入交流耦合电容器充满电,然后再确定EN引脚高;这样,对交流耦合进行适当的预充电,实现无弹出式通电。图10说明了优先顺序。

电容性负载
DRV602能够直接驱动高达220pF的高电容负载,通过添加10Ω或更大的串联电阻可以接受更高的电容负载。
布局建议
DRV602的建议布局可以在DRV602EVM用户指南(SLU248)中看到,Gerber文件可以在www.ti.com网站,打开DRV602产品文件夹,然后在Tools and Software文件夹中查找。
增益设置电阻器RIN和Rfb必须靠近输入引脚,以最小化这些输入引脚上的电容负载,并确保DRV602的最大稳定性。有关建议的PCB布局,请参阅DRV602EVM用户指南。
安芯科创是一家国内芯片代理和国外品牌分销的综合服务商,公司提供芯片ic选型、蓝牙WIFI模组、进口芯片替换国产降成本等解决方案,可承接项目开发,以及元器件一站式采购服务,类型有运放芯片、电源芯片、MO芯片、蓝牙芯片、MCU芯片、二极管、三极管、电阻、电容、连接器、电感、继电器、晶振、蓝牙模组、WI模组及各类模组等电子元器件销售。(关于元器件价格请咨询在线客服黄经理:15382911663)
代理分销品牌有:ADI_亚德诺半导体/ALTBRA_阿尔特拉/BARROT_百瑞互联/BORN_伯恩半导体/BROADCHIP_广芯电子/COREBAI_芯佰微/DK_东科半导体/HDSC_华大半导体/holychip_芯圣/HUATECH_华泰/INFINEON_英飞凌/INTEL_英特尔/ISSI/LATTICE_莱迪思/maplesemi_美浦森/MICROCHIP_微芯/MS_瑞盟/NATION_国民技术/NEXPERIA_安世半导体/NXP_恩智浦/Panasonic_松下电器/RENESAS_瑞莎/SAMSUNG_三星/ST_意法半导体/TD_TECHCODE美国泰德半导体/TI_德州仪器/VISHAY_威世/XILINX_赛灵思/芯唐微电子等等
免责声明:部分图文来源网络,文章内容仅供参考,不构成投资建议,若内容有误或涉及侵权可联系删除。
Copyright © 2002-2023 深圳市安芯科创科技有限公司 版权所有 备案号:粤ICP备2023092210号-1