特征
•单H桥电流控制电机驱动器
•8.2-V至45-V工作电源电压范围
•5位电流控制允许高达32个电流电平
•低MOSFET RDS(开),典型0.65Ω(HS+LS)
•24 V时最大驱动电流为5 A,TA=25°C
•内置3.3V参考输出
•并行数字控制接口
•热增强表面安装组件
•保护功能:
–过电流保护(OCP)
–热关机内部关机(TSD)
–VM欠压锁定(UVLO)
–故障状态指示引脚(nFAULT)
应用
•打印机
•扫描仪
•办公自动化机器
•游戏机
•工厂自动化
•机器人技术
说明
DRV8840为打印机、扫描仪和其他自动化设备应用提供集成的电机驱动解决方案。该装置有一个H桥驱动器,用于驱动一个直流电机。每一个的输出驱动器块由N通道功率mosfet组成,配置成全H桥来驱动电机绕组。DRV8840可提供高达5安峰值或3.5安的输出电流(在24 V和25°C下适当散热)。
一个简单的并行数字控制接口与工业标准设备兼容。衰减模式可编程,以便在禁用时允许电机制动或滑行。
提供过流保护、短路保护、欠压闭锁和超温的内部停机功能。
DRV8840采用带PowerPAD的28针HTSSOP封装™ (环保:RoHS和no Sb/Br)。
设备信息

(1)、有关所有可用的软件包,请参阅数据表末尾的医嘱内容附录。
简化示意图

典型特征

详细说明
概述
DRV8840是一个集成的电机驱动解决方案,适用于打印机、扫描仪和其他自动化设备应用。该器件集成了单个NMOS H桥、电荷泵、电流检测、电流调节和器件保护电路。DRV8828可以从8.2V到45V的单电源供电,并且能够提供高达5A的连续输出电流。
一个简单的PHASE/ENBL接口可以方便地连接到外部控制器。5位电流控制方案允许多达32个离散电流电平。电流调节方法在慢衰减和快衰减之间可调。
集成保护电路允许设备监控和保护过电流、欠压和过热故障,这些故障都是通过故障指示引脚(nFAULT)报告的。集成了低功耗休眠模式,允许系统在不驱动电机时降低功耗。
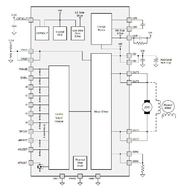
功能框图

特性描述
PWM电机驱动器
DRV8840设备包含一个带电流控制PWM电路的H桥电机驱动器。电机控制电路的框图如图5所示。

有多个VM、ISEN、OUT和VREF引脚。所有类似命名的管脚必须在PCB上连接在一起。
桥梁控制
相位输入引脚控制流过H桥的电流方向,从而控制直流电机的旋转方向。ENBL输入引脚在高电平激活时启用H桥输出,也可用于电机的PWM速度控制。注意,当ENBL=0时,衰变管脚的状态选择桥接器的行为,允许选择慢衰减(制动)或快速衰减(滑行)。表1显示了逻辑。

控制输入具有大约100 kΩ的内部下拉电阻器。
电流调节
通过电机绕组的最大电流由固定频率的PWM电流调节或电流斩波来调节。当H桥启用时,电流通过绕组以取决于绕组的直流电压和电感的速率上升。一旦电流达到电流斩波阈值,电桥将禁用电流,直到下一个PWM周期开始。
对于直流电动机,电流调节用于限制电动机的起动和失速电流。速度控制通常通过向ENBLx输入引脚提供外部PWM信号来执行。
如果不需要电流调节功能,可以通过将ISENSE引脚直接连接到地,将VREF引脚连接到V3P3来禁用。
PWM斩波电流由比较器设置,比较器将连接到ISEN引脚的电流检测电阻器的电压乘以系数5与参考电压进行比较。参考电压从VREF引脚输入,并通过5位DAC进行缩放,该DAC允许以近似正弦顺序将电流设置为0到100%。
满标度(100%)斩波电流在方程式1中计算。

例子:
如果使用0.25-Ω感测电阻器且VREFx引脚为2.5 V,则满标度(100%)斩波电流将为2.5 V/(5×0.25Ω)=2 a。
五个输入引脚(I0-I4)用于将电桥中的电流缩放为VREF输入引脚和感测电阻设置的满量程电流的百分比。I0-I4引脚的内部下拉电阻约为100 kΩ。销的功能如表2所示。

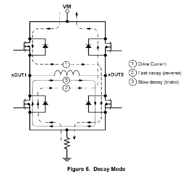
衰减模式和制动
在PWM电流斩波过程中,H桥可驱动电流通过电机绕组,直到达到PWM电流斩波阈值。这在图6中显示为案例1。显示的电流方向指示xENBL引脚高时的状态。
一旦达到斩波电流阈值,H桥可以在两种不同的状态下工作,快衰减或慢衰减。
在快速衰减模式下,一旦达到PWM斩波电流电平,H桥将反转状态,以允许绕组电流反向流动。当绕组电流接近零时,电桥被禁用以防止任何反向电流流动。快速衰减模式如图6所示为案例2。
在慢衰减模式下,通过启用电桥中的两个低边场效应晶体管,绕组电流被重新循环。这在图6中显示为案例3。

DRV8840设备支持快速衰减和慢速衰减模式。慢或快衰变模式由衰变管脚的状态选择-逻辑低选择慢衰变,逻辑高设置快衰变模式。衰变管脚的内部上拉电阻约为130 kΩ,内部下拉电阻约为80 kΩ。如果引脚保持打开或未驱动,则设置混合衰减模式。
衰变模式在禁用时也会影响网桥的操作(通过使ENBL引脚处于非活动状态)。如果启用输入用于电机的PWM速度控制,或仅用于启动和停止电机旋转,则此项适用。
如果衰减引脚高(快速衰减),当电桥被禁用时,将进入快速衰减模式,直到通过电桥的电流达到零。一旦电流为零,电桥将被禁用,以防止电机反转方向。这使发动机滑行到停止位置。
如果衰变引脚低(慢衰变),当ENBL失效时,两个低侧FET都将被打开。这基本上缩短了反电动势的电机,导致电机制动,并迅速停止。即使在电流达到零之后,低侧场效应晶体管仍将保持导通状态。
下料时间
在H桥中启用电流后,在启用电流检测电路之前,xISEN引脚上的电压将被忽略一段固定的时间。消隐时间固定为3.75μs。注意消隐时间还设置了PWM的最小接通时间。
保护电路
DRV8840设备具有充分的保护,可防止欠压、过电流和过热事件。
过流保护(OCP)
每个FET上的模拟电流限制电路通过移除栅极驱动来限制通过FET的电流。如果该模拟电流限制持续时间超过OCP时间,H桥中的所有FET将被禁用,nFAULT引脚将被驱动至低电平。设备将保持禁用状态,直到应用nRESET pin,或移除并重新应用VM。
高压侧和低压侧装置上的过电流情况;即对地短路、电源短路或电机绕组短路,都将导致过电流停机。注意,过电流保护不使用用于PWM电流控制的电流检测电路,并且与ISENSE电阻值或VREF电压无关。
热关机(TSD)
如果模具温度超过安全限值,H桥中的所有FET将被禁用,并且nFAULT引脚将被驱动到低电平。一旦模具温度下降到安全水平,操作将自动恢复。
欠压锁定(UVLO)
如果在任何时候VM引脚上的电压低于欠压锁定阈值电压,设备中的所有电路将被禁用,内部逻辑将被重置。当VM高于UVLO阈值时,操作将恢复。
设备功能模式
复位和复位操作
当低电平驱动时,nRESET引脚复位内部逻辑。它还禁用H桥驱动程序。当nRESET处于活动状态时,将忽略所有输入。
驱动nSLEEP低将使设备进入低功耗睡眠状态。在这种状态下,H桥被禁用,栅极驱动电荷泵停止,V3P3OUT调节器被禁用,所有内部时钟停止。在这种状态下,所有输入都被忽略,直到nSLEEP返回inactive high。从睡眠模式返回时,需要经过一段时间(大约1毫秒)后,电机驱动器才能完全工作。注意,nRESET和nSLEEP的内部下拉电阻约为100kΩ。这些信号需要被驱动到逻辑高电平以进行设备操作。
应用与实施
注意
以下应用章节中的信息不是TI组件规范的一部分,TI不保证其准确性或完整性。TI的客户负责确定组件的适用性。客户应验证和测试其设计实现,以确认系统功能。
申请信息
DRV8840装置用于有刷电机或步进电机控制。板载电流调节允许通过简单的引脚配置来限制电机电流。
典型应用

设计要求
表3显示了该应用的设计参数。

详细设计程序
电流调节
最大电流(ITRIP)由Ix引脚、VREF模拟电压和感测电阻值(RSENSE)设定。当启动有刷直流电动机时,由于没有反电动势和高的制动转矩,可能会产生大的励磁涌流。电流调节将限制该涌入电流并防止启动时出现高电流。

例子:如果所需的斩波电流为1.5 A:
•设置RSENSE=100 mΩ
•VREF必须为0.75 V
•从V3P3OUT(3.3 V)创建电阻分压器网络,以设置VREF=0.75 V
•设置R2=10 kΩ,设置R1=3 kΩ
感测电阻器
为了获得最佳性能,感测电阻器必须:
•表面安装
•低电感
•额定功率足够高
•靠近电机驱动器
感测电阻器消耗的功率等于Irms2×R。例如,如果均方根电机电流为1.5 A,并且使用200 mΩ感应电阻器,则电阻器将消耗1.5 A2×0.2Ω=0.3 W。随着电流水平的增大,功率迅速增加。
电阻器通常在某些环境温度范围内有一个额定功率,以及在高环境温度下的降额功率曲线。当一个PCB与其他发热元件共用时,应增加余量。最好是测量最终系统中的实际感测电阻温度,以及功率mosfet,因为它们通常是最热的元件。
由于功率电阻器比标准电阻器更大、更昂贵,因此通常在感测节点和接地之间并联使用多个标准电阻器。这样可以分配电流和散热。
应用曲线

电源建议
DRV8840设计用于在8.2 V至45 V的输入电压电源(VM)下工作。该设备的绝对最大额定值为47 V。必须在每个VM引脚处放置一个额定值为VM的0.1-μF陶瓷电容器,尽可能靠近DRV8840。此外,VM上必须包括一个大容量电容器。
整体电容尺寸
具有合适的局部体积电容是电机驱动系统设计的一个重要因素。一般来说,有更多的体积电容是有益的,但缺点是成本和物理尺寸增加。
所需的本地电容量取决于多种因素,包括:
•电机系统所需的最高电流。
•电源的电容和提供电流的能力。
•电源和电机系统之间的寄生电感量。
•可接受的电压纹波。
•使用的电机类型(有刷直流、无刷直流、步进电机)。
•电机制动方法。
电源和电机驱动系统之间的电感会限制电源电流的变化率。如果局部大容量电容太小,系统将对过大的电流需求作出响应,或者随着电压的变化而从电机中卸载。当使用足够的大容量电容时,电机电压保持稳定,并能快速提供大电流。
数据表通常提供建议值,但需要进行系统级测试以确定适当尺寸的大容量电容器。
大容量电容器的额定电压应大于工作电压,以便在电机向电源传输能量时提供裕度。

布局
布局指南
每个VM终端必须使用低ESR陶瓷旁路电容器旁路至GND,推荐值为VM额定值0.1μF。这些电容器应放置在尽可能靠近VM引脚的地方,并与设备的GND引脚有一个厚的迹线或接地平面连接。
VM引脚必须使用额定为VM的大容量电容器旁路接地。该成分可能是一种电解液。
低ESR陶瓷电容器必须放置在CP1和CP2引脚之间。TI建议VM的额定值为0.1μF。将此部件尽可能靠近销。
低ESR陶瓷电容器必须放置在VM和VCP引脚之间。TI建议16 V额定值为0.47μF。将该部件尽可能靠近销。此外,在VM和VCP之间放置1 MΩ。
使用额定电压为6.3 V的陶瓷电容器将V3P3旁路至接地。将该旁路电容器尽可能靠近引脚。
电流检测电阻器应尽可能靠近器件引脚,以尽量减少引脚和电阻器之间的痕迹电感。
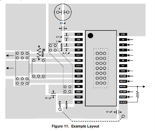
布局示例

热注意事项
DRV8840具有如上所述的热关机(TSD)。如果模具温度超过约150°C,设备将被禁用,直到温度降至安全水平。
设备进入TSD的任何趋势都表明功率消耗过大、散热不足或环境温度过高。
功耗
DRV8840在运行直流电机时的平均功耗可粗略估计为:方程式3。

其中:
•P是一个H桥的功耗
•RDS(ON)是每个FET的电阻
•IOUT是施加到每个绕组的RMS输出电流。
IOUT等于直流电机的平均电流。注意,在启动和故障条件下,该电流远高于正常运行电流;还需要考虑这些峰值电流及其持续时间。因数2来自于这样一个事实:在任何时刻,两个fet都在传导绕组电流(一个高压侧和一个低压侧)。
装置中可消耗的最大功率取决于环境温度和散热量。
注意RDS(ON)随着温度的升高而增加,因此当设备加热时,功耗也会增加。在确定散热器尺寸时,必须考虑到这一点。
散热
电源板™ 包装使用一个暴露的垫子来去除设备的热量。为了正确操作,该焊盘必须与PCB上的铜热连接以散热。在具有接地板的多层PCB上,这可以通过添加多个通孔来实现,以将热垫连接到地平面。在没有内部平面的PCB上,可以在PCB的任一侧添加铜区域来散热。如果铜区在PCB的另一侧,热通孔用于在顶层和底层之间传递热量。
一般来说,提供的铜面积越多,消耗的功率就越大。
安芯科创是一家国内芯片代理和国外品牌分销的综合服务商,公司提供芯片ic选型、蓝牙WIFI模组、进口芯片替换国产降成本等解决方案,可承接项目开发,以及元器件一站式采购服务,类型有运放芯片、电源芯片、MO芯片、蓝牙芯片、MCU芯片、二极管、三极管、电阻、电容、连接器、电感、继电器、晶振、蓝牙模组、WI模组及各类模组等电子元器件销售。(关于元器件价格请咨询在线客服黄经理:15382911663)
代理分销品牌有:ADI_亚德诺半导体/ALTBRA_阿尔特拉/BARROT_百瑞互联/BORN_伯恩半导体/BROADCHIP_广芯电子/COREBAI_芯佰微/DK_东科半导体/HDSC_华大半导体/holychip_芯圣/HUATECH_华泰/INFINEON_英飞凌/INTEL_英特尔/ISSI/LATTICE_莱迪思/maplesemi_美浦森/MICROCHIP_微芯/MS_瑞盟/NATION_国民技术/NEXPERIA_安世半导体/NXP_恩智浦/Panasonic_松下电器/RENESAS_瑞莎/SAMSUNG_三星/ST_意法半导体/TD_TECHCODE美国泰德半导体/TI_德州仪器/VISHAY_威世/XILINX_赛灵思/芯唐微电子等等
免责声明:部分图文来源网络,文章内容仅供参考,不构成投资建议,若内容有误或涉及侵权可联系删除。
Copyright © 2002-2023 深圳市安芯科创科技有限公司 版权所有 备案号:粤ICP备2023092210号-1