一般说明
LM2641是双降压电源控制器适用于笔记本电脑和其他电池供电设备。逻辑电平N通道的定频同步驱动功率MOSFET与可选在1000:1负载电流范围内实现超高效功率转换的脉冲跳过模式。脉搏跳动模式可以禁用,有利于固定频率操作无论负载电流水平如何。高直流增益电流模式反馈控制保证出色的线路和负载调节和宽环路带宽快速响应动态负载。内部振荡器将开关频率固定在300千赫。或者,切换可以同步到外部时钟运行速度高达400千赫。可选软启动功能限制来自在启动时输入电源并提供一种简单的方法启动顺序。逻辑电平输入允许控制器打开和分别关闭。
主要规格
96%效率
5.5至30V输入范围
双输出可从2.2到8V可调
0.5%典型负荷调节误差
0.002%/V典型线路调节误差
特征
300 kHz固定频率开关
与外部信号的开关同步
400千赫
可选跳脉冲模式
可调二次反馈
输入欠压闭锁
输出欠压停机保护
输出过压停机保护
可编程软启动(每个控制器)
5V,50 mA线性调节器输出
2.5V精密输出
28针TSSOP
应用
笔记本和子笔记本电脑
无线数据终端
电池供电仪器
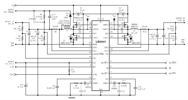
典型应用电路


绝对最大额定值(注2,(一)
IN、SW1和SW2−0.3至31V
FB1和FB2−0.3至3V SD,开/关1,开/关2,2NDFB/FPWM,同步,参考,SS1,SS2,组件1,组件2和CSL1−0.3至(VLIN+0.3)V
LIN−0.3至6VCSH1、CSH2和CSL2(注十二)−0.3至9VCBOOT1至SW1的电压从CBOOT2到SW2−0.3至5V
从HDRV1到SW1的电压
从HDRV2到SW2−0.3伏
CBOOT1至HDRV1和CBOOT2
HDRV2型−0.3伏
接头温度。+150摄氏度
功耗(注3)883兆瓦
环境储存温度。(TJ)−65至+150˚C
焊接停留时间,温度。注(4)
波浪4秒,260摄氏度
红外线10秒,240摄氏度
汽相75秒,219˚C
ESD额定值(注5)2 kV
运行额定值(注1、2)
VIN 5.5至30V
接头温度。(TJ)0至+125˚C
电气特性
普通字体中出现的典型值和限值适用于TJ=25˚C。黑体字显示的限值适用于整个运行接合温度范围,即0至+125˚C。除非参数或条件列中另有规定,否则VIN=10V,VSD=VON/OFF1=VON/OFF2=5V(注2、6、7)

电气特性(续)
普通字体中出现的典型值和限值适用于TJ=25˚C。黑体字显示的限值适用于整个运行接合温度范围,即0至+125˚C。除非参数或条件列中另有规定,否则VIN=10V,VSD=VON/OFF1=VON/OFF2=5V(注2、6、7)

注1:除非另有规定,否则所有电压均与GND和PGND引脚上的电压有关。
注2:绝对最大额定值是指超过该限值,设备可能会损坏。操作额定值是指设备运行的条件是有保证的。运行额定值并不意味着有保证的性能限制。有关保证性能限制和相关测试条件,请参阅电气特性表。
注3:绝对最大功耗取决于环境温度。883兆瓦的额定值是由150˚C、70˚C和90.6˚C/W替代而成的对于TJmax,TA,θJA分别转化为公式Pmax=(TJmax-TA)/θJA,其中Pmax为绝对最大功耗,TJmax为绝对最大功耗结温,TA是环境温度,θJA是封装的结对环境的热阻。θ90.6θ代表W/A28针TSSOP无散热的最坏情况。散热可以安全地释放更多的能量。绝对最大功耗必须环境温度高于70摄氏度时,每摄氏度降低11.04兆瓦。LM2641主动地将其结温限制在150摄氏度左右。
注4:有关焊接塑料小外形封装的详细信息,请参阅国家半导体公司提供的包装数据手册。
注5:出于测试目的,使用人体模型施加ESD,100 pF电容器通过1.5 kΩ电阻器放电。
注6:典型值为TA=TJ=25˚C的特征数据中心。不保证典型值。
注7:保证所有限制。所有具有室温限值的电气特性在生产过程中以TA=25°C进行测试。所有热限和冷限值均为通过将电气特性与过程和温度变化相关联并应用统计过程控制来保证。
注8:两个控制器都打开,但不切换。在IN、CSL1、CSH1、CSL2和CSH2处测量进入IC的电流。在CSL1和CSH1进入乘以0.50来模拟从10V到5V的开关转换的效果。在CSL2和CSH2处输入的值乘以0.33来模拟从10V到3.3V的开关变换的效果。乘法后,所有五个电流都相加。因为CSL1输入端的电压大于LIN到VOUT切换阈值,大部分输入电源电流通过CSL1输入进入IC。
注9:两个开关控制器均关闭。5V,50 mA线性调节器(LIN输出)和精度2.5V参考(REF输出)保持开启。
注10:开关控制器和2.5V精密基准均关闭。5V,50毫安线性调节器保持接通。
注11:控制器保持关闭状态,直到5V、50 mA线性调节器(LIN输出)的电压达到该阈值。
注12:在输出电压可能超过绝对最大额定值的应用中,必须将100Ω电阻器与CSH和CSL输入串联。

典型性能特征


操作理论
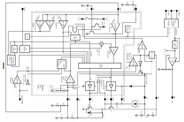
电流模式控制器的基本操作主电源将输出电压保持在恒定值控制回路,由误差放大器电流检测放大器和PWM比较器(参见方框图,图3)。LM2641控制器有两种主要操作模式:强制脉冲宽度调制(FPWM),其中控制器始终以固定频率工作,并且脉冲跳变控制器频率降低时的模式输出负载以提高轻载效率。
FPWM工作模式
将FPWM引脚拉低启动操作模式称为强制脉冲宽度调制(FPWM)。这意味着LM2641将始终以固定频率工作,不管输出负载。操作周期为:高侧场效应晶体管开关在每个时钟周期,使电流流过感应器。这个电感器电流上升,导致感应电阻,这个电压被电流放大感应放大器。来自电流检测放大器的电压信号被应用与PWM比较器的输入端进行比较误差放大器设置的控制电平。一旦水流感测信号达到该控制电压时,PWM通讯器复位关闭高压侧的驱动器逻辑FET开关。低侧FET开关在延迟时间后开启
以下两者中的较小者:
(a) SW引脚电压达到零所需的时间(即电压由直通保护电路感测)。
(b) 100 ns,这是最大延迟的预设值。在非常轻的负载下(在FPWM模式下)运行时电感器电流必须以负方向流过低压场效应管开关,以保持固定的频率操作模式。因此,内置的零交叉当FPWM模式激活时,探测器被禁用(也就是说,当FPWM引脚被拉到低状态时)。应注意,如果FPWM引脚高(操作在下一节中描述),过零检测器将转动在感应器电流任何时候关闭低侧FET开关降到零(这可以防止负电感器电流)。
跳脉冲运行方式
将FPWM引脚拉高,可使LM2641在轻负载下的脉冲跳频模式,其中开关频率随着输出负载的降低而降低。控制器将以固定频率模式运行,如中所述如果输出负载电流足够高。在轻负载下,脉冲跳过会导致更高的效率,例如降低开关频率会降低开关量损失。负载电流值固定频率到脉冲跳频操作发生的是电感器电流低到足以引起通过电流感应电阻器(R4)测得的电压或R13)降至25毫伏以下。在脉冲跳过模式下,高侧FET开关将转动在第一个时钟周期开始时打开反馈引脚处的电压低于参考值电压。高压侧FET开关保持接通,直到电流感应电阻器上的电压升至25 mV(和然后关闭)。
斜坡补偿
所有电流模式控制器都需要使用斜坡补偿来防止次谐波振荡,这种补偿内置于LM2641中。内部补偿假定RSENSE值为25 mΩ,电感器值为6.8μH,最大输出电压6V。为了防止振荡,补偿的斜率M斜坡必须等于电流感应放大器输出端的电压波形。斜率M与外部成分的关系如下:MCOMP=MCS安培(最大值)=N X RSENSE X VOUT(max)/LMCOMP是补偿斜坡的坡度。
MCS AMP(max)是电流检测放大器输出端的电压。N是电流检测放大器的增益。RSENSE是电流检测电阻器的值。VOUT(max)是最大输出电压。L是输出电感的电感。需要注意的是,由于RSENSE值出现在分子和L是分母,这两个值可按相同比例增加或减少改变坡度。负载电流值越高,RSENSE值越低挑选出来的。输出电感器的电感值应该减少相同的百分比来维持正确的斜坡补偿。
申请信息
改善瞬态响应
如果输出电压低于标称值的97%,低压调节(LREG)比较器将启动持续打开高侧场效应晶体管开关的逻辑直到输出恢复正常。低压场效应晶体管开关在此期间被推迟。此操作将改善瞬态响应,因为它绕过误差放大器和PWM比较器,强制高压侧接通,直到输出恢复正常。这个启动期间功能被禁用。增压高压侧闸门驱动一个“飞行”的自举电容被用来产生栅极用于高压场效应晶体管开关的驱动电压。这种启动带电容器使用内部当低压侧FET开关打开。当高侧场效应晶体管开关打开时,源在输入电压附近拉起。通过自举电容器提高栅极驱动电压,确保栅极驱动电压至少比来源。
参考文献
内部带隙基准用于产生2.5V连接到REF引脚的参考电压。这个参考电压的保证公差为±2%只要工作温度范围较长≤5毫安。REF引脚上不需要旁路电容器,但可以用于降低噪音。
申请信息(续)
5V LIN输出
LM2641包含一个内置的5V/50毫安LDO稳压器其输出连接到LIN引脚。既然这是一个LDO稳压器,它需要一个外部电容器来维持稳定性。所需的最小电容量稳定性为4.7μF,ESR在约100 mΩ范围内至3Ω。推荐一种高质量的固体钽电容器(由于电渣重熔而不能使用陶瓷)低)。如果需要低温操作,电容器必须选择ESR处于稳定状态的整个工作温度范围应用程序。因为这个LDO调节器的电流限制设置在85毫安,可用于负载电流高达约50毫安(假设总IC功耗不超过最大值)。在负载的整个工作温度范围内,为VLIN的最坏情况值提供了保证规格电流高达25mA(见电气特性)。估计VLIN输出电压从ILIN=25mA到ILIN=50mA,VLIN的变化约为由于负载(典型值)的原因,预计为-30mV仅限,不保证)。VLIN的减少与增加负载电流。必须理解的是,最大允许电流50mA必须包括栅极驱动所消耗的电流电路。这意味着在LIN引脚处的使用是50毫安减去正在使用的任何电流内部用于闸门驱动。每个开关用于栅极驱动的电流量可以使用以下公式计算输出:IGD=2xQxVOSC
IGD是VLIN提供的栅极驱动电流。Q是所选FET所需的栅极电荷(参见FET数据表:栅极电荷特性)。FOSC是开关频率。示例:如典型应用中所示,如果FETNDS8410与LM2641一起使用,LM2641是开启门电压(VGS)为5V−V碘=4.3V。参考NDS8410数据片上,曲线栅电荷特性表明这个VGS值的栅极电荷约为24 nC。假设开关频率为300 kHz,则每个开关输出使用的栅极驱动电流为:IGD=2xQxVOSC=2 X(24 X 10−9)X(3 X 105)=14.4毫安
如果两个输出都是开关,则总栅极驱动电流抽取两次(28.8毫安)。注意,在开关输出#1处的电压为4.8V或更高,获得内部栅极驱动电流从该输出(这意味着完整的50毫安可用于在LIN引脚处外部使用)。同步管脚基本工作频率300kHz可提高通过使用同步管脚和外部CMOS或TTL时钟。同步脉冲必须具有最小脉冲宽度为200纳秒。如果不使用同步功能,则同步引脚必须连接到LIN针脚或接地,以防止错误触发
限流电路
LM2641受到保护,不会因过度输出电流由一个内部电流限制比较器,它逐周期监控输出电流。电流限制器在输出感测电阻器上产生的电压超过100 mV(正值或负值)。如果感应到的电压超过100毫伏,高压侧场效应晶体管开关关闭。如果感应到的电压低于-100mV,低侧FET开关关闭。应该是的注意到需要足够的输出电流来激活限流电路会导致输出电压下降,这可能导致欠电压闭锁关闭(见下一节)。
欠压/过压保护
LM2641包含保护电路,如果输出电压过低(UV)或过高(OV)。在如果发生UV或OV故障,LM2641将被锁定高边场效应晶体管关闭,而低边场效应晶体管关闭打开了。如果输出电压低于标称值的70%,则欠压比较器将锁定LM2641。到恢复运行时,必须关闭设备电源然后恢复。需要注意的是,紫外线锁闩在过大的输出电流迫使输出的情况电压下降。紫外线锁存电路在启动。如果输出电压超过标称值的150%,则过电压比较器锁定LM2641。如前所述在此之前,必须先关闭电源,然后再打开电源才能恢复操作。必须注意的是,OV闩锁不能保护负载在高压侧FET开关发生故障的情况下避免损坏(FET短路并将输入电压连接到负载)。发生此类故障时,可对负载进行保护使用电源线中的保险丝实现。自从每当OV锁存器激活时,低侧FET开关就会打开,如果FET和保险丝都启动,则会使串联保险丝熔断尺寸正确。
软启动
连接至软启动的内部5μA电流源引脚允许用户编程LM2641。如果电容器连接到SS引脚,则该引脚上的电压在接通时将线性上升。这个电压用于控制场效应晶体管的脉冲宽度开关。脉冲宽度从一个非常窄的值开始线性变化增加到SS引脚电压1.3V。此时,脉冲对脉冲电流限制器控制直到脉冲宽度达到额定值(PWM电流模式控制回路接管)。LM2641包含一个数字计数器(参考振荡器频率)乘以软启动间隔。这个分配的最大SS时间段是振荡器时钟,这意味着时间周期随振荡器频率:最大允许SS间隔=4096/FOSC
申请信息(续)
如果输出电压不在标称值的−1%范围内移动在4096次计数期间,设备将锁定。到恢复操作时,必须将电源从关闭切换到打开。最小脉冲宽度随着输入电压的增加,脉冲宽度开关场效应晶体管减少。如果脉冲宽度小于350ns,脉冲抖动可能会发生交替使用稍微不同的脉冲宽度。这不是影响调节器稳定性或输出电压精度。
启动问题
LM2641包含输出欠压保护由一个数字计数器和一个监视VOUT的比较器组成的电路。开机时,计数器开始工作当输入电压达到ap 大约3V时,计算时钟周期。如果计数器之前达到4096个周期输出电压上升到标称值的1%以内,IC将在欠压故障条件下被锁定。此保护的功能是在下列情况下关闭调节器输出过载(例如对地短路)。然而,如果锁存器不能启动电路,则会导致故障设计合理。以下两个部分解释如何避免这些类型的问题:输入电压上升时间如果输入电压上升太慢,LM2641将锁定关闭处于欠压状态。为了避免这个问题,输入电压必须上升得足够快,以便输出在4096计数时间间隔过去之前进入调节。对于300 kHz的开关频率,4096个周期在13.6毫秒内完成。实际上,车辆识别号的总上升时间不应接近4096时钟周期限制,如果要保证可靠启动。它需要注意的是,VIN的总上升时间也会受到影响当电源转换器开始切换时,通过电流负载(从输入电容器中吸取电力)引起它们的电压骤降(详细的输入电容器要求将在下一节中概述)。同样重要的是要注意到这类启动问题更可能发生在输出电压较高的情况下,因为输入电压必须上升到更高的电压要调节的输出电压(即输入dV/dt速度必须更快)。建议的输出电压限制不应超过6V。
输入电容
输入电容的数量和类型直接与监管机构的启动能力有关。原因是输入电容器作为调节器开始切换时的功率转换器。通常,输入电压(即输入电容器)将随着功率转换器开始消耗电流而下降,这将导致车辆识别号(VIN)的下降。如果输入电容太小或ESR过大,输入音量可能不够快允许输出电压在数字时钟计数4096个周期,部件将锁定作为欠压故障。要防止此类启动问题:
1.输入电容器必须提供足够的体积容量和低阻抗。用于高频开关应用的固体钽电容器因为它们通常提供最好的成本/性能特性和低ESR,即使在低温下。陶瓷电容在整个温度范围内也有很低的ESR,但应使用X5R/X7R电介质类型来确保提供足够的电容(Z5U或Y5F类型不适合)。一些较新的电解类型,如POSCAP,OSCON和聚合物电解质也可用作输入电容器。但是,如果应用将在低温下用作电渣重熔这些电容器在温度低于0˚C时会显著增加。大多数铝电解质在低于此限制的温度下不能与此IC一起使用。检查所选电容器的ESR规格如果需要低温操作,请小心操作。
2.输入电容器必须物理定位离开关超过一厘米远FET,作为开关电流路径中的跟踪电感会引起问题。
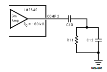
回路补偿
LM2641必须适当补偿以确保运行稳定,瞬态响应好。和任何人一样控制回路,当补偿得到优化,从而在保持足够的相位裕度的同时获得最大的带宽,从而获得最佳性能稳定性。LM2641的最佳性能通常在以下情况下获得:环路带宽(定义为环路增益等于单位)在FOSC/10到FOSC/5的范围内。在讨论回路稳定性时,应注意有一个高频极fp(HF),其频率可以近似值为:fp(HF)~FOSC/2 X QS(假设QS<0.5)

从QS的近似值可以看出,最高fp(HF)的频率出现在VIN的最大值处。fp(HF)的最低频率约为FOSC/10(当车辆识别号为=4.5V和VOUT=1.8V)。如上所述,极fp(HF)的位置通常在从FOSC/10到FOSC/4的范围。这根杆子通常在单位增益交叉频率附近,如果不进行补偿,可以显著降低相位裕度。通常,输出电容器的ESR形成一个零通常非常接近fp(HF)的频率,并提供负相移的消除否则因为。因此,必须小心选择输出电容器。LM2641的大部分环路补偿由误差放大器输出到地的R-C网络(见图4)。因为这是一个跨导放大器,它具有非常高的输出阻抗(160 kΩ)。

显示的组件将向回路添加极点和零增益由以下等式给出:
C10加上一个极点,其频率由下式给出:
fp(C10)=1/[2πX C10(R11+160k)
C12增加一个极点,其频率由下式给出:
fp(C12)=1/[2πX C12(R11 | | 160k)
R11加上一个0,其频率由下式给出:
fz(R11)=1/[2πX R11(C10+C12)
输出电容器为回路增加一个极和一个零:fp(COUT)=1/[2πX RL X COUT]fz(ESR)=1/[2πX ESR X COUT]式中,RL为负载电阻,ESR为等效值输出电容器的串联电阻。补偿元件的功能将在典型回路增益图的定性讨论中阐明对于LM2641应用程序,如图5所示。

C10和R11形成极和零。更改的值C10移动极点和零点的频率。改变R11会移动零点而不会产生明显的影响。C10极通常被称为主导极,它的主要功能是降低环路增益和降低带宽。R11零点需要添加一些正相移从两者中抵消一些负相移低频磁极。没有这个零,这两个极点会在单位增益交叉点引起−180˚的相移,这显然是不稳定的。通常会获得最佳结果如果选择R11,使得fz(R11)的频率在fc/4到fc的范围,其中fc是单位增益交叉频率。
输出电容器(连同负载电阻RL)
形成一个显示为fp(COUT)的极。虽然该极点随RL变化,环路增益也成比例变化,这意味着单位增益交叉频率保持不变基本上是常数,与RL值无关。C12最常用于创建附加极用于绕过补偿销。在许多应用中,这种电容器是不必要的。如果使用C12,如果磁极设置在FOSC/2到2FOSC的范围内。这将提供开关高频噪声的旁路但只添加少量负相在单位增益交叉频率偏移。COUT的ESR(以及COUT的电容)形成零fz(ESR),通常介于10kHz和50kHz。这个零非常重要,因为它抵消了高频极fp(HF)引起的相移。它是重要的是选择电容和ESR值正确的COUT,将此零点置于fc附近(典型范围fc/2至fc)。作为一个例子,我们将对环路增益进行分析3.3V设计图。用于计算的值包括:
VIN=12伏
电压=3.3V@4A
COUT=C14+C16=200μF
ESR=60 mΩ(每个)=30 mΩ总计
FOSC=300kHz
fp(高频)~40kHz
R13=20mΩ
L2=6.8μH
RL=0.825Ω
直流增益=55dB
补偿元件的值为:C10=
2200 pF,R11=8.2k,不使用C12。使用这个数据,计算极点和零点:
fp(C10)=1/[2πX C10(R11+160k)]=430Hz
fz(R11)=1/[2πX R11(C10+C12)]=8.8kHz
fp(COUT)=1/[2πX RL X COUT]=960Hz
fz(ESR)=1/[2πX ESR X COUT]=27kHz
fp(高频)~40kHz
使用这些值,计算的增益图如所示图6。

从图中可以看出,频率fc上的单位增益交叉预计约为25kHz。使用这个值,则计算该点的相位裕度约为84˚。为了验证这些计算的准确性,电路使用网络分析仪进行台架测试。测量的增益相位如图7所示。

测得的增益曲线与预测值非常接近价值观。0dB时的相位裕度略小于预测值(71˚vs.84˚),这是由于高频磁极的负相移贡献不包括在本简化分析中。需要注意的是,带宽25kHz的70˚相位裕度非常好,代表了最佳补偿对于VIN、VOUT、电感器和RL的这组值
优化稳定性
测量带宽和相位的最佳工具margin是一个网络分析仪。如果这不可用,一个简单的衡量环路稳定性的方法是施加最小至最大输出负载电流阶跃并观察产生的输出电压瞬态。设计具有良好的相位裕度(>50˚)通常会显示“否”输出电压瞬变恢复到其标称值后响铃。需要注意的是,稳定性(相位裕度)并不必须是最佳的,以使调节器稳定。设计前一节中的分析由改变R11和C10以有意降低相位裕度约为35˚并重新测试阶跃响应。这个输出波形在初始恢复到标称值后显示出轻微的响声,但在其他情况下完全稳定。在大多数情况下,补偿组件显示在典型的应用电路将提供良好的性能。到协助优化相位裕度,遵循以下指南显示更改各种组件的效果。COUT:增加COUT的电容会使极fp(COUT)的频率降低并降低环路带宽。如果环路带宽太宽,增加COUT是有益的(增加相位裕度)(>FOSC/5)将高频极放得太近单位增益交叉频率。COUT的ESR:ESR形成零fz(ESR),即需要消除单位增益附近的负相移频率。高ESR电容器不能使用,因为零的频率太低,这会导致环路带宽太宽。R11/C10:它们形成一个极和一个零。更改值C10的变化同时改变了极点和零点的频率。注意,因为这会导致两个极的频率和零一起上下移动,调整C10对环路带宽没有显著影响。更改R11的值会移动零fz(R11),但不显著改变C10极(因为R11的值远远小于160kΩ的输出Gm放大器的阻抗)。因为只有零是移动,这会影响带宽和相位裕度。这个意味着调整R11是使零点提供的位置相移最大化的简单方法。如果fz(R11)在fc/4到fc的频率范围内,通常会获得最佳结果(其中fc是单位增益交叉频率)。
设计程序
本节介绍选择外部组件的指南。
感应器选择
在选择电感器时,最重要的参数是重要的是电感、电流额定值和直流电阻。
电感
重要的是要明白并非所有的电感器都是被制造出来的相等,因为指定电感的方法变化很大。还必须注意每个电感器的电感随电流减小。电感器的类型、尺寸和结构都与电感器有关在当前负载下。有些电感器有电感曲线相对平坦,而其他曲线可能变化更大从最小电流到最大电流为2:1。在后者
设计程序(续)
在这种情况下,制造商规定的电感值通常是最大值,即实际电感值在你的申请中会少很多。电感曲线较平坦的电感器为佳,因为任何开关变换器的回路特性受电感值的影响。电感器当负载电流变化时,电感值越恒定,回路带宽越大。必须仔细检查电感器的数据表,以便验证所选组件是否具有所需的用于应用的频率和电流的电感。
电流额定值
在以下情况下,本规范可能是最令人困惑的选择感应器,因为制造商使用不同的方法用于指定电感器的额定电流。电感器的额定电流通常是给定的均方根电流,但在某些情况下为峰值电流也将给出额定值(通常是RMS的倍数评级)给用户一些指示电感在饱和区工作。在其他条件相同的情况下,更高的峰值电流额定值首选,因为这允许电感器承受高值无明显电感损耗的纹波电流。在某些情况下,电感与电流曲线相对平坦,给定的额定电流是指电感比标称值低10%。如果电感随电流变化很大,则制造商可能是曲线的“中心点”。这个表示如果在应用程序中使用该电流值,则电感量将小于规定值。
直流电阻
电感器中使用的导线的直流电阻消散降低整体效率的功率。较粗的电线会降低电阻,但会增加尺寸、重量和成本。A当电感器的铜线损耗约为最大输出功率的2%。
选择感应器
确定应用所需的电感量可以使用以下公式:
VIN是最大输入电压。
VOUT是输出电压。
F是开关频率,FOSCIRIPPLE是电感器的纹波电流。总的来说,一个好的价值因为这是大约30%的直流输出电流。从上面的等式可以看出,增加开关频率按比例降低所需的电感量。当然,高频操作由于开关损耗在总功率损失中占主导地位。还应注意减小电感将增加电感器纹波电流(其他术语保持不变)。在选择电感器时,请记住:增加的纹波电流增加了场效应晶体管的传导损耗,电感器铁心损耗,需要更大的输出电容器保持一定量的输出纹波电压。这意味着一个更便宜的电感器(在应用的工作电流下具有更小的电感)将花费其他地方的钱。
输入电容器
高压场效应晶体管的开关动作要求峰值电流可用于开关或大电压瞬态将出现在车辆识别号(VIN)线上。供应这些高峰电流,低ESR电容器必须连接在高边场效应晶体管的漏极和接地。电容器必须尽可能靠近场效应晶体管(最大距离=0.5 cm)。固体钽或低ESR铝电解液可以用于这个电容器。如果使用钽,它必须能够当输入电源时能承受浪涌电流已应用。为了确保这一点,必须对电容器进行浪涌测试由制造商提供,并保证在此类应用中工作。
注意:如果使用典型的现成钽未经电涌测试,通电时可能会爆炸那就完全是空头了。这会导致电容器如果输入源继续提供电流,请着火。
额定电压
对于铝电解,额定电压必须为至少比最大输入电压高25%应用程序。钽电容器需要更大的降额,因此建议所选电容器的额定工作电压为a电压大约是最大输入电压的两倍。
电流额定值
电容器的额定电流均方根值。到确定以下申请公式可用于:
还建议0.1μF陶瓷电容器
从车辆识别号(VIN)到地面,用于高频旁路,尽可能靠近VIN针脚。
输出电容器
输出电容器是关键的环内稳定性(覆盖以及输出电压纹波。最适合用作输出电容器的类型是铝电解和固体钽。
铝电解槽
铝电解槽的主要优点是通常给出最大电容尺寸比,以及价格合理。但是,必须指出的是
高性能铝开关
调节器设计必须是高频、低ESR类型例如三洋OSCON或松下HFQ,它们是专门为交换应用而设计的。电容器这些具有良好的高频(≥100kHz)规格铝电解电容器一般不应用于开关调节器应用环境温度低于0摄氏度。典型的低压铝电解液的ESR与温度曲线相当从25˚C到125˚C,温度变化从25˚C到0˚C将大约是ESR的两倍,并且从0˚C降到−20˚C将再次翻倍。
设计程序(续)
输出二极管
建议在调节输出和接地之间放置二极管,以防止输出在地下摆动。使用的二极管可以是肖特基或硅型,电流额定值应为1A或更大。如果允许输出在地下摆动超过一个Vbe,LM2641的基片将变为正向偏压会导致零件操作不正确。其他可能由负面因素引起的潜在问题输出瞬变会损坏输出电容器,因为如果反向电压为强行穿过它们可能发生这种情况的操作条件并不典型:如果一个或两个输出都很轻,就会发生这种情况负载,且欠压(或过压)条件为检测。当这种情况发生时,LM2641会关闭开关振荡器并打开两个低侧场效应晶体管使感应器的一端突然接地。感应器的另一端(已连接到调节输出)将经历一个短暂的响铃电压作为储存在电感器中的能量被放电。振铃的振幅和持续时间是R-L-C槽电路由输出电容、电感器和,以及电感器绕组的电阻。因此,电感器的选择影响到多大在振幅上,振铃将是。在对典型应用电路中,Sumida电感器显示较少振铃比脉冲电感器,但都显示出电压暂时性的,会稍微低于地面。为此,建议使用输出二极管。
安芯科创是一家国内芯片代理和国外品牌分销的综合服务商,公司提供芯片ic选型、蓝牙WIFI模组、进口芯片替换国产降成本等解决方案,可承接项目开发,以及元器件一站式采购服务,类型有运放芯片、电源芯片、MO芯片、蓝牙芯片、MCU芯片、二极管、三极管、电阻、电容、连接器、电感、继电器、晶振、蓝牙模组、WI模组及各类模组等电子元器件销售。(关于元器件价格请咨询在线客服黄经理:15382911663)
代理分销品牌有:ADI_亚德诺半导体/ALTBRA_阿尔特拉/BARROT_百瑞互联/BORN_伯恩半导体/BROADCHIP_广芯电子/COREBAI_芯佰微/DK_东科半导体/HDSC_华大半导体/holychip_芯圣/HUATECH_华泰/INFINEON_英飞凌/INTEL_英特尔/ISSI/LATTICE_莱迪思/maplesemi_美浦森/MICROCHIP_微芯/MS_瑞盟/NATION_国民技术/NEXPERIA_安世半导体/NXP_恩智浦/Panasonic_松下电器/RENESAS_瑞莎/SAMSUNG_三星/ST_意法半导体/TD_TECHCODE美国泰德半导体/TI_德州仪器/VISHAY_威世/XILINX_赛灵思/芯唐微电子等等
免责声明:部分图文来源网络,文章内容仅供参考,不构成投资建议,若内容有误或涉及侵权可联系删除。
Copyright © 2002-2023 深圳市安芯科创科技有限公司 版权所有 备案号:粤ICP备2023092210号-1