特征
•多个伽马缓冲器
-6通道(EL5129)
-10通道(EL5329)
•单VCOM放大器
•低电源电流
-3.5mA(EL5129)
-5.5mA(EL5329)
•有关更高的速度或更高的输出功率,请参阅EL5x24系列
•提供无铅(符合RoHS标准)
应用
•TFT-LCD显示器
•液晶电视
•工业平板显示器
说明
多通道缓冲器
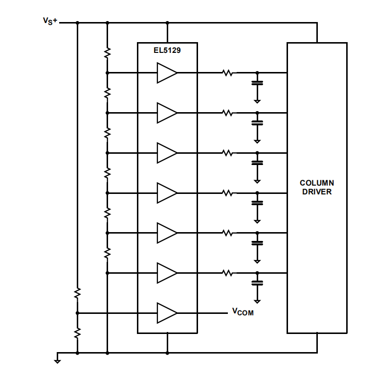
EL5129和EL5329集成了多个伽马缓冲器和一个VCOM缓冲器,用于10英寸及以上的大面板LCD显示器。EL5129集成了6个伽马通道,EL5329集成了10个伽马通道。
每个设备中一半的伽马通道设计为摆动到上供应轨,另一半设计为摆动到下轨。各通道输出能力为10mA连续输出,峰值120mA。伽马缓冲器具有10MHz 3dB带宽规格和9V/μs转换速率。
设计了从轨到轨的摆动放大器。EL5129和EL5329中VCOM的输出电流容量为30mA连续,峰值为150mA,转换速率为10V/μs。
订购信息

注:Intersil无铅产品采用特殊的无铅材料套件;模塑化合物/模具连接材料和100%哑光锡板终端饰面,符合RoHS标准,并与SnPb和无铅焊接操作兼容。Intersil无铅产品的MSL分类为无铅峰值回流焊温度,满足或超过IPC/JEDEC J STD-020的无铅要求。
方块图

典型性能曲线







操作和应用信息说明
产品描述
EL5129和EL5329采用高压CMOS工艺制造。它们具有轨对轨输入和输出能力,并且具有非常低的功耗。当驱动10K和12pF的负载时,缓冲器的-3dB带宽为10MHz,并显示9V/μs的转换率。VCOM放大器的-3dB带宽为12MHz,显示10V/μs的转换率。
输入、输出和电源电压范围
EL5129和EL5329的额定电源电压为5V至15V,或分体式电源,总电压范围为5V至15V。对于4.5V至16.5V的电源,可保证正常工作。
EL5129和EL5329的输入共模电压范围在电源轨外500mV范围内。缓冲器和VCOM放大器的输出摆幅通常延伸到正负电源轨的100mV范围内,负载电流为5mA。降低负载电流将使输出电压更靠近每个电源轨。
输出相位反转
只要输入电压限制在VS--0.5V到VS++0.5V之间,EL5129和EL5329就不会发生相位反转。虽然设备的输出不会改变相位,但应避免输入过电压。如果输入电压超过电源电压0.6V以上,放置在装置输入级的静电保护二极管开始导通,可能发生过电压损坏。
输出驱动能力
EL5129和EL5329没有内部短路保护电路。如果输出直接对正极或负极电源短路,缓冲器将短路电流限制在±120mA,VCOM放大器将短路电流限制在±170mA。如果输出无限期地短路,功耗很容易增加,从而导致部件损坏。如果缓冲器的输出连续电流不超过±15mA,VCOM放大器的输出持续电流不超过±100mA,则可保持最大的可靠性。这些限制由内部金属互连的设计来设定。
未使用的缓冲区
建议将未使用的缓冲器的输入连接到接地层。
功率损耗
由于EL5129和EL5329的高输出驱动能力,在某些负载电流条件下可能超过125°C的“绝对最高结温”。因此,重要的是计算应用的最高结温,以确定是否需要修改负载条件,以使缓冲器保持在安全操作区域。
一个组件中允许的最大功耗根据以下条件确定:

其中:
•TJMAX=最高结温
•TAMAX=最高环境温度
•θJA=封装的热阻
•PDMAX=封装中的最大功耗
集成电路实际产生的最大功耗是总静态电源电流乘以总电源电压,再加上IC中因负载而产生的功率,或:

采购时,以及:

当下沉时。
其中:
•i=1为缓冲器总数
•VS=缓冲器和VCOM的总电源电压
•ISMAX=总静态电流
•VOUTi=应用的最大输出电压
•VOUT=VCOM的最大输出电压
•ILOADi=缓冲器的负载电流
•ILA=VCOM的负载电流
如果我们将两个PDMAX方程设置为相等,就可以求解RLOAD,以避免器件过热。封装功耗曲线提供了一种方便的方法来查看设备是否会过热。根据封装类型和环境温度,可以用图形方式找到最大安全功耗。通过使用前面的公式,很容易看出PDMAX是否超过了器件的功率降额曲线。
电源旁路和印刷电路板布局
与任何高频设备一样,良好的印刷电路板布局是实现最佳性能的必要条件。强烈建议采用接地层结构,导线长度应尽可能短,电源插脚必须绕过,以降低振荡风险。对于正常的单电源操作,在VS-引脚接地的情况下,应从VS+引脚到地面放置一个0.1μF陶瓷电容器。然后将一个4.7μF钽电容器从VS+引脚连接到地。一个4.7μF电容器可用于多个设备。如果要使用分体式电源,则应将相同的电容器组合放置在接地的每个电源引脚上。
重要说明:用于设备散热的金属平面与负电源电位(VS-)电连接。如果VS-接地,热垫可以接地。否则,热垫必须与任何其他电源平面隔离。
TSSOP包装外形图

HTSSOP包外形图

安芯科创是一家国内芯片代理和国外品牌分销的综合服务商,公司提供芯片ic选型、蓝牙WIFI模组、进口芯片替换国产降成本等解决方案,可承接项目开发,以及元器件一站式采购服务,类型有运放芯片、电源芯片、MO芯片、蓝牙芯片、MCU芯片、二极管、三极管、电阻、电容、连接器、电感、继电器、晶振、蓝牙模组、WI模组及各类模组等电子元器件销售。(关于元器件价格请咨询在线客服黄经理:15382911663)
代理分销品牌有:ADI_亚德诺半导体/ALTBRA_阿尔特拉/BARROT_百瑞互联/BORN_伯恩半导体/BROADCHIP_广芯电子/COREBAI_芯佰微/DK_东科半导体/HDSC_华大半导体/holychip_芯圣/HUATECH_华泰/INFINEON_英飞凌/INTEL_英特尔/ISSI/LATTICE_莱迪思/maplesemi_美浦森/MICROCHIP_微芯/MS_瑞盟/NATION_国民技术/NEXPERIA_安世半导体/NXP_恩智浦/Panasonic_松下电器/RENESAS_瑞莎/SAMSUNG_三星/ST_意法半导体/TD_TECHCODE美国泰德半导体/TI_德州仪器/VISHAY_威世/XILINX_赛灵思/芯唐微电子等等
免责声明:部分图文来源网络,文章内容仅供参考,不构成投资建议,若内容有误或涉及侵权可联系删除。
Copyright © 2002-2023 深圳市安芯科创科技有限公司 版权所有 备案号:粤ICP备2023092210号-1