一般说明
LM1283是带有OSD输入的全功能视频放大器,全部在一个28针的包装内。本部分用于分辨率高达1280 x 1024的显示器。LM1283的视频部分具有三个匹配的视频放大器用消隐。所有视频放大器调整功能高输入阻抗0V到4V直流控制,提供简单连接到总线控制的对准系统。OSD公司部分具有三个TTL输入和一个直流对比控制。OSD和视频部分之间的切换由单个TTL输入控制。虽然OSD信号TTL输入,这些信号经过内部处理以匹配OSD逻辑低电平到视频黑电平。当调整驱动器控制视频信号的颜色平衡时,OSD显示器的颜色平衡将跟踪这些颜色颜色调整。LM1283还具有内部当显示器处于关闭。请将1208页或1208页插入LMD。
特征
三个140 MHz@−3 dB的宽带视频放大器(4个VPP输出)
TTL OSD输入,50 MHz带宽
片上消隐,消隐时输出低于0.1V
视频/OSD切换速度为7ns
每个通道的独立驱动控制平衡
0V至4V,高阻抗直流对比度控制40分贝范围
0V至4V,高阻抗直流驱动控制(0 dB至−12 dB范围)
0V至4V,高阻抗直流OSD对比控制超过40分贝范围
能够实现6.5 VPP输出摆幅(在带宽)
输出级直接驱动大多数混合型或离散型CRT
应用
需要OSD的高分辨率RGB CRT显示器

绝对额定值(注1)
电源电压
针脚6、9和22 15V
峰值视频输出源电流(任意一个安培)针脚18、20和23 28 mA
任何输入引脚电压(VIN)VCC≥VIN≥GND功耗(PD)
(基于θJA的25℃以上减额和TJ)2.5W
环境热阻(θJA)45˚C/W
外壳热阻(θJC)28˚C/W
结温(TJ)150˚C
静电放电敏感性(注4)2 kV
ESD机器型号(注17)200V
储存温度−65˚C至+150˚C
引线温度(焊接,10秒)265˚C
工作额定值(注2)
温度范围−20˚C至+70˚C
电源电压(VCC)11.4V≤VCC≤12.6V
直流电特性
见直流试验电路(图5),TA=25℃;VCC1=VCC2=12V;V13=4V;V14=4V;V16=4V;Vdrive=4V;V4=0V;V15=0V;V25=1V,除非另有说明

交流电气特性
参见交流测试电路(图6),TA=25˚C,VCC1=VCC2=12V;V4=0V。手动调节视频输出引脚18、20和23至交流试验用4V直流电,除非另有说明(注15)

OSD电气特性
见直流试验电路(图5),TA=25℃;VCC1=VCC2=12V;V13=4V;V14=4V;V16=4V;VDrive=4V;V4=4V;V15=0V;V25=1V,除非另有说明

OSD电气特性(续)
见直流试验电路(图5),TA=25℃;VCC1=VCC2=12V;V13=4V;V14=4V;V16=4V;VDrive=4V;V4=4V;V15=0V;V25=1V,除非另有说明

注1:绝对最大额定值表示设备可能发生损坏的极限值。
注2:工作额定值表示设备工作的条件,但不保证具体的性能限制。对于保证的规格和试验条件,见电气特性。保证规格仅适用于列出的试验条件。当装置未在所列试验条件下运行时,某些性能特性可能降级。
注3:VCC电源引脚6、9和22必须外部连接在一起,以防止VCC通电/断电循环期间发生内部损坏。
注4:人体模型,100 pF通过1.5 kΩ电阻器放电。
注5:典型规范在+25˚C下规定,代表最有可能的参数规范。
注6:检测限值保证为国家AOQL(平均出厂质量水平)。
注7:规定的电源电流为RL=∞的VCC1和VCC2的静态电流,见图5的测试电路。VCC2(针脚22)的电源电流也取决于输出负载。当视频输出为1V DC时,通过VCC2的附加电流为8 mA,用于图5的测试电路。
注8:输出电压取决于负载电阻。测试电路使用RL=390Ω。
注9:测量任意两个放大器之间的增益差。车辆识别号=635 mVPP。
注10:∆AV track是对任何两个放大器相互跟踪的能力的测量,并量化了三个衰减器的匹配。区别在于在对比电压(V13)为4V或2V时,相对于AV最大条件,V13=4V测量的任何两个放大器之间的增益变化。例如,在AV当V13=2V时,三个放大器的最大增益分别为17.1dB、16.9dB和16.8dB,并分别变为11.2dB、10.9dB和10.7dB,从而得到测量的典型±0.1dB信道跟踪。
注11:测量视频放大器带宽或脉冲上升和下降时间时,建议使用无插座的双面全接地平面印刷电路板。视频放大器10兆赫的隔离测试也需要这种印刷电路板。双面全接地平面PCB的原因是测量值太大单面多氯联苯会发生变化。
注12:将输入频率从10 MHz(AV最大参考电平)调整为−3 dB转角频率(f−3 dB)。
注13:测量其他两个未驱动放大器相对于驱动放大器的输出电平,以确定信道间隔。终止未驱动放大器模拟发电机负载的输入。对于Vsep 10 MHz,在fIN=10 MHz下重复试验。
注14:对于15kHz的水平线,保证最小脉冲宽度为200ns。这一限制是由设计保证的。如果使用较低的线速,则使用较长的线夹可能需要脉冲。
注15:交流试验期间,4V直流电平为交流输出信号的中心电压。例如,如果输出为4 VPP,信号将在2V DC之间摆动和6V直流电。
注16:当V1=V2=V3=0V,视频输入为0.7V时,tr(OSD)=11ns,tf(OSD)=4ns。视频输出波形将从如图3所示。因此,在这种情况下,tr(OSD)实际上是下降时间,tf(OSD)实际上是上升时间。
注17:机器模型ESD试验包含在规范EIAJ IC-121-1981中。一个200 pF的电容充电到指定的电压,然后直接放电到无外部串联电阻的集成电路(放电路径的电阻必须低于50Ω)。
典型性能特性VCC=12V,TA=25˚C,除非另有规定





功能描述
首页的图1显示了LM1283以及IC的引脚。每个通道在其输入am放大器(−A1)处接收视频信号和OSD信号。视频/OSD开关信号也会发送到输入放大器,控制视频还是OSD信号通过LM1283。OSD输入和视频/OSD开关接受标准TTL信号。中频视频选择后,将TTL低电压应用于引脚4,用于OSD a TTL需要应用高。不使用OSD功能时,然后针脚4需要通过47k电阻接地。虽然OSD输入信号是TTL信号,但是放大器处理这个信号以匹配视频电平。ATTL高信号将在视频白电平和TTL低电平信号通常在视频黑电平的100毫伏范围内。请注意,通过使用LM1283,监视器设计者可以将OSD输入信号直接连接到IC,而无需任何信号处理。对的视频输入执行直流恢复LM1283。记住视频输入总是交流耦合到视频前置放大器。视频输入没有直流标准,因此需要对视频输入进行交流耦合监视器的正确操作。最小电容建议在视频输入引脚处设置1μF。首选值为10μF。TTL OSD信号处理的一部分输入与OSD信号(TTL)的黑色电平相匹配低)至视频信号的黑色电平。带交流耦合在输入端必须做直流恢复执行黑电平匹配。LM1283的下一个阶段是对比度衰减。视频和OSD对比度控件都进入这个阶段。为了方便连接到5V DAC所有控制输入,包括这两个控制,使用0伏到4伏的范围。两种对比度控制器在4V时没有衰减,完全衰减(超过-50 dB)在0V下。视频和OSD对比度调整为彼此完全独立,允许用户在不影响OSD窗口的情况下设置所需的对比度显示器的视频部分。只有一个输出来自本节中,对信号路径的任何调整对比度级同时影响视频信号和OSD信号。
紧随对比度衰减块的是驱动衰减。通过使驱动器衰减超过对比度对视频信号所做的任何调整影响OSD信号。这种配置简化了白色水平调整。当视频的白电平调整时,OSD白电平自动设置。这个使用LM1283时,仅需调整OSDOSD对比。请注意,当执行白色级别时调整必须使用显示器的视频部分,因为OSD水平之间有微小的变化以及视频级别。
输出级是−A2放大器。此阶段类似于LM1205输出级,其中视频输出可以隐藏到低于视频黑电平的水平。比…更黑消隐过程中的黑色输出提供了空白的能力在阴极射线管的阴极上。这样就不需要在CRT的G1处使用高压晶体管来执行消隐功能。当输出被屏蔽时LM1283还可以使用夹钳门。有一个内部反馈阶段做直流恢复。为了保持正确的基于此反馈回路的视频电平,视频输出LM1283必须以390Ω阻抗端接。存储直流恢复所需的校正电压在夹头上。建议的值为0.1μF夹紧盖。如果上限值太小,则会出现倾斜(偏移)在水平扫描期间视频输出的直流电平。如果上限值太大,则直流恢复电路可能无法保持视频信号。因为直流电的恢复也是在视频上完成的输入时,钳头值越大,问题就越小与大多数其他视频前置放大器相比,LM1283。直流恢复电路的参考电平设置在RGB切断调整销(销25)。大多数监视器应用程序AC将前置放大器输出耦合到阴极驱动器。因此只提供一个截止调整,这是主要使用优化阴极驱动器的操作。请注意,空白和钳形闸门处于低激活状态。这些引脚通常由标准TTL信号控制。为视频应用必须使用钳位栅。有不需要空白函数的设计。空浇口不用,必须用拉起把它绑高电阻器。电阻值为47k是可以接受的4V或12V。-A2的增益由驱动调整销控制。这些是还有0V到4V的控制电压。4V导致在−A2和0V导致−12 dB衰减。12 dB ad调整范围应提供足够的调整,以设置白电平。注意12分贝的范围在三个输出电平之间给出一个4到1的范围频道。
LM1283的应用
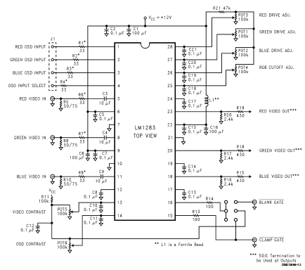
演示板的示意图如图7所示。该板用于LM1283的特性描述。请注意,33Ω电阻器与IC的所有输入串联接收外部信号。这些电阻器是必要的保护集成电路不受突然电压冲击的影响在加电和断电模式下,或将显示器连接到其他设备。监视器设计者必须在设计中包括这些电阻器。如果是附加的有必要在视频输入端进行防静电保护,然后在33Ω电阻器的IC侧添加钳位二极管是可取的-
LM1283的应用(续)
建议:一个接VCC1,一个接地。通常情况下,设计人员可能希望在插脚5、8和11用于视频的额外ESD保护输入。记住输入电容器到视频输入端也是直流恢复电路的一部分。该电路的最大电路电阻约为110Ω。这个33Ω电阻器的值不应增加。设计师可选择将10μF视频输入电容器降低至1μF。内部ESD保护和外部钳位二极管,一个接+12V,另一个接地,将提供出色的静电防护。接口到OSD输入是相当容易的,因为信号将OSD信号与视频匹配所需的处理电平由LM1283内部完成。然而,必须遵循适当的设计技巧,以确保在LM1283接收TTL信号。地面弹跳TTL信号可能导致开关时间不正确具有多重切换功能。这种影响会导致退化显示OSD窗口的质量。最后的TTL舞台需要位于LM1283附近,以确保清洁TTL信号。传播延迟是另一个能够降低OSD显示质量。最佳条件是所有OSD信号都来自一个寄存器,保持传播延迟在5ns以下的变化。如果OSD功能未使用,或线路可能已断开一些测试操作,然后视频/OSD开关引脚(引脚4) 必须有一个下拉电阻接地,以确保视频模式下的操作。使用47k下拉电阻器将把这个针放低,并提供足够的阻力到哪里引脚仍然可以直接由TTL信号驱动。针脚1到3也应该以同样的方式终止,消除仅仅从噪声中切换逻辑电平的可能性打开的针脚。图2到图4显示了LM1283。当测量传播延迟时,所有的TTL信号都是在跨过1.3V时测量的输出设置为4 VPP。当输出在其转换的一半(改变为2V)。上升视频输出的下降时间在10%和90%的过渡点。
在高频应用中,电路板布局总是至关重要的例如使用LM1283。布局不当会导致响铃在突然转换后的视频波形,或部分可能会振荡。一个好的接地平面和合适的+12V的布线是良好PCB布局的重要步骤。LM1283可以在带有布局不错。建议使用地平面,最好将输出级接地与电路其余部分隔离。另外,两个接地应仅在一个点,理想情况下,接地电缆连接到电路板接地。是的,所有的地线都是内部连接的,但是迹线电阻仍然可以允许地面反弹足够的振动反馈。输出级功率电源针脚22与其他电源引脚。此针脚必须连接到+12V电源,最好采用高频隔离。这是很容易做到的铁氧体磁珠之间的引脚22和+12V电源。图8和图9显示了使用单面演示板LM1283获得的波形为这部分设计的。

安芯科创是一家国内芯片代理和国外品牌分销的综合服务商,公司提供芯片ic选型、蓝牙WIFI模组、进口芯片替换国产降成本等解决方案,可承接项目开发,以及元器件一站式采购服务,类型有运放芯片、电源芯片、MO芯片、蓝牙芯片、MCU芯片、二极管、三极管、电阻、电容、连接器、电感、继电器、晶振、蓝牙模组、WI模组及各类模组等电子元器件销售。(关于元器件价格请咨询在线客服黄经理:15382911663)
代理分销品牌有:ADI_亚德诺半导体/ALTBRA_阿尔特拉/BARROT_百瑞互联/BORN_伯恩半导体/BROADCHIP_广芯电子/COREBAI_芯佰微/DK_东科半导体/HDSC_华大半导体/holychip_芯圣/HUATECH_华泰/INFINEON_英飞凌/INTEL_英特尔/ISSI/LATTICE_莱迪思/maplesemi_美浦森/MICROCHIP_微芯/MS_瑞盟/NATION_国民技术/NEXPERIA_安世半导体/NXP_恩智浦/Panasonic_松下电器/RENESAS_瑞莎/SAMSUNG_三星/ST_意法半导体/TD_TECHCODE美国泰德半导体/TI_德州仪器/VISHAY_威世/XILINX_赛灵思/芯唐微电子等等
免责声明:部分图文来源网络,文章内容仅供参考,不构成投资建议,若内容有误或涉及侵权可联系删除。
Copyright © 2002-2023 深圳市安芯科创科技有限公司 版权所有 备案号:粤ICP备2023092210号-1