产品亮点
大大简化了CV/CC转换器
消除光耦和所有辅助CV/CC控制电路
消除所有控制回路补偿电路
高级性能功能
补偿变压器电感公差
补偿输入线电压变化
补偿电缆压降(LNK61X系列)
补偿外部部件温度变化
采用专有微调技术的IC参数公差非常严格
技术
频率抖动大大降低了EMI滤波器的成本
使用外部电阻器可实现更严格的输出公差
选择/修剪
可编程开关频率高达85 kHz,以减小变压器尺寸
高级保护/安全功能
自动重启保护可减少95%以上的输出功率
短路和控制回路故障(部件开路和短路)
滞后热关机-自动恢复降低功率
补给从外地返回
满足排水管和所有
PCB和封装上的其他引脚
生态智能™–节能
轻松满足全球能效要求
230伏交流电压下,空载消耗低于30兆瓦,可选
外偏置绕组
开/关控制提供恒定的效率,低至非常轻的负载–适用于CEC和ENERGY STAR 2.0法规
•无电流感应电阻器-最大限度地提高效率
绿色包装
无卤素和符合RoHS标准的包装
应用
手机/无绳电话、PDA、MP3/便携式音频充电器
设备、适配器、LED驱动器等。
说明
连接开关™-II大大简化了低功耗CV/CC充电器通过消除光耦和辅助控制电路进行设计。该设备引入了革命性的控制技术,以提供输出电压电流调节严密,对变压器进行补偿以及输入电压变化的内部参数公差。该器件集成了一个700伏功率MOSFET,一种新颖的开关控制状态机,一种用于自偏压的高压开关电流源,频率抖动、循环电流限制和滞后热关闭单片集成电路。

图1.典型应用/性能-非简化电路(a)和输出特性包络(b)。
表1.输出功率表。
笔记:
1.典型非通风封闭式适配器的最小持续功率在+50°C环境温度下测量,装置,TJ<100摄氏度。
2.开放式框架设计中的最大实际连续功率在50°C环境温度下测量的热沉(更多信息见关键应用考虑部分)。
3.包装:P:DIP-8C,G:SMD-8C,D:SO-8C。

引脚功能描述
排水(D)销:这个引脚是功率MOSFET漏极连接。它提供内部启动和稳态运行的工作电流。
旁路/多功能可编程(BP/M)引脚:此引脚具有多种功能:1.它是外部旁路电容器的连接点内部产生6 V电源。2.它是电缆跌落补偿的模式选择LNK61X系列。
反馈(FB)引脚:在正常工作期间,功率MOSFET的开关是控制的用这个别针。该引脚感应偏置绕组上的交流电压。这个控制输入调节CV模式下的输出电压和输出基于偏置绕组反激电压的CC模式电流。内部电感校正电路使用正向电压on偏压绕组用来感应电容器的电压。
源引脚:此引脚内部连接到输出MOSFET源高压电源与控制电路共用回路。
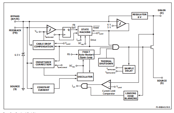
LinkSwitch II功能描述
LinkSwitch II组合了一个高压功率MOSFET在一个设备中带有电源控制器的开关。类似于连接开关LP和TinySwitch III,采用开关控制进行调节输出电压。此外,开关频率被调制调节输出电流以提供恒定电流特点。LinkSwitch II控制器包括一个振荡器,反馈(感测和逻辑)电路,6 V调节器,温度过高保护,频率抖动,限流电路,前沿消隐,电感校正电路,频率控制恒流调节和恒流控制的开关状态机。
电感校正电路
如果一次磁化电感过高或过低转换器将通过调整振荡器频率。因为这个控制器被设计成在不连续导通模式输出功率直接与设定的初级电感成比例,其公差可以通过调整开关完全补偿频率。
恒流(CC)操作
作为输出电压因此反激电压偏置绕组增大,反馈管脚电压增大。这个开关频率根据反馈管脚电压进行调整增加以提供恒定的输出电流调节。这个恒流电路和电感校正电路是设计为在CC区域同时运行。
恒压(CV)操作
当反馈管脚从恒定电流接近VFBth时调节模式下,电源转换为CV操作。此时的开关频率为最大值,对应于CC/CV特性的峰值功率点。控制器调节反馈引脚电压,使其保持在VFBth使用开/关状态机。反馈引脚电压为高压开关关闭后2.5ms取样。在灯光下负载电流限制也降低,以减少变压器通量密度。
输出电缆补偿
这种补偿在在CV模式下的整个负载范围内的电缆。作为转换器负荷从空载增加到峰值功率点(过渡点在CV和CC之间)输出端引入的电压降通过增加反馈引脚参考值来补偿电缆电压。控制器决定输出负载,因此基于状态输出的正确补偿程度机器。24 AWG(0.3 W)电缆的电缆跌落补偿选择CBP=1 mF,对于26 AWG(0.49 W)电缆CPB=10毫伏。
自动重启和开环保护
如果出现输出短路或开路等故障情况回路条件链路开关II进入适当的保护模式如下所述。如果反馈引脚电压在反激期间下降在反馈针采样延迟(约2.5 ms)之前低于0.7 V持续时间超过~450 ms(自动重启on-time(tAR on-time)时变换器进入自动重启,功率MOSFET为禁用2秒(~18%自动重启占空比)。自动重启交替启用和禁用电源切换MOSFET,直到故障排除。除上述自动重启条件外,如果在导通周期(开关“开启”时间)低于120毫安,转换器将其通知为开环状态(顶部电阻处于电位分隔器打开或丢失),并从450毫秒到大约6个时钟周期(90毫秒),同时保持禁用时间为2秒。过热保护热关机电路感测模具温度。这个阈值设置为142°C,典型值为60°C滞后。当模具温度升高超过此阈值(142°C)功率MOSFET被禁用,并且在模具温度达到之前保持禁用状态下降60°C,此时MOSFET重新启用。
电流限制
限流电路检测功率MOSFET中的电流。当电流超过内部阈值(ILIMIT)时,功率MOSFET在这个循环的剩余时间被关闭。领先的边缘消隐电路抑制电流限制比较器短路功率MOSFET开启后的时间(tLEB)。这个前沿已设置消隐时间,使电流尖峰电容和整流器反向恢复时间不会引起MOSFET传导过早终止。连接开关II还包含一个“di/dt”校正功能,以最大限度地减少CC的变化输入行范围。
6.0 V调节器
6V调节器为连接到的旁路电容器充电通过从当MOSFET关闭时,请进行放电。旁通销是内部的电源电压节点。当MOSFET打开时,设备会从旁路电容器中储存的能量。极低功率内部电路的消耗允许连接开关II利用从排液销引出的电流连续工作。旁路电容器值为1 mF或10 mF就足够了高频解耦和储能。

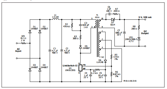
图5.节能型USB充电器电源(平均效率74%,空载输入功率<30 mW)。
电路描述
图5所示的电路被配置为一次侧使用LNK613DG的稳压反激电源。带着平均效率为74%,空载输入功率<30mw设计轻松超越当前最严格的能效要求。
输入滤波器
交流输入功率由二极管D1到D4整流。纠正直流电由大容量存储电容器C1和C2过滤。电感器L1,C1和C2构成一个pi(π)滤波器,用来衰减传导的差模EMI噪声。这种配置以及电源集成屏蔽变压器™ 技术允许这种设计满足电磁干扰标准EN55022 B级,具有良好的裕度,无需a Y电容器,即使输出连接到安全接地。可熔电阻器RF1可防止灾难性故障。其额定值应适当(通常为绕线式)当输入电容器首次连接到交流线路时充电。
LNK 613初级
LNK613DG装置(U1)包括电源开关装置,振荡器、CC/CV控制引擎、启动和保护功能。集成的700V MOSFET提供了一个大的漏极电压裕度在通用输入交流应用中,提高了可靠性通过允许更大的变压器匝数比。该设备完全由旁路引脚和去耦电容器C4。对于LNK61X器件中,旁路电容值还可选择输出量电缆压降补偿。1 mF值选择标准补偿。10 mF值选择增强型补偿。表2显示了每个装置的补偿量旁路电容值。LNK60x设备不提供电缆下降补偿。
由D6和C5形成的可选偏压电源提供操作通过电阻器R4的U1电流。这降低了空载消耗从~200兆瓦到<30兆瓦,还可提高轻载效率。整流和滤波输入电压施加在T1的一次绕组。变压器一次侧的另一侧绕组由U1中集成的MOSFET驱动。泄漏电感漏极电压尖峰由RCD-R钳位限制由D5、R2、R3和C3组成。
输出整流
变压器的二次绕组由D7、a1a、40v整流肖特基势垒型效率更高,并由C7过滤。如果较低的效率是可以接受的,那么可以用1个PN结二极管,成本更低。在这个应用程序中,C7的大小是无纹波电压要求需要后LC过滤器。满足电池自放电要求预载电阻器已更换为串联电阻器和齐纳网络(R8和VR1)。但是在设计中要求可使用标准1 kW电阻器。
输出调节
LNK613使用输出特性的恒压调节区恒流(CC)调节的频率控制。反馈电阻器(R5和R6)选用标准1%电阻器使标称输出电压和常数居中的值当前监管阈值。
关键应用注意事项
输出功率表
数据表最大输出功率表(表1)表示最大实际连续输出功率电平在以下假设条件下获得:
1.最小直流输入电压为90V或更高,输入电压为85VAC。输入电容值应足够大满足这些交流输入设计标准。
2.二次输出5伏与肖特基整流二极管。
3.假设效率为70%。
4.间断模式运行(KP>1.3条)。
5.该部分是板安装与源引脚焊接到一个足够的铜面积,以保持源引脚温度或低于90°C。
6.开放式框架设计的环境温度为50°C适配器设计的内部外壳温度为60°C。
注:如果输出CC公差,则可以实现更高的输出功率>±10%是可以接受的,允许设备在更高的温度下运行源引脚温度。
输出公差
LinkSwitch II提供整体输出公差(包括线路,元件变化和温度)为输出电压的±5%在CV操作中,以及CC运行期间输出电流的±10%
P/G的结温范围为0°C至100°C包裹。对于D包(SO8),可能会出现额外的CC偏差由于制造流程引起的应力(即焊接波浸没或红外回流)。电源构建示例是建议验证每个设计的生产公差。旁路引脚电容器选择用于LinkSwitch II 60x系列设备(无输出电缆压降补偿)建议使用1 mF旁路管脚电容器。电容器电压额定值应大于7V。电容器的电介质材料不重要,但电容器的公差应≤±50%。这个电容器的物理位置必须靠近连接开关II旁通销。用于LinkSwitch II 61x系列设备(带输出电缆电压降补偿)输出电缆补偿量可通过旁路引脚电容值。值1 mF选择标准电缆补偿。10毫伏电容器选择增强型电缆补偿。表2显示了每个连接开关II装置和电容值。电容器可以陶瓷或电解,但公差和温度变化应≤±50%。输入PIXls设计电子表格的输出电压为当电源为提供最大功率。终端的输出电压在电缆末端测量的值乘以电缆的值输出电压变化系数。
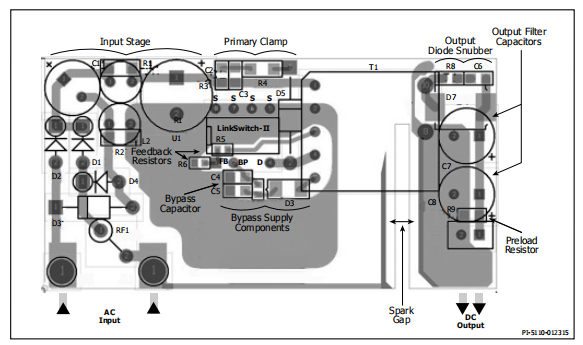
LinkSwitch II布局考虑因素
电路板布局
LinkSwitch II是一种高度集成的电源解决方案集成在一个芯片上,控制器和高压MOSFET。高开关电流和高电压的存在与模拟信号一起使用尤其重要良好的印刷电路板设计实践,确保稳定和无故障运行

表2.电缆补偿变化系数与设备和旁路引脚电容值电源的。推荐的电路板见图6连接开关II的布局。
当设计一个基于LinkSwitch II的印刷电路板时电源,必须遵循以下准则:单点接地在的负极端子上使用单点(开尔文)连接LinkSwitch II电源引脚和偏置的输入滤波电容器绕组回路。这通过返回喘振来提高喘振能力从偏置绕组直接到输入滤波电容器的电流。旁路电容器
旁路管脚电容器应尽可能靠近源和旁路引脚。
反馈电阻器
将反馈电阻器直接放置在LinkSwitch II设备。这种耦合使噪音最小化。
热因素
连接到源引脚的铜区域提供LinkSwitch II散热器。一个很好的估计是LinkSwitch II将消耗10%的输出功率。提供足够的铜面积将源引脚温度保持在90°C以下。温度更高仅当输出电流(CC)公差大于±10%时才允许可以接受。在这种情况下,源引脚的最高温度低于建议110°C,以提供零件对零件RDS的余量(开)变化。
二次回路面积
为了使漏感和电磁干扰最小化,回路连接区域二次绕组、输出二极管和输出滤波电容应该最小化。此外,应提供足够的铜面积提供在二极管的阳极和阴极端加热下沉。在安静的阴极终端处,最好使用更大的面积。较大的阳极面积会增加高频辐射电磁干扰。
静电放电火花隙
沿着隔离屏障放置一个迹线,形成一个火花隙。次级电极上的另一个电极由输出返回节点。火花隙将静电放电能量从辅助回交流输入。从交流输入到火花隙电极应与其他痕迹隔开防止不必要的电弧发生和可能的电路损坏。
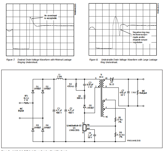
排水管夹优化
连接开关II感应初级侧的反馈绕组调节输出。反馈上出现的电压

图6.PCB版图示例显示使用P封装的5.1w设计
绕组是次级绕组电压的反映,而内部MOSFET关闭。因此任何漏感响铃会影响输出调节。优化排水管夹尽量减少高频响铃将给予最佳调节。图7显示了所需的漏极电压波形,与图8由于漏感而产生较大的欠冲感应环。这将降低输出电压调节性能。为减小此值,请调整串联电阻器的值钳位二极管。
为提高轻载效率和降低空载输入功耗。增加偏置电路可以降低空载输入功率在230伏交流电输入下,从~200兆瓦降到30兆瓦以下。轻负载效率也会提高,这可能会避免使用肖特基势垒与PN结输出二极管的比较平均效率要求。图5所示的电源示意图具有偏置电路合并。二极管D6、C5和R4构成偏置电路。作为输出电压小于8V,附加变压器绕组需要,交流堆叠在反馈绕组的顶部。这提供了一个足够高的电压,即使在低电压下也能为旁路引脚供电空载时的开关频率操作。在图5中,附加的偏置绕组(从引脚2到引脚1)堆叠在一起在反馈绕组的顶部(针脚4到针脚2)。二极管D6整流器输出端和C5是滤波电容器。10 uF电容器建议在低开关频率下保持偏压。电容器类型不重要,但额定电压应高于VBIAS的最大值。建议电流进入旁路引脚等于IC电源电流(~0.5 mA)最小偏置绕组电压。旁路引脚电流不应在最大偏置绕组电压下超过3毫安。R4的值是根据(VBIAS–VBP)/IS2计算,其中VBIAS(10 V典型值)是C5上的电压,IS2(0.5 mA典型值)是IC电源电流和VBP(6.0 V典型值)是旁路引脚电压。参数是2和VBP是在LinkSwitch II数据表的参数表中提供。二极管D6可以是任何低成本二极管,如FR102、1N4148或BAV19/20/21。
快速设计检查表
与任何电源设计一样,所有LinkSwitch II设计都应在试验台上进行验证,以确保部件规格在最坏情况下不超过。以下最小值强烈建议进行一组测试:
1.最大漏极电压-验证峰值VDS不超过680 V在最高输入电压和最大输出功率下。
2.最大漏电流-在最高环境温度下,最大输入电压和最大输出负载,验证漏极启动时有无变压器迹象的电流波形饱和和过多的前沿电流尖峰。连接开关II前沿冲裁时间为170纳秒,以防止过早开启循环终止。
3.热检查-在最大输出功率下,最小和最大输入电压和最高环境温度;确认温度规格没有超过连接开关II,变压器,输出二极管和输出电容器。零件之间应留有足够的热裕度数据中规定的LinkSwitch II的RDS(ON)变化。为确保10%CC公差,最大源引脚建议温度为90℃。

绝对最大额定值1,5
漏极电压-0.3 V至700 V
峰值电流:K613 320(480)毫安时
LNK604/614 400(600)毫安时
LNK605/615 504(750)毫安时
LNK606/616 654(980)毫安时
峰值负脉冲漏电流 -100 mA2
反馈引脚电压 -0.3伏至9伏
反馈引脚电流100毫安
旁路引脚电压 -0.3伏至9伏
旁路引脚电流10毫安
储存温度 -65°C至150°C
工作结温度 -40°C至150°C
铅温度(3)260°C
笔记:
1.参考电源的所有电压,TA=25°C。
2.持续时间不超过2ms。
3.1/16英寸。从箱子里出来5秒钟。
4.漏极时允许较高的峰值漏电流电压同时小于400V。
5.可采用规定的最大额定值,一次一个不会对产品造成永久性损坏。长期绝对最大评级风险敞口一段时间可能会影响产品的可靠性。
热阻
热阻:P或G包装:(qJA)70°C/W2;60°C/W3(qJC)1 11°C/W
D包装:(qJA)……………100°C/W2;80°C/W3(qJC)1 30°C/W
笔记:
1.在靠近塑料接口的针脚8(源)上测量。
2.焊接至0.36平方英寸。(232平方毫米)2盎司(610克/平方米)包铜。
3.焊接到1平方英寸。(645平方毫米)2盎司(610克/平方米)包铜。

笔记:
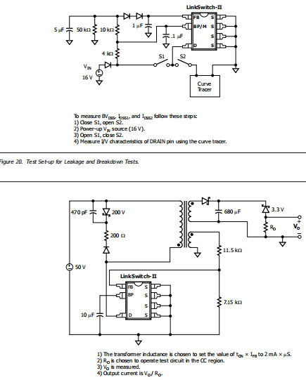
A、 自动重启时间是由ton×IFB编程的开关频率和CC模式下的最小频率的函数。
B、 对限流阈值进行补偿,以消除限流延时的影响。因此,输出电流保持恒定输入行范围。
C、 IDSS1是BVDSS的80%和最高工作结温度下最坏情况的关态泄漏规范。IDSS2是典型的空载消耗计算的最坏应用条件(校正265伏交流电压)下的规范。
D、 当占空比超过DCMAX时,链路开关II以接通时间延长模式工作。
E、 此参数由特征化派生。
F、 装配过程中产生的机械应力可能导致该参数发生变化。这种转换对LinkSwitch II的能力没有影响为了满足批量生产中CC=±10%和CV=±5%的要求,设计遵循AN-44和良好制造规范中的建议。
G、 开关频率在60 kHz和85 kHz之间可编程。
典型性能特征

典型性能特征(续)


安芯科创是一家国内芯片代理和国外品牌分销的综合服务商,公司提供芯片ic选型、蓝牙WIFI模组、进口芯片替换国产降成本等解决方案,可承接项目开发,以及元器件一站式采购服务,类型有运放芯片、电源芯片、MO芯片、蓝牙芯片、MCU芯片、二极管、三极管、电阻、电容、连接器、电感、继电器、晶振、蓝牙模组、WI模组及各类模组等电子元器件销售。(关于元器件价格请咨询在线客服黄经理:15382911663)
代理分销品牌有:ADI_亚德诺半导体/ALTBRA_阿尔特拉/BARROT_百瑞互联/BORN_伯恩半导体/BROADCHIP_广芯电子/COREBAI_芯佰微/DK_东科半导体/HDSC_华大半导体/holychip_芯圣/HUATECH_华泰/INFINEON_英飞凌/INTEL_英特尔/ISSI/LATTICE_莱迪思/maplesemi_美浦森/MICROCHIP_微芯/MS_瑞盟/NATION_国民技术/NEXPERIA_安世半导体/NXP_恩智浦/Panasonic_松下电器/RENESAS_瑞莎/SAMSUNG_三星/ST_意法半导体/TD_TECHCODE美国泰德半导体/TI_德州仪器/VISHAY_威世/XILINX_赛灵思/芯唐微电子等等
免责声明:部分图文来源网络,文章内容仅供参考,不构成投资建议,若内容有误或涉及侵权可联系删除。
Copyright © 2002-2023 深圳市安芯科创科技有限公司 版权所有 备案号:粤ICP备2023092210号-1