功能包
内部启动偏差调节器
TSSOP-16
可编程线路欠压锁定
WSON-16(5x5 mm)热增强型(UVLO)具有可调磁滞
电流模式控制
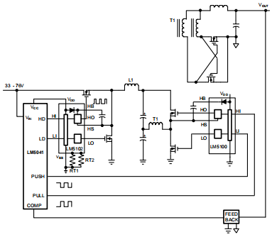
LM5041 PWM控制器包含所有参考的
内部误差放大器
实现当前fed或双模过流保护电压馈电推挽或桥式电源转换器。
前沿消隐这些“级联”拓扑非常适合
可编程推挽重叠或死多输出和更高功率应用。这个LM5041的四个控制输出包括:降压阶段时间控制装置(HD和LD)和推拉控制装置
内部1.5A推拉门驱动器输出(推拉)。推拉输出为可编程软启动,在50%额定占空比下驱动降压级开关频率,可编程振荡器,具有同步功能配置为指定的重叠时间(对于精确参考电流馈电应用)或规定的两个关闭时间热关机(用于电压馈电应用)。推拉阶段mosfet可以直接从内部驱动应用门驱动器,而buck阶段需要一个外部像LM5102这样的驱动器。LM5041包括一个•电信电源转换器高压启动调节器,在15V到100V的宽输入范围内工作。PWM控制器多输出功率转换器设计用于高速性能,包括振荡器频率范围高达1兆赫+42V汽车系统传播延迟小于100ns。附加特点包括:线路欠压锁定(UVLO),软启动,误差放大器,精密电压参考和热关机。

电气特性
标准字体的规范适用于TJ=25°C,黑体字规范适用于全工作接头
温度范围。VIN=48V,VCC=10V,RT=26.7kΩ,RSET=20kΩ),除非另有说明。(1)

(1) 规定了所有限制。在生产过程中,所有具有室温限制的电气特性均在TA=TJ=25°C的条件下进行测试通过将电气特性与工艺和温度变化相关联,并应用统计方法,验证热极限和冷极限过程控制。
(2) 设备热限制可能会限制可用范围。
电气特性(续)
标准字体的规范适用于TJ=25°C,黑体字规范适用于全工作接头温度范围。VIN=48V,VCC=10V,RT=26.7kΩ,RSET=20kΩ),除非另有说明。(1)

典型性能特征


详细操作说明
LM5041 PWM控制器包含实现电流供电或电压供电所需的所有功能推挽式或桥式功率转换器。这些“级联”拓扑非常适合多输出和更高的输出电力应用。LM5041的四个控制输出包括:降压级控制(HD和LD)和推拉控制输出(推拉)。推挽输出在50%额定占空比下驱动的开关频率,并且可以配置为指定的重叠时间(对于电流供电应用)或指定的两个关闭时间(电压供电应用)。推挽级MOSFETs直接由内部门驱动器驱动,而降压阶段需要外部驱动器,如LM5102。LM5041包括一个高压启动调节器,在15V到15V的宽输入范围内工作100V。PWM控制器设计用于高速性能,包括振荡器频率范围高达1MHz,总传播延迟小于100ns。附加功能包括:线路欠压锁定(UVLO)、软启动、误差放大器、精密电压基准和热关机。
高压启动调节器
LM5041包含一个内部高压启动调节器,因此可以连接输入引脚(Vin)直接到线路电压。调节器输出的内部电流限制为15毫安。当通电时调节器被激活,并将电流输入连接到Vcc引脚的外部电容器。推荐的Vcc调节器的电容范围为0.1uF至100uF。当Vcc引脚上的电压达到调节点为9V,内部参考电压(REF)达到5V的调节点,控制器输出已启用。降压级输出将保持启用状态,直到Vcc降至7V以下或线路欠压锁定检测器指示Vin超出范围。推挽输出继续切换,直到参考引脚电压降到大约3V以下。在典型应用中,辅助变压器绕组通过二极管连接到Vcc引脚。该绕组必须将Vcc电压升高到9.3V以上,以切断内部启动调节器。从辅助绕组为VCC供电可提高效率,同时降低控制器的功耗。Vref调节器输出的建议电容范围为0.1uF至10华氏度。外部VCC电容器的尺寸必须确保电容器在初始启动。在故障模式下,当变流器辅助绕组不活动时,外部电流消耗应限制VCC线路,使启动调节器中消耗的功率不超过最大值控制器的功耗。通过连接VCC,可以使用外部启动或其他偏压轨道代替内部启动调节器和VIN管脚连接在一起,并向两个管脚提供外部偏置电压。
线路欠压检测仪
LM5041包含线路欠压锁定(UVLO)电路。来自VIN的外部设定点电阻分压器接地设置转换器的工作范围。分压器的设计必须确保当车辆识别号(VIN)在所需的工作范围内时,UVLO引脚将大于2.5V。如果欠电压阈值为不满足,控制器的所有功能都将被禁用,控制器将进入低功率状态并输入电流<300μA。ULVO磁滞通过打开或关闭的内部20μA电流源实现进入设定点分频器的阻抗。当超过UVLO阈值时,当前源为激活以立即提高UVLO引脚的电压。当UVLO引脚低于2.5V阈值时电流源关闭,导致UVLO引脚的电压下降。UVLO引脚也可用于实现远程启用/禁用功能。通过将UVLO引脚对地短路,转换器可以。也可以通过软启动引脚(SS)禁用控制器。控制器将进入低功率如果SS引脚被强制低于0.45V关机阈值,则为关闭状态。
降压级控制输出
LM5041降压开关最大占空比箝位确保每个循环有足够的关闭时间给高压侧栅极驱动器中使用的自举电容器充电。Buck开关被指定为关闭,并且同步开关打开,每个切换周期至少250纳秒。降压级控制输出(LD和HD)是CMOS逻辑电平为0至5V的缓冲器。在任何故障状态或欠压断开状态下,降压级控制输出将默认为HD low和LD高的。
推拉输出
推挽输出以50%的额定占空比连续工作。LM5041的显著特点是否能够准确地配置互补电路上的死区时间(均关闭)或重叠时间(均打开)推拉输出。重叠/死区时间幅度由连接到上的时间引脚的电阻器控制控制器。时间引脚将电阻器的一端保持在2.5V,电阻器的另一端应为连接到REF以进行死区控制设置,或连接到GND以进行重叠控制。电流的极性时间由LM5041检测。重叠/停滞时间的大小可计算如下:
重叠时间(ns)=(3.66 x RSET)+7重叠时间以ns为单位,RSET连接到GND,RSET以kΩ为单位死区时间(ns)=(3.69 x RSET)+21
死区时间以ns为单位,RSET连接到REF,RSET以kΩ为单位建议的RSET编程范围:10kΩ到100kΩ
电流馈电设计需要一段时间的重叠,以确保降压电感电流有一个连续的路径。电压馈电设计需要一段死区时间,以确保推挽变压器没有时间动作对低阻抗源节点短路。推挽输出连续交替提供的条件是电压大于3V。

脉宽调制比较器
PWM比较器将斜坡补偿电流斜坡信号与来自内部误差放大器(补偿引脚)。该比较器的速度进行了优化,以达到最小值可控占空比。比较器的极性使得补偿引脚上的0V将在巴克阶段。
误差放大器
在LM5041中提供了内部高增益宽带误差放大器。放大器的非逆变输入连接到0.75V参考电压。反向输入连接到FB引脚。在非隔离应用中功率转换器输出通过电压设置电阻器连接到FB引脚。回路补偿组件连接在COMP和FB引脚之间。对于大多数隔离应用,误差放大器功能在转换器的二次侧实现,不使用内部误差放大器。这个内部误差放大器配置为开路漏极输出,可通过将FB引脚连接至接地。5V参考和补偿之间的内部5kΩ上拉电阻器可用作隔离应用中的光耦。
电流限制/电流感应
LM5041包含两级过流保护。如果CS引脚上的电压超过0.5V降压级占空比终止(循环电流限制)。如果CS引脚的电压超过0.5V阈值超过0.6V,控制器将终止当前循环并完全释放软启动电容器。建议在控制器附近安装一个小型RC滤波器,以过滤CS处的电流感应信号别针。内部MOSFET在每个周期开始时,对外部CS管脚放电50ns降低降压级MOSFET开启时出现的前沿尖峰。LM5041电流检测和PWM比较器非常快速,可能对短时噪声做出响应脉冲。布局考虑对电流检测滤波器和检测电阻器至关重要。相关电容器CS过滤器必须放置在靠近设备的地方,并直接连接到控制器(CS和接地)。如果使用电流感应变压器,则变压器二次侧的两根引线应连接至感测电阻器,也应位于靠近IC的位置。电阻可用于电流感应变压器,位于推挽式晶体管源中,但需要一个低电感类型的电阻器。在设计感测电阻时,所有对噪声敏感的低功率接地应连接在一起在IC周围,应单独连接到大电流电源接地(感应电阻接地点)。第二级电流检测阈值旨在通过启动低占空比来保护功率转换器当检测到异常高的电流时,会出现hick-up模式。如果达到第二级阈值,软启动当确定软启动电容器时,电容器将被放电,启动顺序将开始完全释放。只有当高dV/dt出现在电流感应引脚。电流检测瞬态必须足够快,以达到第二级阈值之前第一阈值检测器关闭降压级驱动器。电流感应非常高的dV/dt可能与饱和功率电感器或负载短路。CS引脚过滤过度,如极低值电流感应电阻或电感器,如果不饱和的过度负载,可能会阻止第二电平无法达到阈值。如果在过载情况下从未超过第二级阈值,则一级电流感测将继续循环限制,转换器的输出特性将电流源的电流。但是,持续的过载电流水平会导致动力传动系,尤其是输出整流器。振荡器和同步功能单个电阻器由一个外接电阻器LMD与GND 5041连接。设置可根据所需的振荡器频率(RT)计算得出:

降压级将在振荡器频率下切换,每个推挽输出将在振荡器的一半处切换推拉配置中的频率。LM5041还可以与外部时钟同步。外部时钟的频率必须高于RT电阻器设置的自由运行频率。时钟信号应使用100pF电容器电容耦合至RT引脚。大于3V的峰值电压电平为同步脉冲检测所需。同步脉冲宽度应由外部组件。无论振荡器是自由运行的还是外部的,都需要RT电阻器同步。RT引脚处的电压被内部调节为2V。RT电阻器应位于靠近设备并直接连接到IC引脚(RT和GND)。
坡度补偿
PWM比较器将电流感应信号与补偿引脚上的电压进行比较。输出级内部误差放大器通常驱动COMP引脚。在占空比大于50%时,电流模式控制电路受到次谐波振荡的影响。通过添加附加的固定斜坡信号(斜坡补偿)电流感应斜坡,可以避免振荡。LM5041集成了这个斜率通过缓冲内部振荡器斜坡并求和振荡器产生的电流斜坡进行补偿内部有电流感应信号。可以通过增加来源来提供额外的坡度补偿电流感应信号的阻抗。
软启动和关闭
软启动功能允许功率转换器逐渐达到初始稳态工作点,从而减少启动压力和浪涌。通电时,软启动引脚输出10uA电流(SS)给外部电容器充电。电容器电压将缓慢上升,并将限制最大占空比巴克循环阶段。如果出现VCC欠压、线路欠压或秒指示的故障电平电流限制,输出驱动器被禁用,软启动电容器对地放电。当故障条件不再存在,软启动程序将再次开始,降压阶段占空比将随着软启动电容器充电,逐渐增加。SS引脚也可作为启用输入。这个如果SS引脚被强制低于0.45V阈值,控制器将进入低功率状态。
热防护
提供内部热关机电路,以在最大超过结温。当激活时,通常在165摄氏度时,控制器强制进入低功耗待机状态,关闭输出驱动器和偏压调节器。提供此功能是为了防止意外设备过热导致的灾难性故障。

安芯科创是一家国内芯片代理和国外品牌分销的综合服务商,公司提供芯片ic选型、蓝牙WIFI模组、进口芯片替换国产降成本等解决方案,可承接项目开发,以及元器件一站式采购服务,类型有运放芯片、电源芯片、MO芯片、蓝牙芯片、MCU芯片、二极管、三极管、电阻、电容、连接器、电感、继电器、晶振、蓝牙模组、WI模组及各类模组等电子元器件销售。(关于元器件价格请咨询在线客服黄经理:15382911663)
代理分销品牌有:ADI_亚德诺半导体/ALTBRA_阿尔特拉/BARROT_百瑞互联/BORN_伯恩半导体/BROADCHIP_广芯电子/COREBAI_芯佰微/DK_东科半导体/HDSC_华大半导体/holychip_芯圣/HUATECH_华泰/INFINEON_英飞凌/INTEL_英特尔/ISSI/LATTICE_莱迪思/maplesemi_美浦森/MICROCHIP_微芯/MS_瑞盟/NATION_国民技术/NEXPERIA_安世半导体/NXP_恩智浦/Panasonic_松下电器/RENESAS_瑞莎/SAMSUNG_三星/ST_意法半导体/TD_TECHCODE美国泰德半导体/TI_德州仪器/VISHAY_威世/XILINX_赛灵思/芯唐微电子等等
免责声明:部分图文来源网络,文章内容仅供参考,不构成投资建议,若内容有误或涉及侵权可联系删除。
Copyright © 2002-2023 深圳市安芯科创科技有限公司 版权所有 备案号:粤ICP备2023092210号-1