功能描述
LM9070是一个5V,3%准确,250毫安低-2汽车应用可靠性降压稳压器。调节器具有3%输出电压容差激活低延迟复位输出标志,可以对用于重启微处理器系统的辐射射频干扰不敏感如果调节器输出电压低于800毫伏,250毫伏毫安输出电流调节任何原因。外部电容器在复位输出之前编程一个延迟时间间隔汽车应用可靠性降压稳压器外部编程的复位延迟间隔可返回高。
具有2个逻辑控制输入的保持激活功能专为汽车应用设计的LM9070
60V负载转储瞬态保护包含多种保护功能,如热关机反向电池,过电压关机,热关机关闭,输入瞬态保护和宽
短路保护和禁用安全
工作温度范围。
蓄电池反向保护独特的双输入逻辑控制方案用于
启用或禁用调节器输出。点火开关可提供接通/断开
低断开静态电流,最大输入50μA
宽工作温度范围−40°C,以发出信号,同时产生第二个保持活动输入+125°C,由系统控制器控制。这使得系统能够关闭点火开关后,TO-263和20针电动表面贴装保持打开状态。这个然后系统断电控制器可以执行程序包然后命令调节器关闭
与TLE4267 TO-220兼容的铅形式,以达到低静态电流状态(最大60μa)。
调节器
采用了设计技术监管者保持运行,不会产生错误当受到高电平射频时重置信号能量(从2 MHz到400 MHz为300 V/m)

(1) 绝对最大额定值表示设备可能发生损坏的极限值。工作额定值表示设备的功能,但不确保特定的性能限制。对于确保的规格和条件,参见电气特性。
(2) 超过最大允许功耗将导致模具温度过高,设备将进入热状态关机。TO-220封装(静止空气,无额外散热片)的θJ-A值为73°C/W。TO-220的有效θJ-A值使用传统的热沉方法可以减少封装。
(3) 超过最大允许功耗将导致模具温度过高,设备将进入热状态关机。TO-263封装(静止空气,无额外散热片)的θJ-A值为80°C/W。TO-263的有效θJ-A值通过增加连接(焊接)到封装标签的印刷电路板面积,可以减少封装。使用1盎司(1.4密耳厚)覆铜,无焊接掩模,0.5平方英寸的面积将使θJ-A降低到50°C/W,1.0平方英寸的面积将降低θJ-Ato 37°C/W,1.6平方英寸的面积将把θJ-A降低到32°C/W。如果印刷电路板使用焊接掩模,则覆铜面积应至少增加50%,以保持类似的θJ-a额定值。
电气特性(1)
以下规范适用于VCC=6V至26V,−40°C≤TA≤125°C,除非另有规定。COUT=47μF
ESR<3Ω。CIN=1μF。

(1) 通过设计、测试和/或统计分析确保数据表最小/最大规格。
典型性能特征
(TA=25°C,除非另有说明)


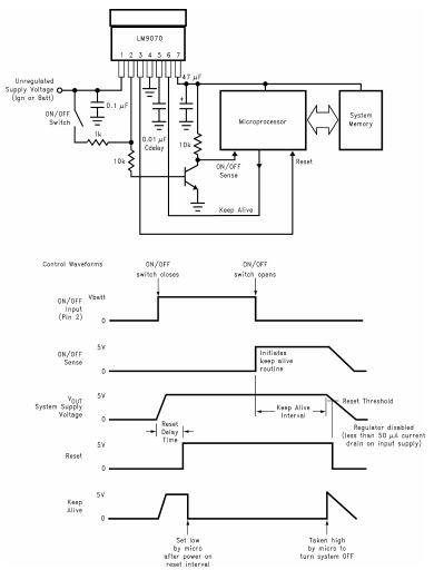
开/关、保持活动和安全闩锁控制图
注:如果由LM9070的输出电压供电的微处理器提供电源,则逻辑“1”当调节器关闭时,电压水平将跟踪VOUT。

LM9070电压调节器已优化用于基于微处理器的汽车系统。几个独特的设计特点已被纳入解决许多FMEA(失效模式影响分析)的关注点故障保护系统性能。
容错特性
虽然由于生产测试的局限性而没有特别保证,但LM9070已经过测试并显示继续提供调节输出,并且在受到干扰时不会产生错误的系统复位信号高水平的射频电场能量(在2兆赫至400兆赫的频率范围内,信号强度高达300伏/米)。这对于系统必须继续正常工作的车辆安全相关应用非常重要。为了保持对射频干扰的抗扰度,输出旁路电容器很重要(建议使用47μF)。此调节器适用于需要连续连接到蓄电池的应用(请参阅图21)。调节器和系统的开/关控制可以通过将开/关输入切换到蓄电池或点火电源VIN通过SPST开关供电。如果该输入开路,则内部下拉电阻器确保调节器关闭。当调节器关闭时,电流负载接通电池电量降到60μA以下。在许多VIN和开/关输入引脚的应用中都有可能为了在系统中通过长距离的电线连接,这些引脚的ESD保护已经增加增加小输入旁路电容器。

至少需要10μF的输出旁路电容器才能保持稳定(建议使用47μF)。这个的ESR电容器应小于3Ω。建议使用1μF或更大的输入电容器来改善线路瞬态以及噪音性能。通过保持激活输入,系统微处理器能够保持调节器开启(逻辑“0”开启保持激活)在ON/OFF输入被命令关闭后。当系统断电时变量通常存储在可编程存储器中,可以根据需要执行并花费尽可能多的时间。在操作结束时,微控制器将保持在高位,调节器和系统关闭,然后返回低静态电流待机模式。为了提高系统可靠性,考虑了在调节器的输出。当调节器打开时,传统的限流和热关机保护调节器。然而,当调节器关闭时,接地的VCC电源至micro(由于短路的调节器输出)将强制保持激活输入低,从而尝试保持激活操作模式。当负载短路时,电池的耗电量可能高达1.5A。一个单独的内部电路监控调节器的输出电压。如果VOUT小于4V,如短路负载时,保持激活功能在逻辑上被禁用,以确保调节器关闭并仅恢复到50电池负载μA。

内置传统甩负荷保护,可承受高达+60V和−50V瞬态。一个1kΩ电阻输入建议串联有开/关和保持活动输入,以提供相同水平的瞬态如果需要,保护这些引脚。反极性电池连接保护也内置。用一个反向电池LM9070的输出不会比一个二极管下降到地面以下更负。这个遗嘱防止损坏任何5伏负载电路。对于不需要控制逻辑的应用,逻辑管脚的配置应如图22所示。可以使用称为LM9071的单独设备。LM9071提供5线至220线的封装不提供控制逻辑功能,但仍保留LM9070的所有保护功能。
重置标志
输出负载过大,输出电压下降300 mV至500 mV时,信号a将标志重置到micro。这将警告VCC电源可能会导致系统无法预知的运行。在通电和从故障状态恢复时,延迟电容器用于保持微控制器处于复位状态在可编程的时间间隔内,允许系统工作电压和在执行代码之前要稳定的时钟。典型的延迟时间间隔可以用以下方法估计公式:

输入稳定性
使用PNP功率晶体管的低压差稳压器通常会表现出电流的大幅增加退出时(VIN<5.5V)。这种增加是由PNP的饱和特性(β还原)引起的晶体管。为了显著降低电流的增加,LM9070在PNP进入饱和时检测降低工作电流。这种输入电流的降低会在负载电流较高(>100毫安)的应用中造成稳定性问题当输入电压通过一段很长的导线施加时,这实际上增加了大量电感与输入串联。输入电流的下降可能会产生一个正的输入电压瞬态可能会使PNP脱离饱和。如果输入电压在PNP的阈值处保持恒定在饱和和不饱和时,可能会产生振荡。只有当输入电源线中存在显著的串联电感时,以及当电压上升时,才会观察到这种现象输入电源的下降时间很慢。如果输入电压的应用和移除发生变化大于500 mV/μs时,输入电压也会通过工作的下降区(VIN为3V至5.5V)很快就会产生振荡。
具有关断时间间隔的微处理器系统调节器图23说明了利用LM9070的两个逻辑控制输入的系统应用电路。交割接通/断开开关接通系统电源。通电后,系统控制器将保持活动线路设置为低电平。NPN晶体管仅用于向控制器发出通/断开关已打开和系统的信号将被关闭。当检测到开/关检测输入线的高电平时,控制器可以执行断电程序。系统将保持完全通电,直到控制器命令完全关闭把救生线调高。然后系统关闭并恢复到非常低的电流消耗待机状态,直到重新接通。

热管理
LM9070封装在TO-263表面贴装电源包和窄引线间距TO-220中包裹。为了在可能的最高负载电流和输入电压范围内获得操作,必须小心用于控制设备的工作温度。内置热关机保护,具有阈值高于150°C。传统的热沉技术可用于TO-220封装。当应用263封装,机上散热对于防止过早热关机很重要。更多铜箔设备标签下的区域将直接提高TO-263包的操作θJ-A,从而降低器件的结温。
TO-263封装(静止空气,无额外散热片)的θJ-A值额定为80°C/W。有效θJ-ATO-263封装的值可以通过增加所连接的印刷电路板面积而降低(焊接)到包选项卡。使用1盎司(1.4密耳厚)覆铜,无焊锡掩模,面积0.5平方英寸将把θJ-A降低到50°C/W,1.0平方英寸的面积将使θJ-Ato降低37°C/W,并且1.6平方英寸可将θJ-A降低至32°C/W。如果印刷电路板使用焊接掩模,则镀铜面积在焊接掩模下应至少增加50%,以保持类似的θJ-a额定值。在两个铜平面之间使用带有焊接填充过孔的双面PC板,如中所示图24将提高热性能,同时优化所需的PC板表面积。使用双面PC板布置如图24所示,带有1盎司(1.4密耳厚)的铜包层,无焊料掩模和焊料填充过孔,两侧0.5平方英寸的面积将使θJ-A降低到43°C/W。

安芯科创是一家国内芯片代理和国外品牌分销的综合服务商,公司提供芯片ic选型、蓝牙WIFI模组、进口芯片替换国产降成本等解决方案,可承接项目开发,以及元器件一站式采购服务,类型有运放芯片、电源芯片、MO芯片、蓝牙芯片、MCU芯片、二极管、三极管、电阻、电容、连接器、电感、继电器、晶振、蓝牙模组、WI模组及各类模组等电子元器件销售。(关于元器件价格请咨询在线客服黄经理:15382911663)
代理分销品牌有:ADI_亚德诺半导体/ALTBRA_阿尔特拉/BARROT_百瑞互联/BORN_伯恩半导体/BROADCHIP_广芯电子/COREBAI_芯佰微/DK_东科半导体/HDSC_华大半导体/holychip_芯圣/HUATECH_华泰/INFINEON_英飞凌/INTEL_英特尔/ISSI/LATTICE_莱迪思/maplesemi_美浦森/MICROCHIP_微芯/MS_瑞盟/NATION_国民技术/NEXPERIA_安世半导体/NXP_恩智浦/Panasonic_松下电器/RENESAS_瑞莎/SAMSUNG_三星/ST_意法半导体/TD_TECHCODE美国泰德半导体/TI_德州仪器/VISHAY_威世/XILINX_赛灵思/芯唐微电子等等
免责声明:部分图文来源网络,文章内容仅供参考,不构成投资建议,若内容有误或涉及侵权可联系删除。
Copyright © 2002-2023 深圳市安芯科创科技有限公司 版权所有 备案号:粤ICP备2023092210号-1