能够驱动双级步进电机的两个绕组每个输出电流高达750mA弯曲的宽电压范围10V至46V半步、全步和微步模式内置保护二极管内部PWM电流控制低输出饱和电压为不稳定电机设计电源电压内部热关机
说明
L6219DSA是一种双极单片集成电路控制和驱动两个绕组的电路双极步进电动机或双向控制两台直流电动机。带有一些外部组件的L6219DSA为LS TTL或微处理器控制的步进电机形成一个完整的控制和驱动电路系统。功率级是一个双全桥维持46V电压,包括四个二极管,用于电流再循环。提供交叉传导保护以避免切换过程中的同时交叉传导当前方向。内部脉冲宽度调制(PWM)控制输出电流至750mA,峰值启动电流高达1A。从750mA(每个桥)允许通过两个逻辑输入和一个外部电压基准。A相输入每个电桥决定负载电流方向。热保护电路禁用输出如果芯片温度超过安全操作限制。


注:接地、VS、VSS、OUT 1A和OUT 2A上的ESD保证高达1.5KV(人体模型,1500Ω,100pF)。
电气特性(Tj=-40至125°C,VS=46V,VSS=4.75V至5.25V,VREF=5V;un 除非另有规定),见图3。


功能描述
该电路用于驱动双极步进电机。峰值电流控制通过开关模式调节。有三种不同的电流等级可供选择绕组1和绕组1的两个逻辑输入I01-I11绕组2的I02-I12。
电流也可以完全关闭输入逻辑(I0和I1)选择电机绕组中的电流电平有了这些输入。(见图2)如果任何逻辑输入保持开路,电路将治疗它有一个高水平的输入。

阶段
这个输入决定电流的方向在绕组中,取决于电机连接。信号通过施密特触发器馈送为了提高抗噪性,并通过延时以确保在相移期间的输出级。相位输入高电平导致电机电流从A出口通过绕组流向输出B电流传感器该部件包含一个电流感应电阻器(RS),一个低通滤波器(RC,CC)和三个比较器。一次只有一个比较器处于活动状态。它由输入逻辑根据电流激活用信号Io和I1选择电平。电机电流流过感应电阻器。当电流增加,使得RS上的电压高于另一个比较器输入端的参考电压时比较器变高,触发脉冲发电机。最大峰值电流Imax可定义为:

脉冲发生器是单稳态触发的比较器输出的正向边。脉冲过程中单稳态输出很高时间,toff,由时间分量Rt和Ct决定。toff=1.1•RtCt单脉冲切断电机绕组,使绕组电流toff期间减少。如果在toff期间出现新的触发信号,则为忽略。
输出级
输出级包含四个达林顿晶体管(源驱动器)和四个饱和晶体管(接收器驱动器)和八个二极管,两个相连H桥。源晶体管用于切换向电机绕组供电,从而驱动通过绕组的恒定电流。但应注意的是,这是不允许的使输出短路。为了增加电机电流精度特别低当前水平。
VS、VSS、VRef
电路将经受电源电压VS和VSS的任何接通或断开顺序。正常dV/dt然后假设值。VRef最好在如果建立了VS,则通电和断电。应用信息(注1)有些步进电机不是为在最大电流下连续运行而设计的。作为电路通过电机驱动恒定电流温度在两种温度下都会急剧升高低速和高速运行。而且,有些步进电机有如此高的核心不适合切换模式的损耗现行法规。未使用的输入应连接到适当的电压水平,以获得最高的噪声干扰。当电路以开关模式电流工作时调节,干扰产生问题可能在某些应用中出现。一个很好的尺度然后用100nF把电路解耦电容器,位于组件附近电源线和接地。Rs和电路GND之间的接地线应该尽可能短。典型的应用电路如图3所示。注意Ct必须是NPO型或类似类型。感应绕组电流,并联金属建议使用薄膜电阻器(Rs)注1-其他信息以“Smart”形式提供电力开发系统:
测试板HWL6219DSA(步进驱动器)
软件SWL6219DSA(软盘)
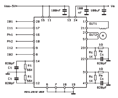
图3:典型应用电路。(引脚输出参考DIP24包)

安芯科创是一家国内芯片代理和国外品牌分销的综合服务商,公司提供芯片ic选型、蓝牙WIFI模组、进口芯片替换国产降成本等解决方案,可承接项目开发,以及元器件一站式采购服务,类型有运放芯片、电源芯片、MO芯片、蓝牙芯片、MCU芯片、二极管、三极管、电阻、电容、连接器、电感、继电器、晶振、蓝牙模组、WI模组及各类模组等电子元器件销售。(关于元器件价格请咨询在线客服黄经理:15382911663)
代理分销品牌有:ADI_亚德诺半导体/ALTBRA_阿尔特拉/BARROT_百瑞互联/BORN_伯恩半导体/BROADCHIP_广芯电子/COREBAI_芯佰微/DK_东科半导体/HDSC_华大半导体/holychip_芯圣/HUATECH_华泰/INFINEON_英飞凌/INTEL_英特尔/ISSI/LATTICE_莱迪思/maplesemi_美浦森/MICROCHIP_微芯/MS_瑞盟/NATION_国民技术/NEXPERIA_安世半导体/NXP_恩智浦/Panasonic_松下电器/RENESAS_瑞莎/SAMSUNG_三星/ST_意法半导体/TD_TECHCODE美国泰德半导体/TI_德州仪器/VISHAY_威世/XILINX_赛灵思/芯唐微电子等等
免责声明:部分图文来源网络,文章内容仅供参考,不构成投资建议,若内容有误或涉及侵权可联系删除。
Copyright © 2002-2023 深圳市安芯科创科技有限公司 版权所有 备案号:粤ICP备2023092210号-1