特征
•3 mm x 3 mm MLP小包装
•通过交流适配器或USB为系统充电和供电,并提供自主电源选择
•集成USB控制,可选择100毫安和500毫安充电率
•适用于空间有限便携式应用中单电池锂离子电池或锂离子电池组的低压差充电器设计
•集成功率场效应晶体管和电流传感器,用于交流适配器的高达1-A充电应用
•带安全定时器的预充电调节
•电源良好(存在交流适配器)状态输出
•充电前和充电期间可选电池温度监测
•低功耗的自动睡眠模式
应用
•PDA、MP3播放器
•数码相机
•互联网设备
•智能手机
说明
bqTINY II系列是高度集成、灵活的锂离子线性充电和系统电源管理设备,适用于空间有限的充电器应用。在单个单片设备中,bqTINY II提供集成USB端口和交流适配器电源管理,具有自主电源选择、功率场效应管和电流传感器接口、高精度电流和电压调节、充电状态和充电终端。
bqTINY II自动选择USB端口或交流适配器作为系统的电源。在USB配置中,主机可以从100毫安或500毫安的两种预设费率中进行选择。在交流适配器配置中,外部电阻器设置系统或充电电流。
bqTINY II通过三个阶段给电池充电:调节、恒流和恒压。根据最小电流终止充电。内部充电计时器为充电终止提供备用安全。如果电池电压低于内部阈值,bqTINY II会自动重新开始充电。当两个电源都被移除时,bqTINY II会自动进入睡眠模式。

bqTINY II的不同版本提供了许多附加功能。这些包括用于检测热电池组或冷电池组的温度传感器输入、指示输入功率存在的功率良好输出(PG)、用于禁用或启用充电过程的TTL级充电启用输入(CE),以及用于禁用或启用快速充电定时器和充电终止的TTL电平定时器和锥形检测启用输入(TTE)。
订购信息

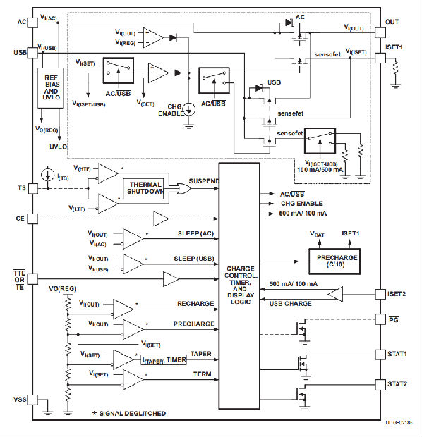
功能框图

典型特征

bqTINY II支持适用于单电池组的精密锂离子、锂离子充电系统。图3显示了典型的电荷分布图、应用电路,图4显示了操作流程图。

功能描述


图4:操作流程图
自主电源选择
默认情况下,bqTINY II尝试从交流输入充电。如果交流输入不存在,则选择USB。如果两个输入都可用,则交流适配器具有优先权。有关详细信息,请参阅。

温度鉴定(仅bq24020、bq24024、bq24025和bq24026)
bqTINY II通过测量TS和VSS引脚之间的电压来持续监测电池温度。内部电流源为常见的10-kΩ负温度系数热敏电阻(NTC)提供偏置(见图6)。该设备将TS引脚上的电压与内部V(LTF)和V(HTF)阈值进行比较,以确定是否允许充电。如果检测到超过V(LTF)和V(HTF)阈值的温度,设备会通过关闭功率FET并保持计时器值(即计时器未复位)立即暂停充电。当温度恢复到正常范围内时,充电恢复。
103AT型热敏电阻的允许温度范围是0°C到45°C。但是用户可以通过添加两个外部电阻器来修改这些阈值。见图7。
蓄电池预处理
如果电池电压在充电周期内低于V(低电压)阈值,bqTINY II会对电池施加预充电电流IO(PRECHG)。这一特性使深放电的细胞复活。ISET1和VSS之间连接的电阻RSET决定了预充电率。规格表中规定了V(PRECHG)和K(SET)参数。请注意,这适用于交流和USB充电。

bqTINY II在调节阶段激活一个安全定时器t(PRECHG)。如果在定时器时间内未达到V(低电压)阈值,bqTINY II将关闭充电器并在STATx引脚上声明一个故障代码。有关更多详细信息,请参阅计时器故障恢复部分。

电池充电电流
bqTINY II提供带可编程设定点的片上电流调节。ISET1和VSS之间连接的电阻RSET决定交流充电率。规格表中指定了V(SET)和K(SET)参数。

从USB端口充电时,主机控制器可选择使用ISET2引脚选择100毫安或500毫安的充电速率。低电平信号将电流设置为100毫安,高电平信号将电流设置为500毫安。高Z输入禁止USB充电。
电池电压调节
电压调节反馈通过OUT引脚。该输入直接连接到电池组的正极。bqTINY II监控OUT和VSS引脚之间的电池组电压。当电池电压上升到VO(REG)阈值时,电压调节阶段开始,充电电流开始下降。
作为安全备份,bqTINY II还监控充电时间。如果充电未在t(CHG)规定的时间内终止,bqTINY II将关闭充电器并在STATx引脚上声明一个故障代码。有关更多详细信息,请参阅计时器故障恢复部分。
电荷锥化检测、终止和充电
bqTINY II在电压调节阶段监控充电电流。当锥度阈值,当检测到I(锥度)时,bqTINY II启动锥度计时器t(锥度)。计时器过期后充电终止。ISET1和VSS之间连接的电阻RSET决定了锥度检测水平。规格表中指定了V(锥度)和K(设置)参数。请注意,这适用于交流和USB充电。

如果充电电流上升到锥形阈值I(锥形)以上,bqTINY II会重置锥形定时器。
除了锥形电流检测,如果充电电流低于I(终端)阈值,bqTINY II会终止充电。此功能允许快速识别电池移除情况,或插入充满电的电池。请注意,充电计时器和锥形计时器对此功能是旁通的。ISET1和VSS之间连接的电阻RSET决定了锥度检测水平。规格表中规定了V(术语)和K(集合)参数。请注意,这适用于交流和USB充电。

充电结束后,当OUT引脚上的电压低于V(RCH)阈值时,bqTINY II重新开始充电。此功能可使电池始终处于满容量状态。
关于bq24026和bq24027的说明
bq24026和bq24027在电压调节阶段监测充电电流。一旦检测到锥形阈值I(锥形),bq24026/27终止电荷。此版本没有锥度计时器(t(锥度))。
ISET1和VSS之间连接的电阻RSET决定交流输入的锥度检测电平。对于USB充电,锥形电平固定在100或500毫安充电率的10%。
还要注意,在bq24026和bq24027中有I(TERM)检测。
睡眠模式
如果交流和USB都从电路中移除,bqTINY II将进入低功耗休眠模式。此功能可防止在没有输入电源的情况下耗尽电池电量。
充电状态输出
开路漏极STAT1和STAT2输出指示各种充电器操作,如下表所示。这些状态引脚可用于驱动LED或与主机处理器通信。注意,关表示开漏晶体管关断。

(1)、关于表示STAT1和STAT2引脚上的开漏极输出晶体管处于关闭状态。
PG输出
漏极开路PG(电源良好)指示何时有交流适配器。当检测到有效电压时,输出接通。此输出在睡眠模式下关闭。PG引脚可用于驱动LED或与主机处理器通信。
CE输入(充电启用)
CE数字输入用于禁用或启用充电过程。此引脚上的低电平信号启动充电。高电平信号会使充电失效,并使设备处于低功耗模式。此引脚上的高到低转换也会重置所有定时器和定时器故障条件。请注意,这适用于交流和USB充电。
TTE输入(定时器和终端启用)
TTE数字输入用于禁用或启用快速充电计时器和充电锥形检测。此引脚上的低电平信号启用快速充电定时器和锥形定时器,高电平信号禁用此功能。请注意,这适用于交流和USB充电。
热关机和保护
bqTINY II监控结温TJ,如果TJ超过T(SHTDWN),则暂停充电。当TJ降至温度以下约15°C(SHTDWN)时,充电恢复。
TE输入(定时器启用)
TE数字输入用于禁用或启用快速充电计时器。此引脚上的低电平信号启用快速充电定时器,高电平信号禁用此功能。
请注意,这适用于交流和USB充电。
定时器故障恢复
如图4所示,bqTINY II提供了一种恢复方法来处理计时器故障情况。以下讨论总结了这种方法:
条件1:充电电压高于充电阈值(V(RCH)),出现超时故障
回收方法:bqTINY II等待电池电压降至充电阈值以下。这可能是由于蓄电池负载、自放电或蓄电池拆卸造成的。当电池电压低于充电阈值时,bqTINY II将清除故障并开始新的充电循环。切换POR、CE或TTE也可以清除故障。
条件2:充电电压低于充电阈值(V(RCH)),出现超时故障
回收方法:在这种情况下,bqTINY II应用I(故障)电流。此小电流用于检测蓄电池拆卸情况,只要蓄电池电压保持在充电阈值以下,该电流就会保持接通。如果电池电压高于充电阈值,则bqTINY II将禁用I(故障)电流,并执行条件1所述的恢复方法。当电池电压低于充电阈值时,bqTINY II将清除故障并开始新的充电循环。切换POR、CE或TTE也可以清除故障。
申请信息
热因素
bqTINY II封装在热增强型MLP封装中。该封装包括一个热垫,用于在器件和印刷电路板(PCB)之间提供有效的热接触。本包装的完整PCB设计指南见标题为QFN/SON PCB附件应用说明(TI文献编号SLUA271)。
最常见的封装热性能测量方法是从器件连接处到封装表面(环境)周围空气的热阻抗(θJA)。θJA的数学表达式为:

其中:
•TJ=装置结温
•TA=环境温度
•P=设备功耗
影响θJA测量和计算的因素有:
•设备是否安装在板上
•迹线尺寸、成分、厚度和几何形状
•设备方向(水平或垂直)
•被测设备周围的环境空气体积和气流\u lus549
•其他表面是否靠近被测设备
器件的功耗P是内部功率场效应晶体管的电荷率和电压降的函数。可根据以下公式计算:

由于锂xx电池的充电模式,最大功耗通常出现在充电周期开始时,当电池电压处于最低时。见图2。
PCB布局注意事项
要特别注意PCB布局。以下提供了一些指导原则:
•为了获得最佳性能,从VCC到VSS的去耦电容器和从OUT到VSS的输出滤波电容器应尽可能靠近bqTINY,信号管脚和VSS管脚都应进行短距离跟踪。
•所有低电流VSS连接应与电池的高电流充电或放电路径分开。使用单点接地技术,包括小信号接地路径和电源接地路径。
•BAT引脚是对设备的电压反馈。它应该与尽可能靠近电池组的痕迹连接。
•输入和输出引脚的高电流充电路径的尺寸必须适合最大充电电流,以避免这些线路中的电压降。
•bqTINY II封装在热增强型MLP封装中。该封装包括一个热垫,用于在器件和印刷电路板(PCB)之间提供有效的热接触。本包装的完整PCB设计指南见标题为:QFN/SON PCB附件应用说明(TI文献编号:SLUA271)。
安芯科创是一家国内芯片代理和国外品牌分销的综合服务商,公司提供芯片ic选型、蓝牙WIFI模组、进口芯片替换国产降成本等解决方案,可承接项目开发,以及元器件一站式采购服务,类型有运放芯片、电源芯片、MO芯片、蓝牙芯片、MCU芯片、二极管、三极管、电阻、电容、连接器、电感、继电器、晶振、蓝牙模组、WI模组及各类模组等电子元器件销售。(关于元器件价格请咨询在线客服黄经理:15382911663)
代理分销品牌有:ADI_亚德诺半导体/ALTBRA_阿尔特拉/BARROT_百瑞互联/BORN_伯恩半导体/BROADCHIP_广芯电子/COREBAI_芯佰微/DK_东科半导体/HDSC_华大半导体/holychip_芯圣/HUATECH_华泰/INFINEON_英飞凌/INTEL_英特尔/ISSI/LATTICE_莱迪思/maplesemi_美浦森/MICROCHIP_微芯/MS_瑞盟/NATION_国民技术/NEXPERIA_安世半导体/NXP_恩智浦/Panasonic_松下电器/RENESAS_瑞莎/SAMSUNG_三星/ST_意法半导体/TD_TECHCODE美国泰德半导体/TI_德州仪器/VISHAY_威世/XILINX_赛灵思/芯唐微电子等等
免责声明:部分图文来源网络,文章内容仅供参考,不构成投资建议,若内容有误或涉及侵权可联系删除。
Copyright © 2002-2023 深圳市安芯科创科技有限公司 版权所有 备案号:粤ICP备2023092210号-1