特征
•适合汽车应用
•18通道伽马校正
•2通道可编程VCOM:50 mA输出
•10位分辨率
•轨对轨输出
•低电源电流:900μA/ch
•电源电压:7 V至18 V
•数字电源:2.0 V至5.5 V
•行业标准,双线接口:3.4 MHz高速模式
•提供演示板和软件
应用
•取代基于电阻的伽马解决方案
•TFT-LCD参考驱动程序
•动态伽马控制
说明
BUF20800-Q1是一种可编程基准电压发生器,用于TFT-LCD面板中的伽马校正。它提供18个可编程输出用于伽马校正,两个通道用于VCOM调整,每个通道的分辨率为10位。
这种可编程性取代了传统的耗时改变电阻值的过程,以优化各种伽马电压,并允许设计师快速确定面板的正确伽马电压。所需的更改也可以在不更改硬件的情况下轻松实现。
BUF20800-Q1采用了TI最新的小型几何模拟CMOS工艺,这使得它成为全面生产的非常有竞争力的选择,而不仅仅是评估。
通过工业标准的两线串行接口对每个输出进行编程。与现有的可编程缓冲器不同,BUF20800-Q1提供了一种高速模式,允许时钟速度高达3.4兆赫。
对于较低的渠道数,请联系您当地的销售或营销代表。
BUF20800-Q1在HTSSOP-38电源板中提供™ 包裹。规定温度范围为−40°C至+105°C。
相关产品

典型特征
TA=25°C,VS=18 V,VSD=5V,VREFH=17V,VREFL=1V,RL=1.5KΩ接地,CL=200pF,除非另有说明。


申请信息
BUF20800-Q1可编程电压基准允许快速、轻松地调整18个可编程参考输出和两个用于VCOM调整的通道,每个通道具有10位分辨率。它提供了非常简单,高效的伽马基准电压和VCOM电压的调整。BUF20800-Q1通过高速标准双线接口编程。BUF20800-Q1为每个DAC通道提供了双寄存器结构,以简化动态伽马控制的实现。该结构允许所有通道同时快速更新。
缓冲器1−9能够在正极供电轨200mV范围内摆动,在负极供电轨0.6V范围内摆动。缓冲器10-18能够摆动到正极供电轨的0.8V范围内和负极供电轨的200mV范围内。
BUF20800-Q1可使用7V至18V的模拟电源电压和2V至5.5V的数字电源供电。数字电源必须在模拟电源之前或同时使用,以避免过大的电流和功耗;如果长时间只连接模拟电源,可能会损坏设备。图7显示了电源定时要求。

图8显示了典型配置中的BUF20800-Q1。在这种配置中,BUF20800-Q1设备地址为74h。一旦在相应寄存器(LD=0)中接收到数据,每个数模转换器(DAC)的输出立即更新。
对于最大动态范围,设置VREFH=VS−0.2 V和VREFL=GND+0.2 V。
双线总线概述
BUF20800-Q1通过工业标准的双线接口进行通信,以从模式接收数据。本标准使用两线制开路漏极接口,支持单个总线上的多个设备。总线只驱动到逻辑低电平。发起通信的设备称为主设备,由主设备控制的设备是从设备。主机在时钟信号线(SCL)上生成串行时钟,控制总线访问,并生成启动和停止条件。
为了对特定设备进行寻址,当SCL处于高电平时,主机通过将数据信号线(SDA)从高逻辑电平拉到低逻辑电平来启动启动条件。总线上的所有从机都在从机地址字节中移位,最后一位表示是要进行读操作还是写操作。在第9个时钟脉冲期间,被寻址的从机通过产生一个应答并将SDA拉低来响应主机。
然后开始数据传输,发送8位数据,然后发送一个确认位。在数据传输过程中,当SCL较高时,SDA必须保持稳定。当SCL较高时,SDA的任何变化都将被解释为启动或停止条件。
一旦所有数据都被传输,主设备会生成一个停止条件,在SCL为高时,将SDA从低拉到高。
BUF20800-Q1只能作为从设备;因此,它从不驱动SCL。SCL只是BUF20800-Q1的输入。表1和表2分别总结了BUF20800-Q1的地址和命令代码。
处理BUF20800-Q1
BUF20800-Q1的地址是111010x,其中x是A0引脚的状态。当A0引脚低时,设备将在地址74h(1110100)上确认。如果A0引脚高,设备将在地址75h(1110101)上确认。
其他有效地址可以通过简单的掩码更改来实现。请联系您的TI代表以获取信息。


(1)、 RC组合可选。
(2)、 GNDA和GNDD必须连接在一起。
(3)、 不建议将电容器连接到此节点。
数据速率
双线总线以三种速度模式之一运行:
•标准:允许时钟频率高达100kHz;
•快速:允许时钟频率高达400kHz;以及
•高速模式(也称为Hs模式):允许时钟频率高达3.4MHz。
BUF20800-Q1完全兼容所有三种模式。在标准或快速模式下使用设备无需特殊操作,但必须激活高速模式。要激活高速模式,在启动条件后发送一个特殊地址字节00001xxx,SCL=400kHz;xxx是支持Hs的主机的唯一位,可以是任何值。这个字节称为Hs主代码。(请注意,这与正常地址字节不同,低位不指示读/写状态。)无论最后三位的值如何,BUF20800-Q1都将响应高速命令。BUF20800-Q1将不确认该字节;通信协议禁止确认Hs主代码。收到主代码后,BUF20800-Q1将打开其Hs模式滤波器,并以高达3.4MHz的频率进行通信。通过生成无停止的重复启动,可以在不重新发送Hs模式字节的情况下启动附加的高速传输。BUF20800-Q1将在下一个停止条件下退出Hs模式。
一般呼叫重置和通电
BUF20800-Q1响应一般调用重置,即地址字节00h(0000 0000),后跟数据字节06h(0000 0110)。BUF20800-Q1确认这两个字节。在收到一般呼叫重置后,BUF20800-Q1会执行完全的内部重置,就好像它已经断电然后再打开一样。它总是确认00h(0000 0000)的一般呼叫地址字节,但不确认除06h(0000 0110)以外的任何一般呼叫数据字节。
BUF20800-Q1通电后自动执行复位。作为重置的一部分,所有输出均设置为(VREFH−VREFL)/2。其他重置值可作为自定义修改。有关详细信息,请联系您的TI代表。
发送设备地址后,如果发送有效的DAC地址,且位D7至D5设置为“100”,则BUF20800-Q1将所有输出重置为(VREFH−VREFL)/2。如果将这些位设置为“010”,则只有在此最高有效字节(MSB)中寻址的DAC和下面的最低有效字节(LSB)将被重置。
输出电压
缓冲器输出值由参考电压(VREFH和VREFL)以及用于编程该缓冲器的二进制输入代码的十进制值确定。使用方程式1计算该值:

参考电压的有效电压范围为:

BUF20800-Q1输出能够在典型的5μs内实现满量程电压输出变化,无需中间步骤。
输出锁存器
更新DAC寄存器与更新DAC输出电压不同,因为BUF20800-Q1具有双缓冲寄存器结构。有三种方法可以将传输的数据从存储寄存器锁存到DAC中,以更新DAC输出电压。
方法1:需要在外部设置闩锁引脚(LD)LOW,LD=LOW,每当其对应的寄存器被更新时,它将更新每个DAC输出电压。
方法2:在外部设置LD=HIGH,以允许所有DAC输出电压在数据传输期间保持其值,直到LD=LOW,然后将同时将所有DAC的输出电压更新为新的寄存器值。使用此方法预先传输未来的数据集,以准备非常快速的输出电压更新。
方法3:采用软件控制。当一个DAC寄存器中的任何15位都被更新时,所有的DAC寄存器都被更新。更新将在接收到当前写入寄存器的16位数据后发生。
无论闩锁引脚的状态如何,一般呼叫重置和加电重置都将更新DAC。
读/写操作
BUF20800-Q1能够在单个通信事务中从单个DAC或多个DAC读取,或写入单个DAC或多个DAC的寄存器。DAC地址以0000 0000开头,对应于DAC_1,到0001 0011,对应于VCOM OUT2。
通过将读/写位设置为低位来执行写入命令。将读/写位设置为高位将执行读事务。
写作
写入单个DAC寄存器
1、1在总线上发送启动条件。
2、发送设备地址,读/写位=低。BUF20800-Q1将确认该字节。
3、发送一个DAC地址字节。位D7−D5必须设置为0。位D4−D0是DAC地址。只有DAC地址00000到10011是有效的并且将被确认。表3显示了DAC地址。
4、为指定的DAC寄存器发送两个字节的数据。首先发送最高有效字节(位D15−D8,其中仅使用位D9和D8,且位D15−D14不得为01),然后发送最低有效字节(位D7−D0)。寄存器在接收到第二个字节后被更新。
5、在公共汽车上发送停车条件。

BUF20800-Q1将确认每个数据字节。如果主机通过在总线上发送停止或启动条件而提前终止通信,则指定的寄存器将不会被更新。更新DAC寄存器与更新DAC输出电压不同。请参阅“输出闩锁”部分。
更新多个DAC寄存器的过程与更新单个寄存器的过程相同。然而,在写入寻址寄存器后,主机不再发送停止条件,而是继续为下一个寄存器发送数据。当发送附加数据时,BUF20800-Q1会自动并按顺序逐步执行后续寄存器。该过程将继续,直到所有需要的寄存器都已更新或发出停止条件。
要写入多个DAC寄存器:
1、1在总线上发送启动条件。
2、发送设备地址,读/写位=低。BUF20800-Q1将确认该字节。
3、发送从第一个DAC开始的DAC_1地址字节,或发送要更新的DAC序列中第一个DAC的地址字节。BUF20800-Q1将从该DAC开始,并按顺序逐步执行后续的DAC。
4、发送数据字节;首先发送最高有效字节(位D15−D8,其中只有位D9和D8有意义),然后是最低有效字节(位D7−D0)。前两个字节用于上述步骤3中寻址的DAC。它的寄存器在接收到第二个字节后自动更新。接下来的两个字节用于以下DAC。该DAC寄存器在接收到第四个字节后被更新。此过程将继续,直到以下所有DAC的寄存器都已更新。
5、在公共汽车上发送停车条件。
BUF20800-Q1将确认每个字节。要终止通信,请在总线上发送停止或启动条件。只有接收到两个字节数据的DAC寄存器才会被更新。
阅读
读取DAC寄存器将返回存储在DAC中的数据。此数据可能与存储在DAC寄存器中的数据不同。请参阅“输出闩锁”部分。
要读取DAC值:
1、在总线上发送启动条件。
2、发送设备地址,读/写位=低。BUF20800-Q1将确认该字节。
3、发送DAC地址字节。位D7−D5必须设置为0;位D4−D0是DAC地址。只有DAC地址00000到10011是有效的并且将被确认。
4、在总线上发送启动或停止/启动条件。
5、发送正确的设备地址,读/写位=高。BUF20800-Q1将确认该字节。
6、接收两个字节的数据。它们用于指定的DAC。第一个接收到的字节是最高有效字节(位D15−D8;只有位D9和D8有意义);下一个字节是最低有效字节(位D7−D0)。
7、收到第一个字节后确认。
8、不要确认第二个字节以结束读取事务。
可通过在总线上发送过早停止或启动条件或不发送确认来终止通信。
要读取多个DAC:
1、在总线上发送启动条件。
2、发送设备地址,读/写位=低。BUF20800-Q1将确认该字节。
3、发送从第一个DAC开始的DAC_1地址字节,或发送要读取的DAC序列中第一个DAC的地址字节。BUF20800-Q1将从该DAC开始,并按顺序逐步执行后续的DAC。
4、在总线上发送启动或停止/启动条件。
5、发送正确的设备地址,读/写位=高。BUF20800-Q1将确认该字节。
6、接收两个字节的数据。它们用于指定的DAC。第一个接收到的字节是最高有效字节(位D15−D8,只有位D9和D8有意义);下一个字节是最低有效字节(位D7−D0)。
7、接收到除最后一个字节外的每个数据字节后确认。最后一个字节的确认位应为高位,以结束读取操作。
8、当所有需要的DAC都被读取后,在总线上发送一个停止或重复启动条件。
可通过在总线上发送过早停止或启动条件或不发送确认来终止通信。


取代传统的伽马缓冲器
传统的gamma缓冲器依靠电阻串(通常使用昂贵的0.1%电阻)来设置伽马电压。在开发过程中,优化这些伽马电压可能很耗时。用BUF20800-Q1编程这些伽马电压可以显著减少伽马电压优化所需的时间。最终的伽马值可以写入外部EEPROM,以取代传统的gamma缓冲解决方案。在LCD面板通电期间,定时控制器读取EEPROM并将值加载到BUF20800-Q1中,以生成所需的伽马电压。图11a显示了传统的电阻串;图11b显示了使用BUF20800-Q1的更有效的替代方法。
BUF20800-Q1采用当今最先进的高压CMOS工艺,这使得它能够与传统的伽马缓冲器相竞争。
该技术具有显著优势:
•显著缩短开发时间。
•只需上传一组不同的伽马值,就可以向液晶显示器制造商演示各种伽马曲线。
•它允许在生产过程中对伽马曲线进行简单调整,以适应面板制造工艺或最终客户要求的变化。
•降低成本和空间。

可编程VCOM
BUF20800-Q1的VCOM通道可从正极电源轨摆动至2V,而源极为50 mA,而在负极导轨上方摆动至1 V,同时下沉50 mA(参见图4,典型特征输出电压与输出电流)。为了存储gamma和VCOM值,需要一个外部EEPROM。在LCD面板通电期间,时序控制器可以读取EEPROM并将值加载到BUF20800-Q1中,以生成所需的VCOM电压,如图11和图12所示。VCOM通道可独立于伽马通道编程。

REFH和REFL输入范围
BUF20800-Q1的最佳性能和输出摆动范围是通过施加略低于电源电压的REFH和REFL电压实现的。大多数规格在REFH=Vs−200mV和REFL=GND+200mV下进行了测试。REFH内部缓冲区设计成非常接近Vs,REFL内部缓冲区非常接近GND。然而,它们在饱和前摆动的距离是有限的。为避免内部REFH和REFL缓冲器饱和,REFH电压不得大于Vs−100mV,REFL电压不得低于GND+100mV。图13显示了REFH和REFL缓冲区的摆动能力。
当试图最大化gamma缓冲器的输出摆动能力时,另一个考虑因素是输出缓冲器(OUT1−18、VCOM1和VCOM2)摆动范围的限制,这取决于负载电流。LCD应用中的典型负载为5-10mA。例如,如果OUT1的电源是10mA,则摆动通常限制在Vs−200mV左右。这同样适用于OUT18,当下沉10mA时,它通常限制在GND+200mV。输出摆幅的增加只能在负载较轻的情况下实现。例如,3mA负载通常允许摆动增加到Vs−100mV和GND+100mV左右。
将REFH直接连接到Vs和REFL直接连接到GND不会损坏BUF20800-Q1。但是,如上所述,REFH和REFL缓冲器的输出级将饱和。这种情况并不理想,可能会导致OUT1−18、VCOM1和VCOM2的测量输出电压出现小误差。如上所述,这种连接REFH和REL的方法无助于最大化输出摆动能力。

20个伽马通道的配置
VCOM输出可作为额外的伽马参考,以实现两个额外的伽马通道(总共20个)。当产生或吸收较小电流时,VCOM输出将与OUT1−9输出相同(见图4)。VCOM输出能够更好地摆动到正轨道,而不是反向轨道。因此,最好将VCOM输出用于更高的参考电压,如图14所示。

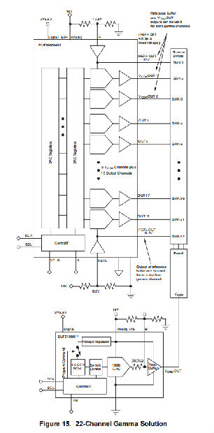
22个伽马通道的配置
除VCOM输出外,REFH和REFL OUT输出也可用作固定伽马参考。输出电压将分别由REFH和REFL输入电压设置。因此,REFH OUT应用于最高电压gamma基准,REFL OUT用于最低电压gamma基准。22通道解决方案可通过使用所有18个输出、两个VCOM输出和两个用于伽马参考的REFH/L OUT输出创建,见图15。然而,REFH和REFL OUT缓冲器设计为仅驱动5−10mA量级的轻负载。不建议使用这些缓冲器驱动电容性负载。此外,REFH和REFL缓冲器不得因REFH OUT或REFL OUT产生过多电流而饱和。REFH和REFL缓冲器的饱和会导致OUT1−18和VCOM OUT1−2的电压出现错误。BUF01900可用于提供可编程VCOM输出。

动态伽马控制
动态伽玛控制是一种用于改善液晶电视图像质量的技术。分析每个画面帧中的亮度,并逐帧调整伽马曲线。伽马曲线通常在视频信号中的短垂直消隐期间更新。图16显示了使用BUF20800-Q1进行动态伽马控制和VCOM输出的框图。
由于其独特的拓扑结构,BUF20800-Q1非常适合快速改变伽马曲线:
•DAC的双寄存器输入结构;
•快速串行接口;
•通过软件同步更新所有DAC。请参阅写入所有寄存器的读/写操作和输出锁存器部分。
双寄存器输入结构通过允许将更新的DAC值预加载到第一寄存器组来节省编程时间。当图片仍在显示时,可以存储此数据。因为数据只存储在第一寄存器组中,所以DAC输出值保持不变,显示不受影响。在垂直同步期间,可以通过使用连接到LD管脚的附加控制线或通过软件在任何DAC寄存器的第15位写入“1”,来快速更新DAC输出(因此,伽马电压)。有关双寄存器输入结构操作的详细信息,请参阅输出锁存器部分。
例子:通过软件同时更新所有18个伽马寄存器。
第1步:检查LD引脚是否处于高状态。
第2步:写入DAC寄存器1−18,位15始终为“0”。
第3步:用相同的数据再次写入任何DAC寄存器。确保位15为“1”。所有的DAC通道将在接收到最后一位数据后同时更新。(注:此步骤可通过在上一步骤中将dac18的位15设置为“1”来消除。)

钛板整体解决方案
除了BUF20800-Q1可编程基准电压源外,TI还为LCD面板市场提供一整套集成电路,包括伽马校正缓冲器、各种电源解决方案和音频电源解决方案。TI的总IC溶液见图17。

工业应用中的BUF20800-Q1
BUF20800-Q1电源范围广,输出电流高,成本极低,在可编程电源、多通道数据采集系统、数据记录器、传感器励磁和线性化、电源生成和其他用途等一系列中等精度工业应用中具有吸引力。每个通道都有DNSB入口DAL。
许多系统需要不同水平的偏压和电源,用于各种部件以及传感器励磁、控制回路设定点、电压输出、电流输出和其他功能。BUF20800-Q1有20个可编程DAC通道,通过允许设计者通过软件更改所有这些参数,为整个系统提供了极大的灵活性。
图18提供了BUF20800-Q1如何在应用程序中使用的各种想法。带有两线串行接口的微控制器控制BUF20800-Q1的各种DAC。BUF20800-Q1可用于:
•传感器激励
•可编程偏压/参考电压
•可变电源
•高电流电压输出
•4-20mA输出
•控制回路的设定点发生器
注:BUF20800-Q1 DAC的输出电压将在通电或复位时设置为(VREFH−VREFL)/2。

评估板和软件
BUF20800-Q1有一个评估委员会。评估板具有易于使用的软件,允许设置单个通道电压(见图19)。可以快速评估配置以确定给定应用程序的最佳代码。有关评估委员会的更多信息,请联系您当地的TI代表。

电源板设计的一般注意事项
BUF20800-Q1采用热增强型PowerPAD封装。这个包装是用一个下装引线框架构造的,模具安装在上面,见图20(a)和图20(b)。这种布置导致引线框架暴露在封装底部的热垫上;见图20(c)。该热垫与模具直接热接触;因此,通过提供远离热垫的良好热路径,可获得优异的热性能。
PowerPAD包允许在一个制造操作中同时进行装配和热管理。在表面贴装焊料操作过程中(引线焊接时),必须将热焊盘焊接到封装下方的铜区域。通过在这个铜区域内使用热路径,热量可以从封装件传导到接地层或其他散热装置中。始终需要将PowerPAD焊接到印刷电路板(PCB),即使在低功耗的应用中也是如此。这在引线框架模架垫和PCB之间提供了必要的热连接和机械连接。
电源板必须连接到设备上最负的电源电压,即GNDA和GNDD。
1、准备带有顶部蚀刻图案的PCB。导线和热垫都应进行蚀刻。
2、在隔热垫区域放置推荐的孔。HTSSOP-38 DCP封装的理想热焊盘尺寸和热通孔模式可在技术简介PowerPAD热增强包(SLMA002)中找到,可从以下网址下载:www.ti.com。这些孔的直径应为13密耳。保持它们很小,这样焊料芯吸通过孔在回流焊期间不是问题。示例热着陆模式机械图附于本数据表末尾。
3、可在热垫区域外沿热平面的任何位置放置额外的通孔。这有助于消散BUF20800-Q1 IC产生的热量。这些额外的通孔可能比热垫正下方直径为13密耳的通孔大。它们可以更大,因为它们不在要焊接的热垫区域;因此,芯吸不是问题。
4、将所有孔连接到与GND引脚电压相同的内部平面。
5、将这些孔连接到内部平面时,不要使用典型的腹板或轮辐连接方法。网络连接有一个高热阻连接,有助于减缓焊接过程中的热传递。这使得具有平面连接的通孔的焊接更加容易。然而,在这种应用中,为了实现最有效的热传递,需要低热阻。因此,BUF20800-Q1 PowerPAD封装下的孔应与内部平面连接,并在整个电镀通孔周围进行完整连接。
6、顶部焊锡面罩应使封装端子和热垫区域露出12个孔。底部的焊接面罩应覆盖热焊盘区域的孔。这种掩蔽可以防止焊料在回流焊过程中被拉离热焊盘区域。
7、将锡膏涂在外露的热垫区域和所有IC端子上。
8、有了这些准备步骤,BUF20800-Q1集成电路就可以简单地放置到位,并像任何标准的表面安装组件一样完成焊接回流焊操作。此准备工作可使零件正确安装。

对于给定的θJA(在电气特性表中列出),最大功耗如图21所示,并通过方程式3计算:

其中:
PD=最大功耗(W)
TMAX=绝对最高结温(+125°C)
TA=自由环境空气温度(°C)

安芯科创是一家国内芯片代理和国外品牌分销的综合服务商,公司提供芯片ic选型、蓝牙WIFI模组、进口芯片替换国产降成本等解决方案,可承接项目开发,以及元器件一站式采购服务,类型有运放芯片、电源芯片、MO芯片、蓝牙芯片、MCU芯片、二极管、三极管、电阻、电容、连接器、电感、继电器、晶振、蓝牙模组、WI模组及各类模组等电子元器件销售。(关于元器件价格请咨询在线客服黄经理:15382911663)
代理分销品牌有:ADI_亚德诺半导体/ALTBRA_阿尔特拉/BARROT_百瑞互联/BORN_伯恩半导体/BROADCHIP_广芯电子/COREBAI_芯佰微/DK_东科半导体/HDSC_华大半导体/holychip_芯圣/HUATECH_华泰/INFINEON_英飞凌/INTEL_英特尔/ISSI/LATTICE_莱迪思/maplesemi_美浦森/MICROCHIP_微芯/MS_瑞盟/NATION_国民技术/NEXPERIA_安世半导体/NXP_恩智浦/Panasonic_松下电器/RENESAS_瑞莎/SAMSUNG_三星/ST_意法半导体/TD_TECHCODE美国泰德半导体/TI_德州仪器/VISHAY_威世/XILINX_赛灵思/芯唐微电子等等
免责声明:部分图文来源网络,文章内容仅供参考,不构成投资建议,若内容有误或涉及侵权可联系删除。
Copyright © 2002-2023 深圳市安芯科创科技有限公司 版权所有 备案号:粤ICP备2023092210号-1