特征
•4通道保护低侧驱动器
–四个带过电流保护的NMOS FET
–集成电感钳位二极管
•单极步进电机的索引器/转换器
–简单的步进/方向接口
–三步模式(2相全步进、1-2相半步进、1相波驱动)
•DW封装:1.5-A(单通道开启)/800毫安(四通道开启)每个通道的最大驱动电流(25°C时)
•PWP封装:2-A(单通道开启)/1-A(四通道开启)每个通道的最大驱动电流(25°C,适当的PCB散热)
•8.2-V至60-V工作电源电压范围
•热增强表面贴装组件
应用
•游戏机
•通用单极步进电机驱动器
说明
DRV8805提供了驱动单极步进电机的集成解决方案。它包括四个低侧驱动器和过电流保护,并提供内置二极管,以钳制电机绕组产生的关断瞬态。
索引器逻辑控制单极步进电机使用一个简单的步进/方向接口也集成。支持三种步进模式:2相(全步进)、1-2相(半步进)和1相(波驱动)。
在SOIC(DW)封装中,DRV8805可在25°C下为每个通道提供高达1.5-A(一个通道打开)或800毫安(所有通道打开)的连续输出电流。在HTSSOP(PWP)封装中,它可以在25°C的温度下为每个通道提供高达2-A(一个通道打开)或1-A(四个通道打开)的连续输出电流,且PCB适当散热。
提供过电流保护、短路保护、欠压闭锁和过热的内部关机功能,故障由故障输出引脚指示。
DRV8805有20针热增强型SOIC封装和16针HTSSOP封装(环保型:RoHS&no Sb/Br)。
设备信息

(1)、有关所有可用的软件包,请参阅数据表末尾的订购附录。
简化示意图

典型特征

详细说明
概述
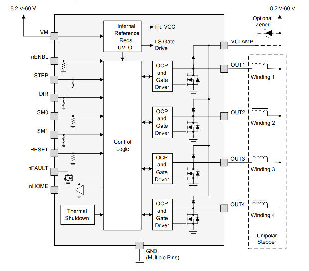
DRV8805是一个集成的4通道单极步进电机驱动器,具有步进/方向接口,可控制低端驱动器输出,并允许简单的控制方案。四个低侧驱动器输出包括四个N通道MOSFET,其典型的RDS(on)为500 mΩ。一个单独的电机电源输入VM用作设备电源,并在内部进行调节,为低压侧栅极驱动器供电。通过使nENBL引脚逻辑高,可以禁用设备输出。该装置有几个安全功能,包括集成过电流保护,将电机电流限制在固定的最大值,超过该值设备将关闭。热关机保护使设备能够在模具温度超过TTSD限制时自动关机,并在模具达到安全温度后重新启动。如果VM低于欠压锁定阈值,UVLO保护将禁用设备中的所有电路。
功能框图

特性描述
输出驱动器
DRV8805包含四个受保护的低端驱动器。每个输出端都有一个集成的箝位二极管,连接到一个公共引脚VCLAMP。
VCLAMP可以连接到主电源电压VM。它也可以连接到齐纳或TVS二极管到VM,允许开关电压超过主电源电压VM。当驱动需要快速电流衰减的负载时,这种连接是有益的,例如单极步进电机。
在所有情况下,输出电压不得超过最大输出电压规格。
索引器操作
DRV8805集成了一个索引器,允许通过简单的步进和方向接口进行电机控制。逻辑上,索引器如图6所示。

启动和复位操作
nENBL引脚启用或禁用输出驱动器。nENBL必须较低才能启用输出。nENBL不影响串行接口逻辑的操作。注意,nENBL有一个内部下拉列表。
当驱动高电平时,复位引脚复位内部逻辑。索引器重置为主状态。当复位激活时,所有输入被忽略。注意RESET有一个内部下拉菜单。还提供了内部加电复位,因此不需要在通电时驱动复位。
保护电路
DRV8805具有充分的保护,可防止欠压、过电流和过热事件。
过流保护(OCP)
每个FET上的模拟电流限制电路通过移除栅极驱动来限制通过FET的电流。如果该模拟电流限值持续时间超过tOCP除泥时间(约3.5μs),驱动器将被禁用,nFAULT引脚将被驱动至低电平。驾驶员将在重试时间(约1.2毫秒)内保持禁用状态,然后故障将自动清除。如果激活重置引脚或移除VM并重新应用,故障将立即清除。
热关机(TSD)
如果模具温度超过安全限值,所有输出FET将被禁用,并且nFAULT引脚将被驱动低。步骤输入将被忽略。一旦模具温度降至安全水平,操作将自动恢复。
欠压锁定(UVLO)
如果在任何时候VM引脚上的电压低于欠压锁定阈值电压,设备中的所有电路将被禁用,内部逻辑将被重置。当VM高于UVLO阈值时,操作将恢复。
设备功能模式
步进模式
SM0和SM1引脚选择转换器的步进模式,如表1所示。

在所有模式下,在故障条件下,阶跃输入将被忽略。有关详细信息,请参阅。保护电路输出顺序如表2、表3和表4所示。


应用与实施
注意
以下应用章节中的信息不是TI组件规范的一部分,TI不保证其准确性或完整性。TI的客户负责确定组件的适用性。客户应验证和测试其设计实现,以确认系统功能。
申请信息
DRV8805可用于驱动单极步进电机。
典型应用

设计要求
表5列出了该设计示例的设计参数。

详细设计程序
电机电压
使用的电机电压取决于所选电机的额定值和所需的转矩。更高的电压缩短了步进电机线圈中的电流上升时间,允许电机产生更大的平均转矩。使用更高的电压也可以使电机以比较低电压更快的速度运行。
驱动电流
电流路径是从电源VM开始,通过感应绕组负载,和低侧下沉NMOS功率FET。单沟NMOS功率场效应晶体管的功率损耗如下式所示。

在标准FR-4 PCB上,DRV8805已被测量为1.5-A单通道或800毫安四通道(DW封装)和2-A单通道或1-A四通道(PWP封装)。最大均方根电流将根据PCB设计和环境温度而变化。
应用曲线

电源建议
本体电容
具有合适的局部体积电容是电机驱动系统设计的一个重要因素。一般来说,有更多的体积电容是有益的,但缺点是成本和物理尺寸增加。
所需的本地电容量取决于多种因素,包括:
•电机系统所需的最高电流
•电源的电容和提供电流的能力
•电源和电机系统之间的寄生电感量
•可接受的电压纹波
•使用的电机类型(有刷直流、无刷直流、步进电机)
•电机制动方法
电源和电机驱动系统之间的电感会限制电源电流的变化率。如果局部大容量电容太小,系统将对过大的电流需求作出响应,或者随着电压的变化而从电机中卸载。当使用足够的大容量电容时,电机电压保持稳定,并能快速提供大电流。
数据表通常提供建议值,但需要进行系统级测试以确定适当尺寸的大容量电容器。

大容量电容器的额定电压应高于工作电压,以便在电机向电源传输能量时提供裕度。
布局
布局指南
大容量电容器的放置应尽量减少通过电机驱动装置的大电流路径的距离。连接金属迹线宽度应尽可能宽,连接PCB层时应使用多个过孔。这些做法使电感最小化,并允许大容量电容器输送高电流。
•小值电容器应为陶瓷,并靠近器件引脚放置。
•高电流设备输出应使用宽金属迹线。
设备热垫应焊接到PCB顶层接地板上。应使用多个通孔连接到大型底层地平面。使用大金属平面和多个通孔有助于消散器件中产生的I2×RDS(on)热。
布局示例

热注意事项
DRV8805具有热关机(TSD)中所述的热关机(TSD)。如果模具温度超过约150°C,设备将被禁用,直到温度降至安全水平。
设备进入TSD的任何趋势都表明功率消耗过大、散热不足或环境温度过高。
功耗
DRV8805的功耗主要由输出场效应管电阻(RDS(ON))消耗的功率控制。当运行一个静态负载时,每个场效应管的平均功耗可以用方程式2粗略估计。

其中:
•P是一个FET的功耗
•RDS(ON)是每个FET的电阻
•IOUT等于负载所消耗的平均电流
注意,在启动和故障条件下,该电流远高于正常运行电流;还必须考虑这些峰值电流及其持续时间。当同时驱动多个负载时,所有有效输出级的功率必须相加。
装置中可消耗的最大功率取决于环境温度和散热量。
注意RDS(ON)随着温度的升高而增加,因此当设备加热时,功耗也会增加。在确定散热器尺寸时,必须考虑到这一点。
散热
DRV8805DW封装采用标准SOIC外形,但中心引脚内部熔合在芯片垫上,以更有效地去除设备中的热量。封装每侧的两个中心引线应连接在一起,以尽可能大的铜面积,以消除设备的热量。如果铜区在PCB的另一侧,热通孔用于在顶层和底层之间传递热量。
一般来说,提供的铜面积越多,消耗的功率就越大。
drv8805ppp包使用HTSSOP包和暴露的PowerPAD™. 电源板™ 包装使用一个暴露的垫子来去除设备的热量。为了正确操作,该焊盘必须与PCB上的铜热连接以散热。在具有接地板的多层PCB上,这可以通过添加多个通孔来实现,以将热垫连接到地平面。在没有内部平面的PCB上,可以在PCB的任一侧添加铜区域来散热。如果铜区在PCB的另一侧,热通孔用于在顶层和底层之间传递热量。
安芯科创是一家国内芯片代理和国外品牌分销的综合服务商,公司提供芯片ic选型、蓝牙WIFI模组、进口芯片替换国产降成本等解决方案,可承接项目开发,以及元器件一站式采购服务,类型有运放芯片、电源芯片、MO芯片、蓝牙芯片、MCU芯片、二极管、三极管、电阻、电容、连接器、电感、继电器、晶振、蓝牙模组、WI模组及各类模组等电子元器件销售。(关于元器件价格请咨询在线客服黄经理:15382911663)
代理分销品牌有:ADI_亚德诺半导体/ALTBRA_阿尔特拉/BARROT_百瑞互联/BORN_伯恩半导体/BROADCHIP_广芯电子/COREBAI_芯佰微/DK_东科半导体/HDSC_华大半导体/holychip_芯圣/HUATECH_华泰/INFINEON_英飞凌/INTEL_英特尔/ISSI/LATTICE_莱迪思/maplesemi_美浦森/MICROCHIP_微芯/MS_瑞盟/NATION_国民技术/NEXPERIA_安世半导体/NXP_恩智浦/Panasonic_松下电器/RENESAS_瑞莎/SAMSUNG_三星/ST_意法半导体/TD_TECHCODE美国泰德半导体/TI_德州仪器/VISHAY_威世/XILINX_赛灵思/芯唐微电子等等
免责声明:部分图文来源网络,文章内容仅供参考,不构成投资建议,若内容有误或涉及侵权可联系删除。
Copyright © 2002-2023 深圳市安芯科创科技有限公司 版权所有 备案号:粤ICP备2023092210号-1