网站首页
home
产品中心
Product
MCU
智能模组
4G5G模组
NB-IOT模组
蓝牙WIFI模组
高级运算模组
晶圆
运放/锂电保护
电源芯片
DC/DC
AC/DC
同步整流
ADC-DAC模拟器件
MOS
二三极管
其他元器件
品牌总馆
BRAND
代理品牌
分销品牌
应用领域
application
新闻中心
News
公司资讯
行业动态
常见问题
选型替换
元器件百科
关于我们
About
企业介绍
企业风采
公司资质
联系我们
您现在所在位置:
主页
>
新闻中心
>
元器件百科
公司资讯
行业动态
常见问题
选型替换
元器件百科
LNBH24 带升压和I2C接口的双LNB电源和控制IC
特征LNBS和I2C总线之间的完整接口用于单12V电源的内置DC-DC转换器操作和高效率(典型。93%@0.5安)通过外部可选择的输出电流限制电阻器兼容主卫星接...
2024-02-28
327
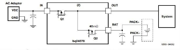
BQ24070是单片机充电与系统电源路径管理集成电路
特征•5.53mm小包装•专为单电池锂离子或锂聚合物便携式应用而设计•集成动态电源路径管理(DPPM)功能,允许交流适配器同...
2024-02-28
286
DLP5500数字微镜器件(DMD)是一种数字控制的MOEMS(微光机电系统)空间光调制器(SLM)
特征•0.55英寸微镜阵列对角线–1024768铝阵列,微米大小的镜子(XGA分辨率)–10.8-μm微镜间距–12微镜倾斜角(相对于平面状态)–设...
2024-02-28
381
CDCE421是全集成宽范围,低抖动,晶体振荡器时钟发生器
特征•单个3.3V电源•高性能时钟发生器,包括集成频率合成器的晶体振荡器电路•低输出抖动,低至380fs(rms集成在10k...
2024-02-28
289
什么是调色芯片,调色芯片的组成、分类、常见故障及预防措施
调色芯片是显示器中用于控制和调节颜色输出的关键部件,通常被集成在显示器主板中。它负责接收来自计算机或其他视频源的信号,并将其转换成适合显示器显示的色彩信号。调色...
2024-02-28
343
CPC2400E是嵌入式调制解调器模块
特征•易于集成•占地面积小1.00“x2.50”•全双工2400bps•低功耗•V.24DTE接口&...
2024-02-28
291
CDC706是可编程3-PLL时钟合成器/乘法器/分频器
特征•基于2:6PLL的高性能时钟合成器/乘法器/分频器•用户可编程PLL频率•通过SMBus数据接口轻松进行在线编程...
2024-02-28
391
CAT5221是双数字可编程电位计(DPP™) 带64个抽头和I2C接口
特征两个线性锥形数字可编程电位器每个电位计64个电阻分接头端到端电阻2.5kΩ、10kΩ、50kΩ或100kΩ通...
2024-02-28
259
什么是缓冲存储器,缓冲存储器的结构、原理、算法、应用、使用、故障和解决方法
缓冲存储器(BufferMemory)是计算机存储体系中的一个重要组成部分,它位于处理器和主存储器(RAM)之间,用于缓解CPU和内存之间速度的不匹配问题,提高...
2024-02-28
377
CD4069UB是CMOS十六进制逆变器
特征•标准化对称输出特性•中速运行:–tPHL,tPLH=30ns,10V(典型)•在20V下100%测试静态电流̶...
2024-02-28
285
首页
上一页
61
62
63
64
65
66
67
68
69
70
71
下一页
末页
友情链接:
金相显微镜
龙虾速冻机
FFU过滤单元
液位传感器
芯片代理商
注册公司代理
房产抵押贷款
企业贷款
深圳房屋抵押贷款
债务重组
电子元器件采购
老化房
卡尔费休水分仪
无锡液压元件
溅射电源
DM70露点仪
Copyright © 2002-2023 深圳市安芯科创科技有限公司 版权所有 备案号:
粤ICP备2023092210号-1
网站地图
15382911663
微信号:15382911663
微信二维码