网站首页
home
产品中心
Product
MCU
智能模组
4G5G模组
NB-IOT模组
蓝牙WIFI模组
高级运算模组
晶圆
运放/锂电保护
电源芯片
DC/DC
AC/DC
同步整流
ADC-DAC模拟器件
MOS
二三极管
其他元器件
品牌总馆
BRAND
代理品牌
分销品牌
应用领域
application
新闻中心
News
公司资讯
行业动态
常见问题
选型替换
元器件百科
关于我们
About
企业介绍
企业风采
公司资质
联系我们
您现在所在位置:
主页
>
新闻中心
>
元器件百科
公司资讯
行业动态
常见问题
选型替换
元器件百科
CPC7592是线卡接入交换机
特征•3.3V逻辑接口的TTL逻辑电平输入•用于通电/热插拔状态控制的智能逻辑•单片集成电路可靠性•低匹配RON...
2024-02-28
285
什么是DMA控制器,DMA控制器的组成、分类、常见故障及预防措施
DMA(DirectMemoryAccess)控制器是一种计算机系统中的I/O(Input/Output)技术,用于实现设备之间的数据传输而无需CPU的干预。下...
2024-02-27
871
什么是过流继电器,过流继电器的结构、技术参数、原理、整定方法、选用及发展历程
过流继电器是电力系统中最常用的保护装置之一,主要用于电路的过流保护。当电路中的电流超过设定的阈值时,过流继电器就会动作,切断故障电路,以防电路过载或短路。一、结...
2024-02-27
462
LTC3830/LTC3830-1 sn3830 3830fs 大功率降压 同步DC/DC控制器 用于低压操作(一)
特征大功率开关稳压控制器用于3.3V-5V至1.xV-3.xV降压应用无需电流感应电阻器低输入电源电压范围:3V至8V最大占空比>91%超温所有N通道外部...
2024-02-27
275
LT1175 500mA负极 低压差微功率 调节器
特征稳定,输出电容范围广工作电流:45μA关闭电流:10μA电流限值可调正或负停堆逻辑低压线性压降特性固定5V和可调版本允许反向输出电压应用程序模拟系统调制解调...
2024-02-27
324
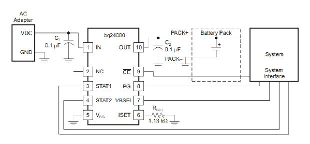
BQ24080、BQ24081是1-A,单芯片,锂离子和锂离子充电器IC
特点•集成功率场效应晶体管和电流传感器,用于交流适配器的高达1-A充电应用•带安全定时器的预充电调节•充电和电源良好状态输出...
2024-02-27
281
bqTINY™II具有自主USB端口和AC适配器电源管理的单芯片、锂离子和锂离子充电器IC-bq24020, bq24022, bq24023,bq24024, bq24025,
特征•3mmx3mmMLP小包装•通过交流适配器或USB为系统充电和供电,并提供自主电源选择•集成USB控制,可选择100毫...
2024-02-27
323
LT1492/LT1493 5MHz,3V/μs,低功耗 单电源、双电源和四路电源 精密运算放大器
特征增益带宽乘积:5MHz典型值转换速率:3V/μs典型值每个放大器的低电源电流:最大0.55mA输入偏移电压:最大180μV输入偏移电压漂移:最大3μV/C输...
2024-02-27
291
什么是特种变压器,特种变压器的结构、特点、原理、分类、使用环境、安装及发展趋势
特种变压器是一种专门用于特殊场合或特殊要求的ATMEGA48V-10AU变压器,具有一定的特殊结构和工作特性。它广泛应用于航空航天、军事、通信、医疗等领域。接下...
2024-02-27
561
什么是直流漏电流传感器,直流漏电流传感器的特点、原理、操作规程及发展趋势
直流漏电流传感器(DCResidualCurrentSensor)是一种用于检测直流系统中的漏电流的传感器装置,主要应用于直流系统的安全监测和保护。下面将对直流...
2024-02-27
289
首页
上一页
62
63
64
65
66
67
68
69
70
71
72
下一页
末页
友情链接:
金相显微镜
龙虾速冻机
FFU过滤单元
液位传感器
芯片代理商
注册公司代理
房产抵押贷款
企业贷款
深圳房屋抵押贷款
债务重组
电子元器件采购
老化房
卡尔费休水分仪
无锡液压元件
溅射电源
DM70露点仪
Copyright © 2002-2023 深圳市安芯科创科技有限公司 版权所有 备案号:
粤ICP备2023092210号-1
网站地图
15382911663
微信号:15382911663
微信二维码