网站首页
home
产品中心
Product
MCU
智能模组
4G5G模组
NB-IOT模组
蓝牙WIFI模组
高级运算模组
晶圆
运放/锂电保护
电源芯片
DC/DC
AC/DC
同步整流
ADC-DAC模拟器件
MOS
二三极管
其他元器件
品牌总馆
BRAND
代理品牌
分销品牌
应用领域
application
新闻中心
News
公司资讯
行业动态
常见问题
选型替换
元器件百科
关于我们
About
企业介绍
企业风采
公司资质
联系我们
您现在所在位置:
主页
>
新闻中心
>
元器件百科
公司资讯
行业动态
常见问题
选型替换
元器件百科
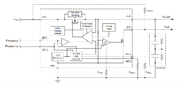
AAT4621是PC卡限流接口及电容充电机
特征•VIN范围:3.0V至5.5V•双独立电流限制-75毫安至1200毫安-10%电流精度-20C温度带•反向电流闭锁保护...
2024-02-23
278
LMC7111 具有轨对轨输入的微型CMOS运算放大器和输出
一般说明LMC7111是一种微功耗CMOS运算放大器提供节省空间的SOT23-5套餐。这个使LMC7111成为空间和重量临界标志的理想选择。广泛的共模输入范围使...
2024-02-23
344
什么是电子调谐器,电子调谐器的结构、特点、原理、作用、操作规程及发展历程
电子调谐器是一种应用于电子设备的主要元件,用于调整、控制和稳定电路中的频率。它的应用广泛,主要用于无线电、电视、雷达、通信设备和其他需要频率控制的电子设备中。一...
2024-02-23
317
L9822N 八进制串行螺线管驱动器
八个低RDSon数据输出(25C时IO=1A时为0.5Ω,VCC=5V5%)8位串行输入数据(SPI)8位串行诊断输出过载和开路条件输出短路保护CH...
2024-02-23
275
L5994 L5994A 可调三重输出 电源控制器(二)
功率MOSFET和肖特基二极管由于器件的栅极驱动器由5V总线供电,逻辑电平MOSFET的使用是非常值得推荐的,特别是在大电流应用中。它们的击穿电压V(BR)DS...
2024-02-23
278
什么是耦合电容器,耦合电容器的结构、原理、应用、安装、使用方法及故障分析
耦合电容器是电子电路中使用的一种电容器,主要功能是允许交流(AC)信号通过,同时阻止直流(DC)信号和电路中的直流偏置。耦合电容器广泛应用于信号处理、BZX84...
2024-02-23
757
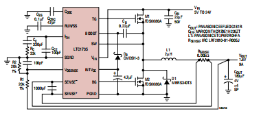
LTC1735 1735立方英尺 高效率 ,同步降压 ,开关调节器(一)
特征可同步/可编程固定频率OPTI-LOOPTM补偿可最大限度地降低COUT1%输出电压精度双N沟道MOSFET同步驱动宽VIN范围:4V至36V操作电压范围:...
2024-02-23
317
什么是栅极电容器,栅极电容器的结构、原理、供电方式、类型、操作规程及发展历程
栅极电容器是一种用于储存和释放电荷的电子元件,通常用于放大、滤波、耦合等电路中,主要应用于电子电路中。下面将详细介绍栅极电容器。一、结构:栅极电容器通常由两个导...
2024-02-23
543
AD7441/AD7451是伪差分输入,1 MSPS,8线SOT-23中的10/12位ADC
特征快速吞吐量:1MSPS规定用于2.7V至5.25V的VDD最大吞吐量下的低功耗:当VDD=3V时,1MSPS时最大4mW最大9.25mW,1MSPS,VDD...
2024-02-23
290
L6219R 步进电机驱动器
特征能够驱动双极步进电机的两个绕组发动机每个绕组的输出电流高达500mA宽电压范围4.5V至10V半步、全步和微步模式内置保护二极管内部pwm电流控制低输出饱和...
2024-02-23
288
首页
上一页
66
67
68
69
70
71
72
73
74
75
76
下一页
末页
友情链接:
金相显微镜
龙虾速冻机
FFU过滤单元
液位传感器
芯片代理商
注册公司代理
房产抵押贷款
企业贷款
深圳房屋抵押贷款
债务重组
电子元器件采购
老化房
卡尔费休水分仪
无锡液压元件
溅射电源
DM70露点仪
Copyright © 2002-2023 深圳市安芯科创科技有限公司 版权所有 备案号:
粤ICP备2023092210号-1
网站地图
15382911663
微信号:15382911663
微信二维码