网站首页
home
产品中心
Product
MCU
智能模组
4G5G模组
NB-IOT模组
蓝牙WIFI模组
高级运算模组
晶圆
运放/锂电保护
电源芯片
DC/DC
AC/DC
同步整流
ADC-DAC模拟器件
MOS
二三极管
其他元器件
品牌总馆
BRAND
代理品牌
分销品牌
应用领域
application
新闻中心
News
公司资讯
行业动态
常见问题
选型替换
元器件百科
关于我们
About
企业介绍
企业风采
公司资质
联系我们
您现在所在位置:
主页
>
新闻中心
>
元器件百科
公司资讯
行业动态
常见问题
选型替换
元器件百科
LTC1595/LTC1596/LTC1596-1 串行16位
特征SO-8包(LTC1595)DNL和INL:1LSB最大值低故障脉冲:1nV-s型快速沉降至1LSB:2μs(使用LT1468)符合行业标准的引脚12位DA...
2024-01-30
498
OPA373, OPA2373,OPA374,OPA2374, OPA4374是6.5MHz,585μA,轨对轨I/O CMOS运算放大器
特征●低偏移:5mV(最大)●低IB:10pA(最大)●高带宽:6.5MHz●轨对轨输入和输出●单电源:+2.3V至+5.5V●停机:OPAx373●规定温度高...
2024-01-29
377
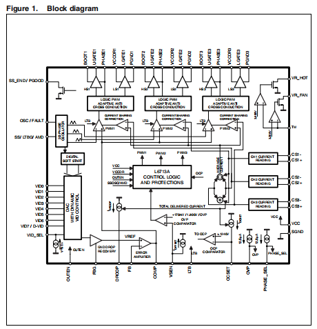
L6713A 用于Intel VR10、VR11的带嵌入式驱动程序的2/3相控制器和AMD6位CPU(一)
一般特征负载瞬态升压(LTB)技术™到尽量减少输出电容器的数量(正在申请专利)双边缘异步PWM可选2相或3相操作0.5%输出电压精度高达1.6000...
2024-01-29
314
OPA642是宽带、低失真、低增益运算放大器
特征●低失真:5MHz时为-95dBc●增益+1带宽:400MHz●提供SOT23-5包装●高开环增益:95dB●高共模抑制:90dB●快速12位设置:13ns...
2024-01-29
463
OPA622是宽带运算放大器
特征●大信号带宽:150MHz(AP),200MHz(AU)(电压反馈)●高输出电流:70mA●转换速率:1500V/μs(AP),1700V/μs(AU)●差...
2024-01-29
302
LSM303DLHC 超紧凑高性能电子罗盘 三维加速度计和三维磁强计模块
特征3个磁场通道和3个加速度渠道满刻度1.3至8.1高斯磁场2g/4g/8g/16g可选满标度16位数据输出I2C串行接口模拟电源电压2.16V至3.6V断电模...
2024-01-29
550
L6732 同步整流可调降压控制器(二)
自举防放电系统这种内置系统避免了自举电容器上的电压低于3.3V。内部比较器感测外部自举电容器上的电压保持充电,最终打开低侧MOSFET约200ns。如果自举电容...
2024-01-29
357
L4987系列 极低压降稳压器 带抑制和释放控制标志
非常低的压降(0.25V典型)退出控制标志非常低的静态电流(典型值。关闭模式下为90μA,打开模式下为500μA模式)输出电流高达200毫安逻辑控制电子关闭输出...
2024-01-29
297
OPA604是FET输入,低失真运算放大器
特征●低失真:1kHz时为0.0003%●低噪声:10nV/Hz●高转换率:25V/μs●宽增益带宽:20MHz●单位增益稳定●供电范围广:VS=4.5至24V...
2024-01-29
590
OPA564是1.5A,24V,17MHz功率运算放大器
特征•高输出电流:1.5A•电源范围广:–单电源:+7V至+24V–双电源:3.5V至12V•输出摆幅大:1.5A时为20V...
2024-01-29
386
首页
上一页
85
86
87
88
89
90
91
92
93
94
95
下一页
末页
友情链接:
金相显微镜
龙虾速冻机
FFU过滤单元
液位传感器
芯片代理商
注册公司代理
房产抵押贷款
企业贷款
深圳房屋抵押贷款
债务重组
电子元器件采购
老化房
卡尔费休水分仪
无锡液压元件
溅射电源
DM70露点仪
Copyright © 2002-2023 深圳市安芯科创科技有限公司 版权所有 备案号:
粤ICP备2023092210号-1
网站地图
15382911663
微信号:15382911663
微信二维码