网站首页
home
产品中心
Product
MCU
智能模组
4G5G模组
NB-IOT模组
蓝牙WIFI模组
高级运算模组
晶圆
运放/锂电保护
电源芯片
DC/DC
AC/DC
同步整流
ADC-DAC模拟器件
MOS
二三极管
其他元器件
品牌总馆
BRAND
代理品牌
分销品牌
应用领域
application
新闻中心
News
公司资讯
行业动态
常见问题
选型替换
元器件百科
关于我们
About
企业介绍
企业风采
公司资质
联系我们
您现在所在位置:
主页
>
新闻中心
>
元器件百科
公司资讯
行业动态
常见问题
选型替换
元器件百科
什么是逆导晶闸管,逆导晶闸管的结构、特点、原理、应用、等效电路、操作规程及发展历程
逆导晶闸管(ReverseConductingThyristor,简称RCT)是一种功率电子元器件,它集二极管和晶闸管的特性于一身,因此具有导通、关断和反向导通...
2024-03-11
644
LM82 远程二极管和本地数字温度传感器 带两线接口
一般说明LM82是一个2线串行数字温度传感器感应电压和温度的接口一种使用Delta-Sigma模数转换器和数字过温探测器的远程二极管。LM82ac准确地感知自身...
2024-03-08
324
DRV8803是四电平低压侧驱动集成电路
特征•4通道保护低侧驱动器–四个带过电流保护的NMOSFET–集成电感钳位二极管–并行接口•DW封装:1.5-A(单通道开启)/800毫...
2024-03-08
878
什么是光电探测器,光电探测器的特点、原理、操作规程及发展趋势
光电探测器(Photodetector)是一种能够将光信号转换为电信号的光电转换器件。它广泛应用于光通信、光电子学、光谱分析、光学传感等领域。下面将对光电探测器...
2024-03-08
1953
DRV632直接路径™,增益可调的2-VRMS音频线路驱动器
特征•立体声直达路径™音频线路驱动器–2Vrms接入10kΩ,3.3-V电源•2Vrms时低THD+N<0...
2024-03-08
496
LM5005 高压2.5安培降压调节器
一般说明LM5005高压开关稳压器具有使用最少外部元件实现高效高压降压调节器所需的功能。这个易于使用的调节器包括一个75VN通道输出电流能力为2.5安培的降压开...
2024-03-08
289
什么是风速传感器,风速传感器的结构、特点、原理、按输出信号分类、操作规程及发展历程
风速传感器是一种用于测量风速的装置,用于测量环境中的风速。通过获取风速数据,可以提供重要的气象信息,帮助人们更好地了解和预测天气状况。它广泛应用于气象观测、环境...
2024-03-08
669
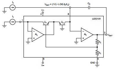
LOG101 精密度 对数比放大器
特征易于使用的完整核心功能高精度:50年内0.01%FSO宽输入动态范围:7.5年,100pA至3.5mA低静态电流:1mA供电范围广:4.5V至18V应用对数...
2024-03-08
354
DAC715是具有16位总线接口的16位数模转换器
特征●高速16位并行双缓冲接口●电压输出:0至+10V●13、14、15位线性等级●16位单调超温(L级)●功耗:最大600mW●自动调整增益补偿和D/A转换器...
2024-03-08
312
DRV601是直接路径™ 可调线路增益,立体声
特征•外部增益设置电阻器•节省空间套餐–20针,4mm4mm薄QFN,热优化电源板™包裹•接地参考输出消除直流阻...
2024-03-08
315
首页
上一页
48
49
50
51
52
53
54
55
56
57
58
下一页
末页
友情链接:
金相显微镜
龙虾速冻机
FFU过滤单元
液位传感器
芯片代理商
注册公司代理
房产抵押贷款
企业贷款
深圳房屋抵押贷款
债务重组
电子元器件采购
老化房
卡尔费休水分仪
无锡液压元件
溅射电源
DM70露点仪
Copyright © 2002-2023 深圳市安芯科创科技有限公司 版权所有 备案号:
粤ICP备2023092210号-1
网站地图
15382911663
微信号:15382911663
微信二维码