网站首页
home
产品中心
Product
MCU
智能模组
4G5G模组
NB-IOT模组
蓝牙WIFI模组
高级运算模组
晶圆
运放/锂电保护
电源芯片
DC/DC
AC/DC
同步整流
ADC-DAC模拟器件
MOS
二三极管
其他元器件
品牌总馆
BRAND
代理品牌
分销品牌
应用领域
application
新闻中心
News
公司资讯
行业动态
常见问题
选型替换
元器件百科
关于我们
About
企业介绍
企业风采
公司资质
联系我们
您现在所在位置:
主页
>
新闻中心
>
元器件百科
公司资讯
行业动态
常见问题
选型替换
元器件百科
EL5129, EL5329集成了多个伽马缓冲器和一个VCOM缓冲器
特征•多个伽马缓冲器-6通道(EL5129)-10通道(EL5329)•单VCOM放大器•低电源电流-3.5mA(EL512...
2024-03-12
274
什么是离子传感器,离子传感器的组成、分类、常见故障及预防措施
离子传感器是一种用于检测和测量离子浓度的传感器。它能够将化学反应中产生的离子转化为可测量的电信号,从而实现对离子浓度的监测。本文将详细介绍离子传感器的组成、特点...
2024-03-11
930
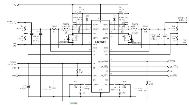
LM2641 双路可调降压开关电源 控制器
一般说明LM2641是双降压电源控制器适用于笔记本电脑和其他电池供电设备。逻辑电平N通道的定频同步驱动功率MOSFET与可选在1000:1负载电流范围内实现超高...
2024-03-11
325
DRV8840直流电机驱动集成电路
特征•单H桥电流控制电机驱动器•8.2-V至45-V工作电源电压范围•5位电流控制允许高达32个电流电平•低MO...
2024-03-11
395
BQ27350是阻抗跟踪燃料计量技术的单电池锂离子电池管理器
简介特征•适用于单电池和1系列锂离子应用的综合电池燃料计•使用SHA-1/HMAC加密进行安全电池认证•计算和报告–剩余电池...
2024-03-11
348
什么是钳位二极管,钳位二极管的结构、优点、原理、应用、安装及发展历程
钳位二极管(ScrubberDiode),又称为限幅二极管,是一种特殊类型的AT25640B-SSHL-T二极管,它可以防止电路中的电压超过一定的限值,从而保护...
2024-03-11
508
EL5177是550MHz差分双绞线驱动器
特征•提供无铅•全差分输入、输出和反馈•差分输入范围2.3V•550MHz3dB带宽•1100V/μ...
2024-03-11
423
什么是波纹管联轴器,波纹管联轴器的结构、优点、原理、应用、操作规程、故障和解决方法
波纹管联轴器又称金属波纹管柔性联轴器,是一种用于连接两轴的机械装置,可用于传递扭矩和旋转运动。主要用于连接两个非同心轴的传动装置,能够在一定程度上吸收轴线不对中...
2024-03-11
833
DIR1701是数字音频接口接收机
特征■标准数字音频接口接收器(EIAJ1201)■采样率:32/44.1/48/88.2/96kHz■恢复128/256/384/512fs系统时钟■非常低抖动...
2024-03-11
352
EL8186是一个微功率运算放大器
特征•55μA电源电流•400μV典型偏移电压•500pA输入偏置电流•400kHz增益带宽乘积•1...
2024-03-11
271
首页
上一页
46
47
48
49
50
51
52
53
54
55
56
下一页
末页
友情链接:
金相显微镜
龙虾速冻机
FFU过滤单元
液位传感器
芯片代理商
注册公司代理
房产抵押贷款
企业贷款
深圳房屋抵押贷款
债务重组
电子元器件采购
老化房
卡尔费休水分仪
无锡液压元件
溅射电源
DM70露点仪
Copyright © 2002-2023 深圳市安芯科创科技有限公司 版权所有 备案号:
粤ICP备2023092210号-1
网站地图
15382911663
微信号:15382911663
微信二维码