网站首页
home
产品中心
Product
MCU
智能模组
4G5G模组
NB-IOT模组
蓝牙WIFI模组
高级运算模组
晶圆
运放/锂电保护
电源芯片
DC/DC
AC/DC
同步整流
ADC-DAC模拟器件
MOS
二三极管
其他元器件
品牌总馆
BRAND
代理品牌
分销品牌
应用领域
application
新闻中心
News
公司资讯
行业动态
常见问题
选型替换
元器件百科
关于我们
About
企业介绍
企业风采
公司资质
联系我们
您现在所在位置:
主页
>
新闻中心
>
元器件百科
公司资讯
行业动态
常见问题
选型替换
元器件百科
什么是光控晶闸管,光控晶闸管的结构、特点、原理、应用、安装及故障及解决措施
光控晶闸管是一种特殊类型的晶闸管,也称为光控可控硅,它通过光信号来控制电流的开关。这种元件集成了光电和电力电子技术,具有输入和输出隔离、快速开关、高效能、抗干扰...
2024-03-08
654
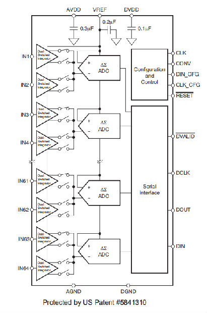
DDC264是64通道,电流输入模数转换器
特征•直接测量64的单片机解决方案低电平电流•经验证的高精度,真正的集成100%收费架构•为现有DDC系列轻松升级应用...
2024-03-07
553
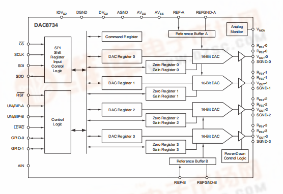
DAC8734是四路,16位,高精度,±16V输出,串行输入数模转换器
特征•双极输出:高达16V•单极输出:0V至+20V•16位单调•相对精度:最大1LSB•低零点和增...
2024-03-07
276
DCR02系列—小型,2W隔离调节DC/DC转换器
特征•UL1950认可•DIP-18和SO-10包装•55W/in3(3.3W/cm3)功率密度•设备到设备的同...
2024-03-07
320
LNBP21 LNBP供应和控制IC 升压变换器与I2C接口
LNB之间的完整接口I2CTM总线内置DC/DC控制器单12V电源操作精确的内置22KHz音调振荡器符合广泛接受的标准快速振荡器启动DiSEqCTM编码内置22...
2024-03-07
274
LM131A/LM131、LM231A/LM231、LM331A/LM331 精密电压-频率转换器
一般说明LM131/LM231/LM331系列电压频率比转换器非常适合用于简单的低成本电路,用于模数转换、精确的频率-电压转换、长期集成、线性频率调制或解调以及...
2024-03-07
1098
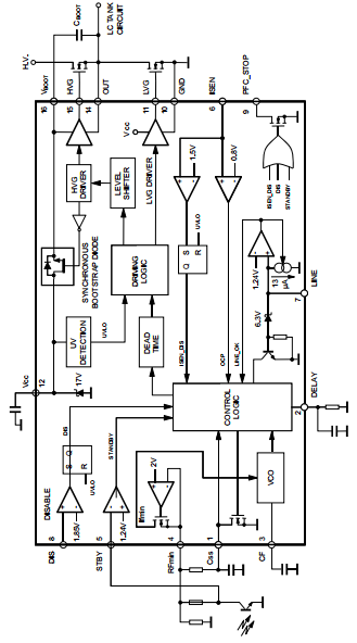
L6599A 改进型高压谐振控制器
特征50%占空比,变频控制共振半桥高精度振荡器工作频率高达500kHz两级OCP:频移和锁定关闭与PFC控制器的接口闭锁禁用输入轻负载下的突发模式操作电源开/关...
2024-03-07
719
LX1691 增强型多模式CCFL控制器
说明Microsemi的LX1691是一个成本简化、增强的功能集,直接驱动CCFL(冷阴极荧光灯灯)控制器。它的架构是基于非常流行的LX1689。通过将VDDP...
2024-03-07
351
什么是膜片联轴器,膜片联轴器的结构、原理、应用、受力计算、传动系统、安装及发展历程
膜片联轴器是一种常用的传动元件,用于传递机械设备之间的转矩和旋转速度,具有良好的弹性和吸振性能。由于其独特的结构设计,膜片联轴器能够在传递扭矩的同时,补偿轴间的...
2024-03-07
1342
什么是数据交换芯片,数据交换芯片的组成、分类、常见故障及预防措施
数据交换芯片是一种用于网络通信设备中的重要部件,主要功能是实现不同设备之间的数据传输和交换。它通常由多个功能模块组成,包括端口、交换矩阵、缓存、CXD3172A...
2024-03-07
307
首页
上一页
50
51
52
53
54
55
56
57
58
59
60
下一页
末页
友情链接:
金相显微镜
龙虾速冻机
FFU过滤单元
液位传感器
芯片代理商
注册公司代理
房产抵押贷款
企业贷款
深圳房屋抵押贷款
债务重组
电子元器件采购
老化房
卡尔费休水分仪
无锡液压元件
溅射电源
DM70露点仪
Copyright © 2002-2023 深圳市安芯科创科技有限公司 版权所有 备案号:
粤ICP备2023092210号-1
网站地图
15382911663
微信号:15382911663
微信二维码