网站首页
home
产品中心
Product
MCU
智能模组
4G5G模组
NB-IOT模组
蓝牙WIFI模组
高级运算模组
晶圆
运放/锂电保护
电源芯片
DC/DC
AC/DC
同步整流
ADC-DAC模拟器件
MOS
二三极管
其他元器件
品牌总馆
BRAND
代理品牌
分销品牌
应用领域
application
新闻中心
News
公司资讯
行业动态
常见问题
选型替换
元器件百科
关于我们
About
企业介绍
企业风采
公司资质
联系我们
您现在所在位置:
主页
>
新闻中心
>
元器件百科
公司资讯
行业动态
常见问题
选型替换
元器件百科
什么是磁编码器,磁编码器的特点、原理、操作规程及发展趋势
磁编码器是一种用于测量转动位置、速度和方向的传感器。它通过使用磁场原理来获取准确的位置信息,广泛应用于DAC6573IPW自动控制系统、机器人、工业生产线等领域...
2024-03-05
431
BQ2026带SDQ接口的1.5K位串行EPROM
特征•1536位一次性可编程(OTP)EPROM,用于存储用户可编程配置数据•工厂编程的唯一64位标识号•单线接口,减少电路...
2024-03-05
322
DRV8804是四串行接口低压侧驱动集成电路
特征•4通道保护低侧驱动器–四个带过流保护的N沟道MOSFET–集成电感钳位二极管–串行接口•DW封装:1.5-A(单通道开启)/800...
2024-03-05
399
DRV8829是5-A 45-V单H桥电机驱动器
特征•单H桥PWM电机驱动器–单刷直流电机驱动器–1/2双极步进电机驱动器•5-A峰值或3.5-Arms输出电流•6.5-4...
2024-03-05
281
LTC1841/LTC1842/LTC1843 超低功耗双 参考比较器
特征超低静态电流:3.5μA典型值开路漏极输出通常为凹陷大于20mA供货范围广:(LTC1841)单电源:2V至11V双:1V至5.5V输入电压范围包括负电源参...
2024-03-05
449
DAC2900是双,10位,125MSPS数模转换器
特征●125MSPS更新率●单电源:+3.3V或+5V●高SFDR:68dB,fOUT=20MHz●低故障:2pVs●低功率:+5V时为310mW●内部参考●断...
2024-03-05
280
LMD18400四边形高压侧驱动器
功能应用程序四个独立输出,峰值>3A,1A继电器和电磁阀驱动器连续电流能力高阻抗汽车喷油器驱动器最大导通电阻为1.3Ω温度灯驱动器每个开关的真...
2024-03-05
285
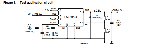
L5973AD 2A开关降压开关调节器
特征2个内部开关工作输入电压从4V到36V3.3V/(2%)参考电压输出电压可从1.235V调节至35V低压差运行:100%占空比500kHz内部固定频率电压前...
2024-03-05
334
LM95221 双远程二极管数字温度传感器 SMBus接口
一般说明LM95221是中的双远程二极管温度传感器一个8导联的MSOP软件包。的2线串行接口LM95221与SMBus2.0兼容。LM95221罐感应三个温度区...
2024-03-05
330
DAC5662是双,12位200 MSPS数模转换器
功能应用程序•12位双传输DAC•200MSPS更新率•单电源:3.0V-3.6V•高SFDR:85dBc,5M...
2024-03-05
371
首页
上一页
53
54
55
56
57
58
59
60
61
62
63
下一页
末页
友情链接:
金相显微镜
龙虾速冻机
FFU过滤单元
液位传感器
芯片代理商
注册公司代理
房产抵押贷款
企业贷款
深圳房屋抵押贷款
债务重组
电子元器件采购
老化房
卡尔费休水分仪
无锡液压元件
溅射电源
DM70露点仪
Copyright © 2002-2023 深圳市安芯科创科技有限公司 版权所有 备案号:
粤ICP备2023092210号-1
网站地图
15382911663
微信号:15382911663
微信二维码