网站首页
home
产品中心
Product
MCU
智能模组
4G5G模组
NB-IOT模组
蓝牙WIFI模组
高级运算模组
晶圆
运放/锂电保护
电源芯片
DC/DC
AC/DC
同步整流
ADC-DAC模拟器件
MOS
二三极管
其他元器件
品牌总馆
BRAND
代理品牌
分销品牌
应用领域
application
新闻中心
News
公司资讯
行业动态
常见问题
选型替换
元器件百科
关于我们
About
企业介绍
企业风采
公司资质
联系我们
您现在所在位置:
主页
>
新闻中心
>
元器件百科
公司资讯
行业动态
常见问题
选型替换
元器件百科
L5985 2A降压开关调节器
特征2A直流输出电流2.9V至18V输入电压输出电压可从0.6V调节250KHz开关频率,可编程高达1MHz内部软启动和抑制低压差运行:100%占空比电压前馈空...
2024-02-20
287
OPAx348-Q1 1-MHz 45-μA CMOS轨对轨运算放大器—OPA348-Q1, OPA2348-Q1, OPA4348-Q1
特征•适合汽车应用•AEC-Q100符合以下结果:–设备温度等级1:–40C至+125C环境工作温度范围–设备HBMESD等级2–设备C...
2024-02-20
281
OP292/OP492是双/四路单电源运算放大器
特征单电源操作:4.5V至33V输入共模包括接地输出摆向地面高转换率:3V/μs高增益带宽:4MHz低输入偏置电压高开环增益无相位反转应用磁盘驱动器移动电话伺服...
2024-02-20
316
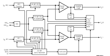
LMX2335/LMX2336/LMX2337 血小板™ 射频双频合成器
LMX23351.1千兆赫/1.1千兆赫LMX23362.0千兆赫/1.1千兆赫LMX2337550兆赫/550兆赫一般说明LMX2335、LMX2336和LM...
2024-02-20
330
什么是低压接触器,低压接触器的组成、分类、操作规程及发展趋势
低压接触器是一种用于低压电路中控制电流、开关电路的电器设备。它通常由电磁铁、触点、弹簧机构等部件组成。低压接触器的特点包括:1.承载能力强:能够承受较大的电流和...
2024-02-20
387
OPA4830是四路,低功耗,单电源,宽带运算放大器Ⅱ
差分接口应用双运算放大器和四运算放大器特别适用于差分输入到差分输出的应用。通常,这些运算放大器可分为ADC输入接口或线路驱动器应用。差分I/O的两种基本方法是无...
2024-02-20
332
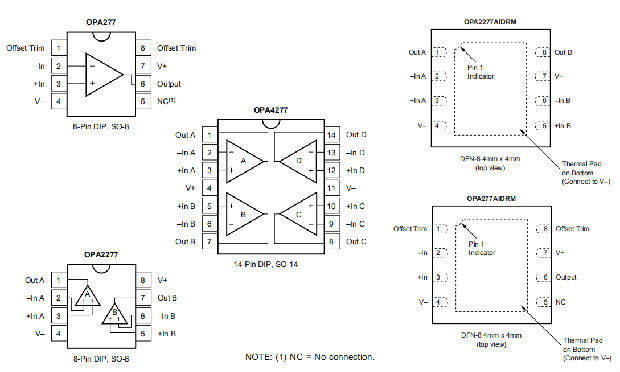
OPA277、OPA2277、OPA4277是高精度运算放大器
特征●超低偏移电压:10μV●超低漂移:0.1μV/C●高开环增益:134dB●高共模抑制:140dB●高电源抑制:130dB●低偏压电流:最大1nA●供电范围...
2024-02-20
2273
OPA4830是四路,低功耗,单电源,宽带运算放大器Ⅰ
特征•高带宽:280MHz(G=+1)120MHz(G=+2)•供应不足电流:3.9mA/ch(VS=+5V)•灵活的供应范...
2024-02-20
351
OP295/OP495是双/四轨对轨运算放大器
特征轨间输出摆动单电源操作:+3V至+36V低偏移电压:300mV增益带宽积:75kHz高开环增益:1000V/mV单位增益稳定低电源电流/每个放大器:最大15...
2024-02-20
295
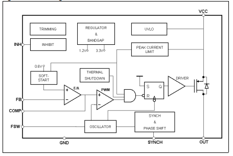
LM2612 400毫安超小型,可编程,降压DC-DC 超低压电路用转换器
一般说明LM2612降压型DC-DC变换器是为单锂离子为超低压电路供电手机。它提供高达400毫安(B级为300毫安),超过输入电压范围为2.8V至5.5V。引脚...
2024-02-20
346
首页
上一页
72
73
74
75
76
77
78
79
80
81
82
下一页
末页
友情链接:
金相显微镜
龙虾速冻机
FFU过滤单元
液位传感器
芯片代理商
注册公司代理
房产抵押贷款
企业贷款
深圳房屋抵押贷款
债务重组
电子元器件采购
老化房
卡尔费休水分仪
无锡液压元件
溅射电源
DM70露点仪
Copyright © 2002-2023 深圳市安芯科创科技有限公司 版权所有 备案号:
粤ICP备2023092210号-1
网站地图
15382911663
微信号:15382911663
微信二维码