网站首页
home
产品中心
Product
MCU
智能模组
4G5G模组
NB-IOT模组
蓝牙WIFI模组
高级运算模组
晶圆
运放/锂电保护
电源芯片
DC/DC
AC/DC
同步整流
ADC-DAC模拟器件
MOS
二三极管
其他元器件
品牌总馆
BRAND
代理品牌
分销品牌
应用领域
application
新闻中心
News
公司资讯
行业动态
常见问题
选型替换
元器件百科
关于我们
About
企业介绍
企业风采
公司资质
联系我们
您现在所在位置:
主页
>
新闻中心
>
元器件百科
公司资讯
行业动态
常见问题
选型替换
元器件百科
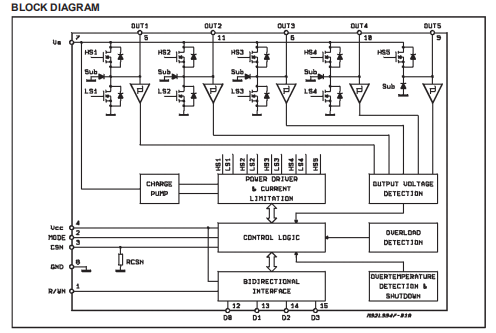
L9947 四桥半桥单高端驱动器
待机状态下的低功耗(ROM温度下<100μA;130C时<150μA)两座3A荷载半桥(RDSON=0.25Ω型;Tj=25C)两个半桥...
2024-02-19
317
OPA1632是高性能,全差分音频运算放大器
特征●卓越的音质●超低失真:0.000022%●低噪声:1.3nV/Hz●高速:−转换速率:50V/μs−增益带宽:180MHz●全差分...
2024-02-18
1310
OPA2211-HT是1.1 nV/√Hz噪声,低功率,精密运算放大器
特征•低压噪声:1kHz时为1.1nV/Hz•输入电压噪声:80nVPP(0.1赫兹至10赫兹)•THD+N:–136dB(...
2024-02-18
309
什么是数字电位器,数字电位器的组成、分类、操作规程及发展趋势
数字电位器是一种基于数字信号控制的电阻器件,用于调节电路中的电阻值。它由DA108S1RL数字控制器和电阻网络组成,通过改变数字控制信号以改变电阻值。数字电位器...
2024-02-18
291
LTC1287 3V单芯片12位 数据采集系统
特征单电源3.3V操作内置采样和保持大多数MPU串行端口的直接3线接口所有MPU并行端口30kHz最大吞吐量主要规格最低保证供电电压:2.7V分辨率:12位快速...
2024-02-18
319
LM4670™ 音频功率放大器系列无滤波高效率3W开关
功能描述LM4670是一个完全集成的单电源高•无需输出滤波器电感负载高效率开关音频放大器。它的特点是外部可配置增益创新调制器,消除LC输出非常快的开...
2024-02-18
264
什么是法拉电容器,法拉电容器的基本结构、特点、原理、应用、操作规程及发展历程
法拉电容器,也称作超级电容器或超级电容,是一种具有极高电容量的ES1G-13-F电容器,电容值可达数千甚至数百万法拉。与传统电容器相比,它能在短时间内存储和释放...
2024-02-18
633
OPA2180、OPA4180是0.1-μV/°C漂移,低噪声,轨对轨输出,36-V,零漂移运算放大器
特点•低偏移电压:75μV(最大)•零点漂移:0.1μV/C•低噪声:10nV/Hz•非常低的1/f噪音R...
2024-02-18
291
L6743 L6743Q 大电流MOSFET驱动器
特征用于同步整流的双MOSFET驱动器转换器快速外部MOSFET的高驱动电流切换集成自举二极管高频操作启用引脚自适应死区管理柔性门驱动器:5V至12V兼容输出的...
2024-02-18
255
什么是换流器,换流器的组成、分类、操作规程及发展趋势
换流器是一种将交流电转换为直流电或将直流电转换为交流电的装置。它是电力系统中重要的设备之一,用于实现不同电压等级或电网之间的能量转换和互联。换流器主要由下述几个...
2024-02-18
1333
首页
上一页
75
76
77
78
79
80
81
82
83
84
85
下一页
末页
友情链接:
金相显微镜
龙虾速冻机
FFU过滤单元
液位传感器
芯片代理商
注册公司代理
房产抵押贷款
企业贷款
深圳房屋抵押贷款
债务重组
电子元器件采购
老化房
卡尔费休水分仪
无锡液压元件
溅射电源
DM70露点仪
Copyright © 2002-2023 深圳市安芯科创科技有限公司 版权所有 备案号:
粤ICP备2023092210号-1
网站地图
15382911663
微信号:15382911663
微信二维码